文档详情

初中物理实验操作步骤

公****
实名认证
店铺
PDF
162.58KB
约4页
文档ID:576295181
初中物理实验操作步骤_第1页
1/4

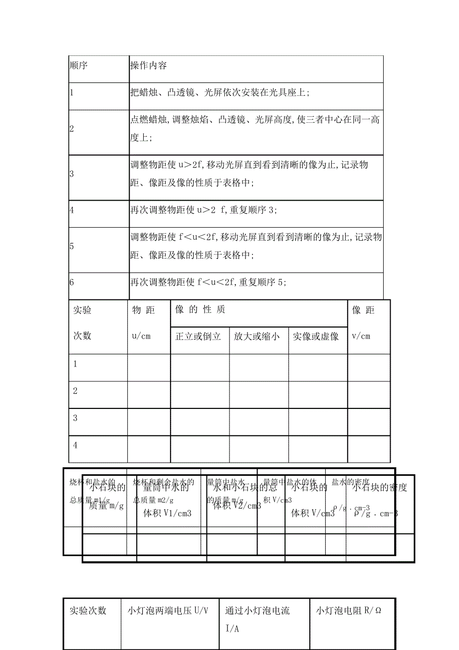
顺序 操作内容 1 把蜡烛、凸透镜、光屏依次安装在光具座上; 2 点燃蜡烛,调整烛焰、凸透镜、光屏高度,使三者中心在同一高度上; 3 调整物距使u>2f,移动光屏直到看到清晰的像为止,记录物距、像距及像的性质于表格中; 4 再次调整物距使u>2 f,重复顺序 3; 5 调整物距使f<u<2f,移动光屏直到看到清晰的像为止,记录物距、像距及像的性质于表格中; 6 再次调整物距使f<u<2f,重复顺序 5; 实验 次数 物 距 u/cm 像 的 性 质 像 距 v/cm 正立或倒立 放大或缩小 实像或虚像 1 2 3 4 烧杯和盐水的总质量m1/g 烧杯和剩余盐水的总质量m2/g 量筒中盐水的质量m/g 量筒中盐水的体积V/cm3 盐水的密度 ρ/g﹒cm-3 小石块的质量m/g 量筒中水的 体积V1/cm3 水和小石块的总体积V2/cm3 小石块的 体积V/cm3 小石块的密度 ρ/g﹒cm-3 实验次数 小灯泡两端电压U/V 通过小灯泡电流I/A 小灯泡电阻R/Ω 探究:杠杆的平衡条件 一、探究目的: 杠杆的平衡条件 二、实验器材: 杠杆 、 钩码盒一套 、 弹簧测力计 、 细线 、 刻度尺 三、探究假设: 杠杆的平衡可能与“动力和力臂的乘积”、“阻力和阻力臂的乘积”有关; 四、实验步骤: 步骤 1、调节杠杆两端的 平衡螺母 ,使横梁平衡; 步骤 2、在杠杆的左右两端分别用细线依次悬挂个数不同钩码每一个钩码 50g=0.05kg,重为:G=mg=0.05kg×10N/kg=0.5N,假设左端砝码的重力产生的拉力为阻力 F2,右端钩码的重力产生的拉力为动力 F1,先固定 F1大小和动力臂 l1的大小,再选择适当的阻力 F2,然后移动阻力作用点,改变阻力臂l2大小,直至杠杆平衡,分别记录下此时动力F1、动力臂l1、阻力F2和阻力臂l2的数值,并将实验数据记录在表格中; 步骤 3、固定 F1大小和动力臂 l1的大小,改变阻力 F2的大小,在移动阻力作用点,改变阻力臂 l2大小,直至杠杆平衡,记录下此时的阻力 F2和阻力臂 l2的数值,并填入到实验记录表格中; 步骤 4、改变动力F1的大小,保持动力臂l1的大小以及阻力F2大小不变,再改变阻力F2作用点,直至杠杆重新平衡,记录下此时动力 F1大小和阻力臂 l2的大小,并填入到实验数据记录表; 步骤 5、整理实验器材; 五、数据记录:实验数据记录表如下: 六、分析论证:根据实验记录数据,探究结论是: 动力×动力臂=阻力×阻力臂 公式表示: F1L1=F2L2 思考:在上述探究实验中,为什么每次都杠杆在水平位置保持平衡 答:可以方便用刻度尺来直接测出实验中杠杆的力臂大小 用温度计测水的温度 一实验要求:正确使用温度计测量水的温度,并记录测量结果; 1 2.5 2 1.5 动力 F1N 动力臂l1cm 动力×动力臂 NM 阻力F2N 阻力臂l2cm 阻力×阻力臂 Nm 步骤 2 步骤 3 步骤 4 二实验器材:温度计一支,烧杯两个,冷水、热水适量; 三实验过程: 实验步骤 操作过程和记录 1.检查器材 ①检查实验所需器材是否齐全; ②观察并记录温度计的量程为 ,最小分度值为 ; 2.用温度计测量冷水的温度 ①将手指插入烧杯中的冷水中,估计水温大约为 ; ②将温度计的玻璃泡全部浸入水中,使温度计的玻璃泡与冷水充分接触; ③保持温度计的玻璃泡与冷水充分接触,待温度计的示数稳定; ④视线与温度计液柱的上表面相齐平,读出温度计此时的示数; ⑤记录此时烧杯中水的温度为 ; 3.用温度计测量热水的温度 ①将手试触烧杯杯壁,估计杯中热水温度大约为 ; ②将温度计的玻璃泡全部浸入水中,使温度计的玻璃泡与热水充分接触; ③保持温度计的玻璃泡与热水充分接触,待温度计的示数稳定; ④视线与温度计液柱的上表面相齐平,读出温度计此时的示数; ⑤记录此时烧杯中水的温度为 ; 4.整理器材 实验完毕把器材整理好轻轻放回原处; 答案 实验步骤 操作过程和记录 满分 1.检查器材 ①检查实验所需器材是否齐全; ②观察并记录温度计的量程1 分和最小分度值 1 分正确; 2 分 2.用温度计测量冷水的温度 ①将手指插入烧杯中的冷水中,估计水温正确 1 分; ②将温度计的玻璃泡全部浸入水中,使温度计的玻璃泡与冷水充分接触 1 分; ③保持温度计的玻璃泡与冷水充分接触,待温度计的示数稳定 1分; ④视线与温度计液柱的上表面相齐平,正确读数; ⑤记录此时烧杯中水的温度正确 1 分; 4 分 3.用温度计测量热水的温度 ①将手试触烧杯杯壁,估计杯中热水温度正确 1 分; ②将温度计的玻璃泡全部浸入水中,使温度计的玻璃泡与热水充分接触; ③保持温度计的玻璃泡与热水充分接触,待温度计的示数稳定 1分; ④视线与温度计液柱的上表面相齐平,正确读数; ⑤记录此时烧杯中水的温度正确 1 分; 3 分 4.整理器材 实验完毕把器材整理好轻轻放回原处; 1 分 器材准备清单 液体温度计一支;烧杯两个;冷水、热水适量; 。

下载提示
相似文档
正为您匹配相似的精品文档