文档详情

plcs7200抢答器报告

博****1
实名认证
店铺
DOC
130KB
约5页
文档ID:524952697
plcs7200抢答器报告_第1页
1/5

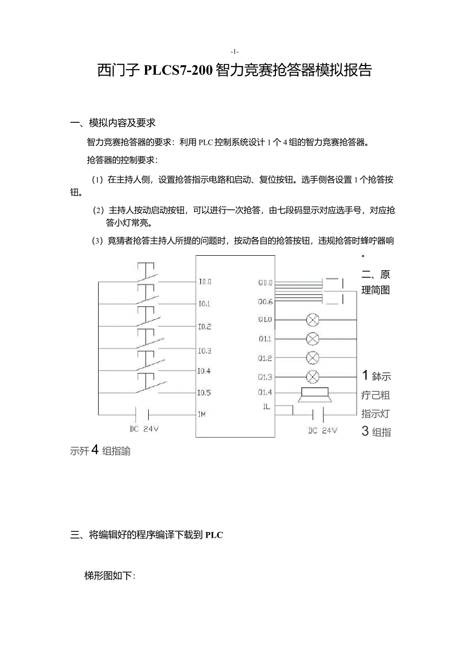
1-西门子PLCS7-200智力竞赛抢答器模拟报告一、模拟内容及要求智力竞赛抢答器的要求:利用PLC控制系统设计1个4组的智力竞赛抢答器抢答器的控制要求:(1)在主持人侧,设置抢答指示电路和启动、复位按钮选手侧各设置1个抢答按钮2)主持人按动启动按钮,可以进行一次抢答,由七段码显示对应选手号,对应抢答小灯常亮3)竟猜者抢答主持人所提的问题时,按动各自的抢答按钮,违规抢答时蜂咛器响二、原理简图1鉢示疔己粗指示灯3组指示歼4组指諭三、将编辑好的程序编译下载到PLC梯形图如下:-2--3-|阿谿7MO.O=OFFH—Q1.0=OFFT)四、监控情况如下:Stepl主持人按下启动开关I0.4网络1自锁,抢答器就位Step2选手抢答情况(在此我假定是选手1抢答到为例作为讲解)-4-1① 1号选手抢答到后I0.0闭合,辅助继电器M0.0得电,所以常闭开关M0.0断开,常开触点M0.0闭合,灯Q1.0得电亮,网络3、网络4、网络5皆断开M0.0触点使其对应的辅助继电器无法得电,这就实现了互锁的功能②传送指令将预设值[1]传送至VB0,接着在翻译指令的作用下在七段码显示器上显示数字1Step3主持人按下复位开关I0・5I0.5的常闭触点断开,M0.4断开,整个网络断电数码管复位。

选手234抢答原理同上)违规抢答说明:在没有开始按钮没有按下之前,网络6中,由于辅助继电器M0.4没得电,常闭开关M0.4闭合状态,当选手1234其中一人按下抢答键,触发各自辅助继电器工作,接通网络6中蜂咛器Q1.4工作发出尖叫班级:姓名:学号:。

下载提示
相似文档
正为您匹配相似的精品文档