文档详情

钢结构允许误差标准

M****1
实名认证
店铺
DOCX
150.59KB
约10页
文档ID:512685750
钢结构允许误差标准_第1页
1/10

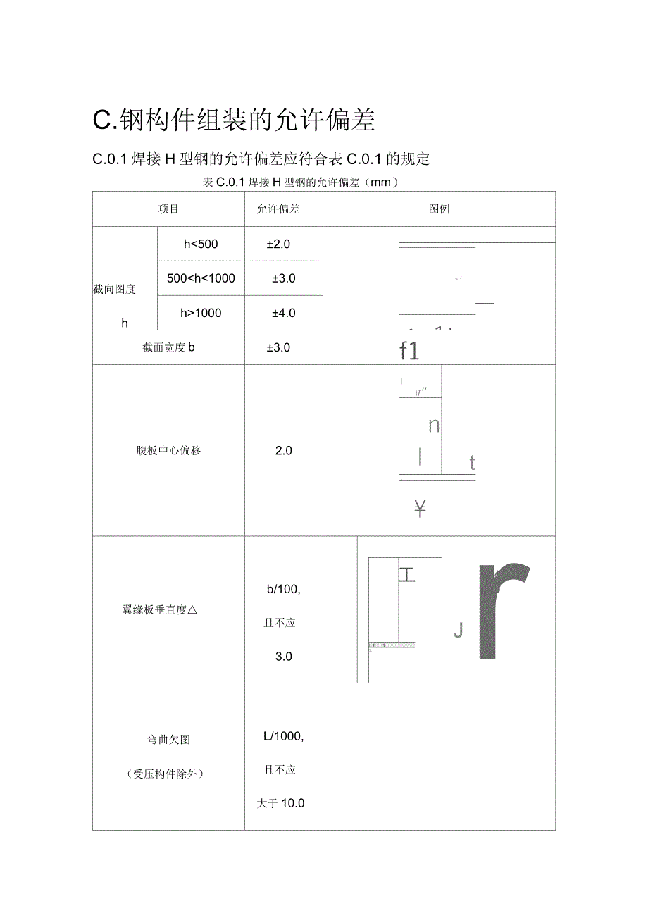
C.钢构件组装的允许偏差C.0.1焊接H型钢的允许偏差应符合表C.0.1的规定表C.0.1焊接H型钢的允许偏差(mm)项目允许偏差图例截向图度hh<500±2.01■4—q(5001000±4.0;•1t截面宽度b±3.0f1腹板中心偏移2.0।\t''tnI1¥翼缘板垂直度△b/100,且不应3.0尚r工JL1一1¥弯曲欠图(受压构件除外)L/1000,且不应大于10.0项目允许偏差图例扭曲h/250且不应5.0腹板局部平向度ft<143.0It.二r■■=t>142.0C.0.2焊接连接制作组装的允许偏差应符合表C.0.2的规定表C.0.2焊接连接制作组装的允许偏差(mm)项目允许偏差图例对口错边4t/10,且不应3.0衿—二——一1I间隙a±1.0*•搭接长度a±5.0■4iiuir1*—4:<缝隙△1.5项目允许偏差图例高度h±2.0迫[垂直度△b/100,且不应大于3.0雪期中心偏移±2.0型钢错位连接处1.0£.其他处2.0*」箱型截面高度h±2.04T.宽度b±2.0*r)『-1k垂直度△b/200,且不应大于3.0C.0.3单层钢柱外形尺寸的允许偏差应符合表C.0.3的规定。

表C.0.3单层钢柱外形尺寸的允许偏差(mm)项目允许偏差检验方法图例柱底面到柱端与桁架连接的最上一个安装孔距离L±1/1500±15.0用钢尺检查中1甲柱地面到牛腿支承面距离L1±L1/2000±8.0I牛腿面的翘曲△2.0用拉线、直角尺和钢尺检查柱身弯曲矢图H/1200,且不应大于12.0项目允许偏检验方法图例用拉线、吊柱身牛腿处3.0线和钢尺检扭曲面几连线处±3.0用钢尺检查何尺非连线±4.0寸处其他处8.0翼缘连接处1.5用直角尺和 钢尺检查对腹非连线b/100,且板的处不应大垂直于5.0度用lm直角尺和塞尺检柱脚底平面度 5.0 查用钢尺检查柱脚螺栓孔中3.0心对柱轴线的表C.0.4多节钢柱外形尺寸的允许偏差(mm)项目允许偏差检验方法图例T同度H±3.0用钢尺检查两端最外侧安装孔距离L3±2.0◎F面1JT■kJ铳平面到第一个安装孔距离a±1.01M-■■12f柱身弯曲矢图fH/1500,且不应5.0用拉线和钢尺检查j1,^—■4+/铳平面.,■一节柱的柱身扭曲h/250,且不应大于5.0用拉线、吊线和钢尺检查牛腿端孔到柱轴线距离L2±3.0用钢尺检查牛腿的扭曲△L2<10002.0用拉线直角尺和钢尺检查L2>10003.0柱截回尺寸连接处±3.0用钢尺检查非连接处±4.0柱脚底向平向度5.0用直尺和塞尺检查项目允许偏差检验方法翼缘板对腹板的垂直度连接处1.5用直角尺和钢尺检查其他处b/100,且不应大于5.0柱脚螺栓孔对柱轴线的距离a3.0用钢尺检查箱型截面连接处对角线差3.0箱型柱身板垂直度H(b)/150,且不应大于5.0用直角尺钢尺检查图例表C.0.5焊接实腹钢梁外形尺寸的允许偏差(mm)项目允许偏差检验方法梁长度L端部有凸缘支座板0-5.0用钢尺检查其他形式士L/2500±10.0端部高度h<2000±2.0h>2000±3.0用拉线和钢尺检查拱度设计要求起拱±L/5000设计未要求起拱10.0-5.0侧弯欠局L/2000,且不应大于10.0扭曲h/250,且不应大于10.0用拉线、吊线和钢尺检查腹板局部平向度t<145.0用lm直尺和塞尺检查t>144.0项目允许偏差检验方法图例翼缘板对腹板的垂直度。

下载提示
相似文档
正为您匹配相似的精品文档