文档详情

五防典型逻辑

鲁**
实名认证
店铺
DOCX
52.47KB
约4页
文档ID:528935576
五防典型逻辑_第1页
1/4

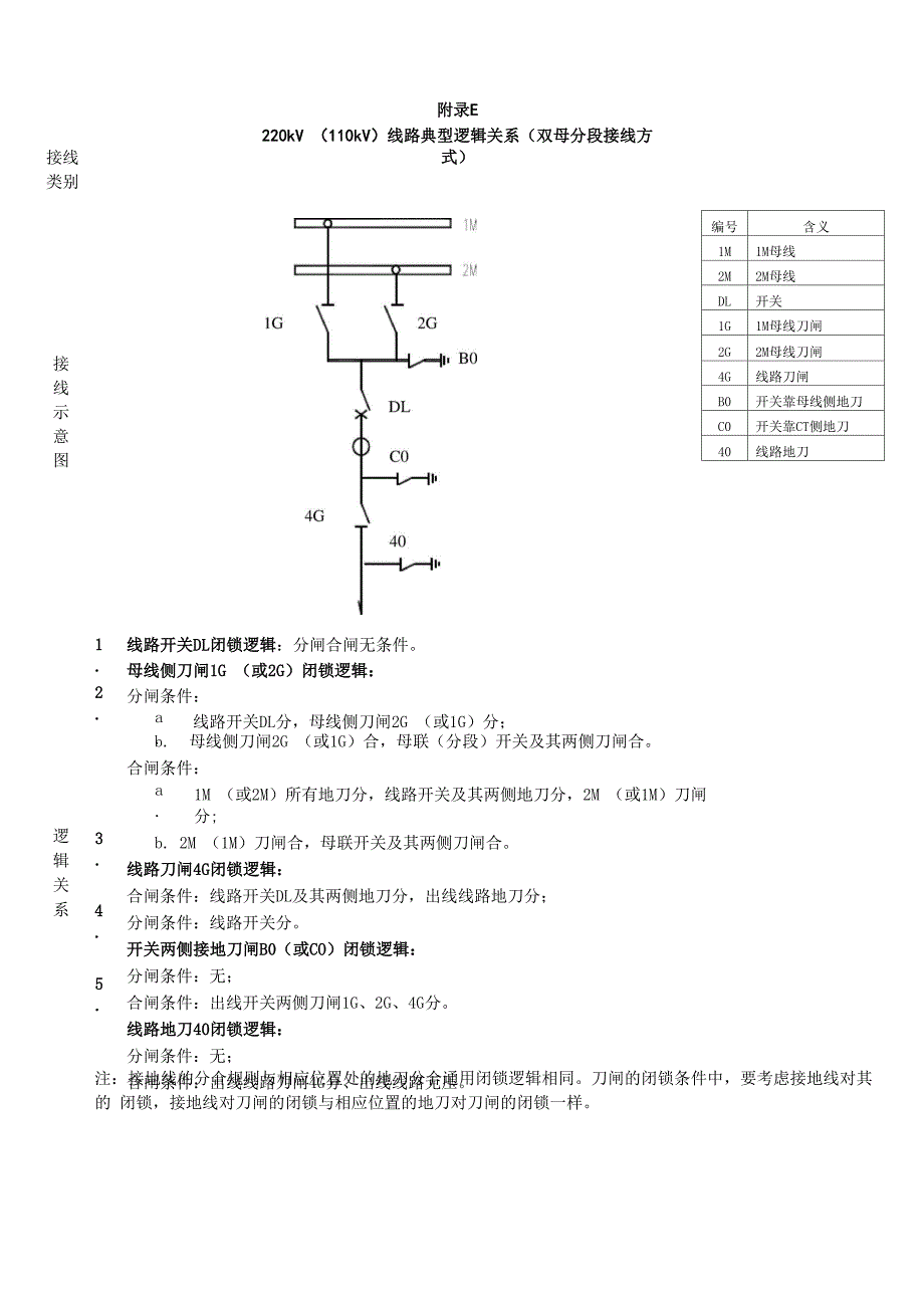
附录E220kV (110kV)线路典型逻辑关系(双母分段接线方式)接线类别接 线 示 意 图编号含义1M1M母线2M2M母线DL开关1G1M母线刀闸2G2M母线刀闸4G线路刀闸B0开关靠母线侧地刀C0开关靠CT侧地刀40线路地刀1.2.线路开关DL闭锁逻辑:分闸合闸无条件母线侧刀闸1G (或2G)闭锁逻辑:分闸条件:线路开关DL分,母线侧刀闸2G (或1G)分;a.逻 辑 关 系3.4.5.b. 母线侧刀闸2G (或1G)合,母联(分段)开关及其两侧刀闸合合闸条件:1M (或2M)所有地刀分,线路开关及其两侧地刀分,2M (或1M)刀闸分;b. 2M (1M)刀闸合,母联开关及其两侧刀闸合线路刀闸4G闭锁逻辑:合闸条件:线路开关DL及其两侧地刀分,出线线路地刀分;分闸条件:线路开关分开关两侧接地刀闸B0(或CO)闭锁逻辑:分闸条件:无;合闸条件:出线开关两侧刀闸1G、2G、4G分线路地刀40闭锁逻辑:分闸条件:无;合闸条件:出线线路刀闸4G分、出线线路无压a.注:接地线的分合规则与相应位置处的地刀分合通用闭锁逻辑相同刀闸的闭锁条件中,要考虑接地线对其的 闭锁,接地线对刀闸的闭锁与相应位置的地刀对刀闸的闭锁一样。

附录A500kV线-变串典型逻辑关系(二分之三接线类型)接线类别接 线 示 意 图屈 E 051 JiQ51.C/助 ::’卜应 谢 CE1编号含义1M\2M1M\2M母线QOA\B\CA\B\C开关Q1\Q21M\2M刀闸Q6Cc开关主变侧刀闸Q51CC开关母线侧地刀Q52CC开关CT侧地刀Q61B开关线路侧刀闸Q62B开关主变侧刀闸Q51BB开关IM侧地刀Q52BB开关2M侧地刀Q6AA开关线路侧刀闸Q51AA开关母线侧地刀Q52AA开关CT侧地刀Q53A线路侧地刀Q53C主变侧地刀Q26\Q252M地刀Q16\Q151M地刀1.2.3.逻 辑 关 系4.5.开关A、B、C闭锁逻辑:分闸合闸无条件1M母线侧刀闸Q1闭锁逻辑:合闸条件:1M所有地刀Q15、Q16分,线路开关Q0A分,线路开关A两侧地刀Q51A、Q52A分; 分闸条件:线路开关Q0A分2M母线侧刀闸Q2闭锁逻辑:合闸条件:2M所有Q25、Q26地刀分,主变开关Q0C分,主变开关C两侧地刀Q51C、Q52C分; 分闸条件:主变开关Q0C分B开关线路侧刀闸Q61闭锁逻辑:合闸条件:线路侧地刀Q53A分,开关Q0B分,开关B两侧地刀Q51B、Q52B分;分闸条件:开关Q0B分。

B开关主变侧刀闸Q62闭锁逻辑:合闸条件:主变三侧地刀分,开关Q0B分,开关B两侧地刀Q51B、Q52B分; 分闸条件:开关Q0B分A开关线路刀闸Q6A闭锁逻辑:合闸条件:线路侧地刀Q53A分,线路开关Q0A分,线路开关A两侧地刀Q51A、Q52A分; 分闸条件:线路开关Q0A分C开关主变侧刀闸Q6C闭锁逻辑:合闸条件:主变三侧地刀分,主变开关Q0C分,主变开关C两侧地刀Q51C、Q52C分; 分闸条件:主变开关Q0C分8. 线路侧地刀Q53A闭锁逻辑:合闸条件:A开关线路侧刀闸Q6A分,B开关线路侧刀闸Q61分,线路无电; 分闸条件:无9. 主变侧地刀Q53C闭锁逻辑:合闸条件:C开关主变侧刀闸Q6C分,B开关主变侧刀闸Q62分,主变其余各侧刀闸分开(无电); 分闸条件:无10. A开关两侧地刀Q51A、Q52A闭锁逻辑:分闸条件:无;合闸条件:A开关两侧刀闸QI、Q6A分开11. B开关两侧地刀Q51B、Q52B闭锁逻辑:分闸条件:无;合闸条件:B开关两侧刀闸Q61、Q62分开12. C开关两侧地刀Q51C、Q52C闭锁逻辑:分闸条件:无;合闸条件:C开关两侧刀闸Q2、Q6C分开13. 1M母线地刀Q15\Q16闭锁逻辑:分闸条件:无;合闸条件:1M母线上所有1M侧刀闸分开。

14. 2M母线地刀Q25\Q26闭锁逻辑:分闸条件:无;合闸条件:2M母线上所有2M侧刀闸分开注:接地线的分合规则与相应位置处的地刀分合通用闭锁逻辑相同刀闸的闭锁条件中,要考虑接地线对其的 闭锁,接地线对刀闸的闭锁与相应位置的地刀对刀闸的闭锁一样接线类别2'dC \021 2―I― !■接 线 示 意 图-编号含义1M1M母线2M2M母线Q0变中开关Q11M母线刀闸Q22M母线刀闸Q9主变刀闸Q51开关靠母线侧地刀Q52开关靠CT侧地刀Q8变中地刀Q62B开关靠主变刀闸Q53C变高地刀Q6C变高靠主变侧刀闸Q9S变低刀闸附录c500kV主变220kV侧典型逻辑关系500kV主变220kV侧典型逻辑关系1. 变中开关Q0闭锁逻辑:分闸合闸无条件2. 变中母线侧刀闸Q1 (或Q2)闭锁逻辑:合闸条件:a.1M (2M)所有地刀分、主变变中开关Q0分,变中开关两侧地刀Q51、Q52分,2M (1M)刀闸Q2(Q1)分;b. 2M (1M)刀闸Q2 (Q1)合,220kV母联开关及其两侧刀闸合分闸条件:a.主变变中开关Q0分,2M (1M)刀闸Q2 (Q1)分;逻 辑 关 系b. 2M (1M)侧刀闸Q2 (Q1)合,220kV母联开关及其两侧刀闸合。

3. 变中主变侧刀闸Q9闭锁逻辑:合闸条件:主变变中开关Q0分,主变变中开关两侧地刀Q51、Q52分,主变三侧地刀(地线)Q8、Q53C、 TO-D 分;分闸条件:主变变中开关Q0分4. 主变变中主变侧地刀Q8闭锁逻辑:合闸条件:主变变高靠主变侧刀闸Q6C分,B开关靠主变刀闸Q62分,主变变中Q9刀闸分,主变变低刀闸 Q9S在分闸位置;分闸条件:无5. 主变变中开关两侧地刀Q51、Q52闭锁逻辑:合闸条件:主变变中两侧刀闸Q1、Q2、Q9分;分闸条件:无注:接地线的分合规则与相应位置处的地刀分合通用闭锁逻辑相同刀闸的闭锁条件中,要考虑接地线对其的 闭锁,接地线对刀闸的闭锁与相应位置的地刀对刀闸的闭锁一样。

下载提示
相似文档
正为您匹配相似的精品文档