文档详情

单轨吊轨道选型安装标准

桔****
实名认证
店铺
DOCX
618.50KB
约16页
文档ID:470942451
单轨吊轨道选型安装标准_第1页
1/16

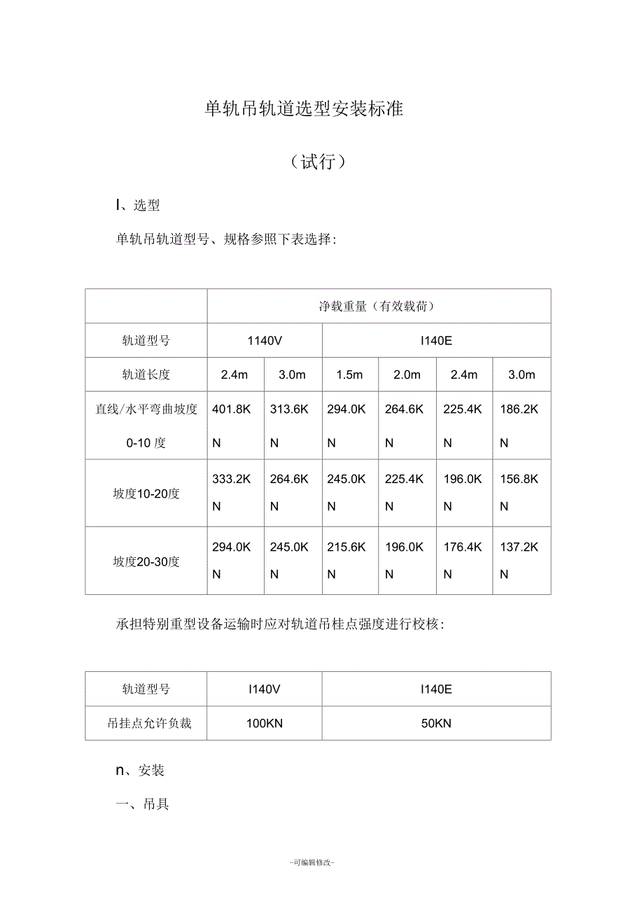
单轨吊轨道选型安装标准(试行)I、选型单轨吊轨道型号、规格参照下表选择:净载重量(有效载荷)轨道型号1140VI140E轨道长度2.4m3.0m1.5m2.0m2.4m3.0m直线/水平弯曲坡度401.8K313.6K294.0K264.6K225.4K186.2K0-10 度NNNNNN333.2K264.6K245.0K225.4K196.0K156.8K坡度10-20度NNNNNN294.0K245.0K215.6K196.0K176.4K137.2K坡度20-30度NNNNNN承担特别重型设备运输时应对轨道吊桂点强度进行校核:轨道型号I140VI140E吊挂点允许负裁100KN50KNn、安装一、吊具单轨吊轨道吊具包括锚杆、 吊桂板、高强度螺栓、圆环链、U型索具等其中锚杆不小于M22*2200,锚固力不小于80KN/ 根;连接螺栓为10.9级以上高强度螺栓;圆环链规格为 18*64mm 或18*90mm (T8) , U型索具额定载荷在 8.5t以 上二、吊桂形式1、锚喷巷道锚喷巷道采用锚杆+吊桂板+圆环链、锚杆+圆环链两种生 根形式1)单链吊桂方式如图1所示此吊桂方式适应于10 °以下的一般运输巷(采 掘工作面机风巷)使用。

1.锚杆5.① 18X64mm图1单链单吊挂板吊挂方式2 .专用吊挂板6.U型吊环3 .高强螺栓 M20 M00 4.专用垫块7.高强螺栓M20 M20 8.I140E轨道-可编辑修改-(2)双链吊桂方式①双锚杆双链无吊桂板吊桂万式如图2所示,此吊桂方式适应于10°以上的一般运输巷(采 掘工作面机风巷)使用图2双锚杆双链无吊挂板吊挂方式to一1.锚杆 2.双螺帽3 .①18 X64mm链环4 .U型吊环5 .高强螺栓M20 X120 6.I140E轨道②四锚杆双链双吊桂板轻轨吊桂方式 如图3所示,此吊桂方式是适应于 10°以下的主要运输巷使用图3 四锚杆双链双吊挂板吊挂方式③四锚杆双链双吊桂板重轨吊桂方式如图4所示,四锚杆双链双吊桂板重轨吊桂形式一般选用 两根中18X90mm吊桂链,每根吊桂链采用一个吊桂板加两根 锚杆固定,即每个吊桂点采用 4根锚杆吊桂1.锚杆5.高强螺栓 M20 X100图4四锚杆双链双吊挂板重轨吊挂方式2 .专用吊挂板3 .专用垫块6.①18X90mm 链环 7.吊具4.双螺母8.I140V 轨道(3)三链吊桂方式如图5所示,此吊桂方式是适应于 10以上的主要运输巷使用。

图5四锚杆三链单吊挂板吊挂方式CMi2、架棚巷道架棚巷道采用卡具+圆环链、圆环链捆绑在U型钢上生根形式1)单链吊桂方式如图6a、图6b所示图6 a卡具吊挂U型钢图6 b单链捆绑U型钢吊挂(2)双链吊桂方式如图7a、图7b所示图7a专用卡板吊挂吊挂青位于棚蹩冏吊挂小套图图7b双链捆绑U型钢吊挂注:U型棚吊桂方式除以上两种方式外, 可根据现场实际增加吊链田、铺设标准、轨道1、轨道铺设要求目视直顺,轨道无明显变形,轨道接头水平、垂直偏差均不得大于 2mm ,下轨面接头轨缝不得小于1mm ,不得大于4mm ,曲线段不得大于 3mm直线段用10m 的弦量不超过 20mm o弯道接头摆角水平方向不超过 30,垂直方向不超过7 oo曲线过渡要圆顺,同一线路必须使用同型 号单轨如图8所示图8接头的连接2、吊链铅垂位置与轨道接头前后误差: 10°以下巷道不得超过70mm , 10 以上巷道不得超过200mm,但吊桂点必须 设在垂直轨道吊桂点的偏上位置,如图 9所示图9斜巷吊挂方式3、轨道连接部的锥形口角度为 4 -6 轨道与吊链夹角:80 W [00 °(平巷),轨道与吊板夹角:-3 < 3^ (见图10), 两连接轨道上平面夹角:-1° &1《见图11)。

—工图114、轨道的各吊桂点间距偏差不得大于 20mm ,10组吊桂点间距的累计偏差不得大于 50mm o二、线路1、平巷段(5以下)平巷段每隔5个生根点(9〜15m)应加一道防横向偏摆 吊链(见图12a、b),或每隔十个生根点(20〜30 m)安装 一套稳固装置(见图13)图12a防横向偏摆吊链图12b防横向偏摆吊链图13稳固装置2、斜巷段50 70°斜巷段的每隔3个生根点(6〜9m)应加一道防 横向偏摆吊链(见图12a、图12b)或每隔五个生根点(15〜 20m )安装一套稳固装置绳式单轨吊斜巷段轨道必须使用防 纵向窜动吊链(见图14) o麻图14防纵向窜动吊链3、转弯段(1)水平弯道水平弯道采用双链吊桂方式,如图 15所示水平弯道每个生根点应加一道防横向偏摆吊链 轨道要曲线圆顺,弯道水平曲率半径不得小于 6m,竖曲率半径不得小于 12m见图 1 6a、b)图15弯道双链吊挂方式图1 6b平巷弯道的水平半径与垂直半径(2)弓弯道在垂直方向上,两节相邻轨道的摆角最大不得超过轨道长度为1.5m/根,如图17所示,轨道接头采用双链吊桂如图2吊桂方式一样图17弓弯道的吊挂方式(3)底弯道如图18所示,轨道接头处转角小于 60轨道长度为1.5m/ 根,轨道接头采用双链吊桂如图 2吊桂方式一样。

图18底弯道吊挂方式(4)单轨吊与巷道之间的安全距离要求巷道高度按满足单轨吊吊运最高设备时距巷道底板的问 隙不小于0.2m确定,距行人侧巷帮最突生部位的间距不小于 0.7m ,另一侧间距不小于 0.3m,距离底板不小于 0.2m,驱动轮 距巷道顶最突由部分(包括锚杆、金属网、棚体等)不小于 0.1m o当单轨吊轨道与皮带机同巷布置时,单轨吊吊运最大 物件最突生部位与皮带机间距不小于 0.2m o (见图19)图19单轨吊与皮带机同巷布置安全距离示意图IV、车场、道岔一、车场采用单轨吊形成整个采区区域运输轨道系统,每间隔1000m左右设1处中间车场,如柴油机单轨吊等, 如图20所 示图20中间车场布置图掘进工作面铺设的吊轨要及时跟迎头延伸, 保证卸料地点距迎头不超过100m o二、道岔道岔安装,如图21所示固定方式同轨道线路,每组道 岔固定点数不少于7处,均匀分布在道岔上图21道岔1.道岔 2.风动控制装置 3.道岔闭锁装置 4.合茬梁 5.弯道梁Welcome ToDownload !!!欢迎您的下载,资料仅供参考!。

下载提示
相似文档
正为您匹配相似的精品文档