文档详情

GPS控制测量各种规范限差

ni****g
实名认证
店铺
DOC
322.50KB
约11页
文档ID:460424362
GPS控制测量各种规范限差_第1页
1/11

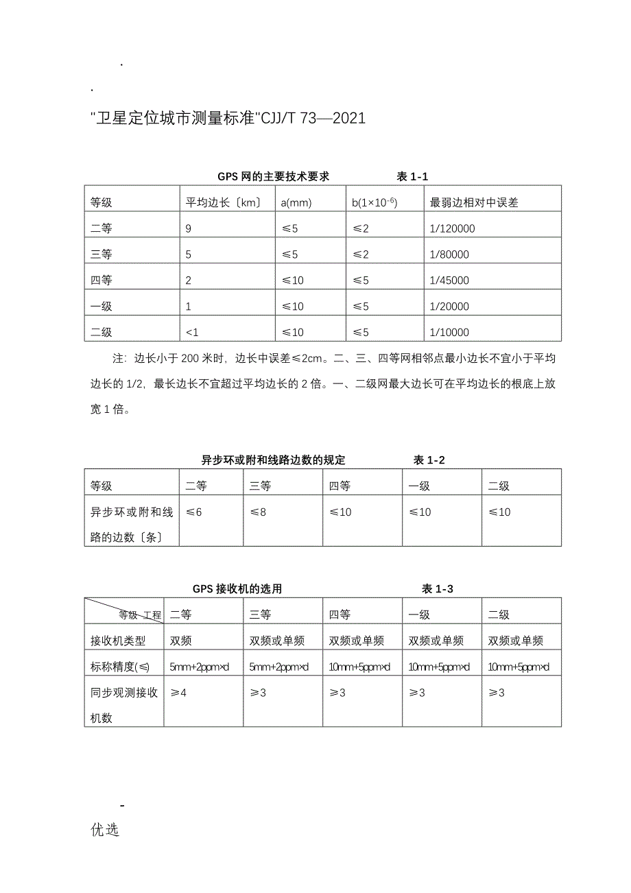
."卫星定位城市测量标准"CJJ/T 73—2021GPS网的主要技术要求 表1-1等级平均边长〔km〕a(mm)b(1×10-6)最弱边相对中误差二等9≤5≤21/120000三等5≤5≤21/80000四等2≤10≤51/45000一级1≤10≤51/20000二级<1≤10≤51/10000注:边长小于200米时,边长中误差≤2cm二、三、四等网相邻点最小边长不宜小于平均边长的1/2,最长边长不宜超过平均边长的2倍一、二级网最大边长可在平均边长的根底上放宽1倍异步环或附和线路边数的规定 表1-2等级二等三等四等一级二级异步环或附和线路的边数〔条〕≤6≤8≤10≤10≤10GPS接收机的选用 表1-3 等级 工程二等三等四等一级二级接收机类型双频双频或单频双频或单频双频或单频双频或单频标称精度(≤)5mm+2ppm×d5mm+2ppm×d10mm+5ppm×d10mm+5ppm×d10mm+5ppm×d同步观测接收机数≥4≥3≥3≥3≥3- 优选. .GPS测量各等级作业的根本技术要求 表1-4工程等级 观测方法二等三等四等一级二级卫星高度角(°)静态≥15≥15≥15≥15≥15有效观测同类卫星数静态≥4≥4≥4≥4≥4平均重复设站数静态≥2.0≥2.0≥1.6≥1.6≥1.6时段长度(min)静态≥90≥60≥45≥45≥45数据采样间隔〔s〕静态10—3010—3010—3010—3010—30PDOP值静态<6<6<6<6<6各项限差规定σ〔采用表1-1加乘常数〕同步环闭合差限差, , , 同步环只计算三边同步环,,d按照该等级平均边长计算,—环闭合差,异步环闭合差限差, , , —独立环的边数,d按照该等级平均边长计算,,—环闭合差,重复基线限差复测基线的长度较差ds,同一基线不同时段较差应满足 〔按照实际边长计算〕三维无约束平差中,基线分量的改正数〔,,〕绝对值应满足以下要求,, d按照基线边长计算约束平差中,基线分量的改正数与经过剔除粗差后的无约束平差结果的同一基线相应改正数较差应满足以下要求〔或者进展点检查,点点位变化相对于约束点的边长相对中误差不应低于表1-1规定的上一等级控制网中最弱边相对中误差〕,, d按照基线边长计算. .word.zl.. ."工程测量标准"GB50026-2007GPS网的主要技术要求 表2-1等级平均边长〔km〕a(mm)b(1×10-6)最弱边相对中误差二等9≤10≤21/120000三等4.5≤10≤51/70000四等2≤10≤101/40000一级1≤10≤201/20000二级0.5≤10≤401/10000控制网测量中误差m≤σ,N为控制网中异步环的个数,n为异步环边数,W为异步环全长闭合差。

GPS测量各等级作业的根本技术要求 表2-2工程等级 观测方法二等三等四等一级二级卫星高度角(°)静态≥15≥15≥15≥15≥15有效观测同类卫星数静态≥5≥5≥4≥4≥4平均重复设站数静态≥2.0≥2.0≥1.6≥1.6≥1.6时段长度(min)静态30—9020—6015—4510—3010—30数据采样间隔〔s〕静态10—3010—3010—3010—3010—30PDOP值静态<6<6<6<8<8各项限差规定σ〔采用表2-1加乘常数〕同步环闭合差限差, , , —同步环的边数,,d按照该等级平均边长计算,—环闭合差,异步环闭合差限差, , , —独立环的边数,d按照该等级平均边长计算,,—环闭合差,重复基线限差复测基线的长度较差ds,同一基线不同时段较差应满足 〔按照实际边长计算〕三维无约束平差中,基线分量的改正数〔,,〕绝对值应满足以下要求,, d按照基线边长计算约束平差中,控制网的最弱边边长相对中误差,应满足表2-1中相应等级的规定 .word.zl.. ."全球定位系统〔GPS〕测量标准"GB/T18314-2021GPS网的主要技术要求表3-1级别相邻点基线分量中误差相邻点间平均距离〔km〕水平分量(mm)垂直分量(mm)B51050C102020D20405E20403最简异步环或附和路线的边数的规定 表3-2等级BCDE异步环或附和线路的边数〔条〕≤6≤6≤8≤10GPS接收机的选用 表3-3级别BCDE单频/双频双频/全波长双频/全波长双频或单频双频或单频观测量至少有L1、L2载波相位L1、L2载波相位L1载波相位L1载波相位同步观测接收机数≥4≥3≥2≥2. .word.zl.. .GPS测量各等级作业的根本技术要求 表3-4工程级别BCDE卫星高度角(°)≥10≥15≥15≥15有效观测同类卫星数≥4≥4≥4≥4有效观测卫星总数≥20≥6≥4≥4观测总时段数≥3≥2≥1.6≥1.6时段长度≥23h≥4h≥60min≥40min采样间隔〔s〕3010—305—155—15注1:计算有效观测卫星总数时,应将各时段的有效观测卫星数扣除其间的重复卫星数。

注2:观测时段长度,应为开场记录数据到完毕记录的时间段注3:观测时段数≥1.6,指采用网观测模式时,每站至少观测一时段,其中二次设站点数应不少GPS网总点数的60%注4:采用基于卫星定位连续运行基准站点观测模式时,可连续观测,但观测时间应不低于表中规定的各时段观测时间的和下面各项限差规定中使用的σ〔采用外业测量时使用的GPS接收机的标称精度,计算时边长d按实际平均边长计算〕同步环闭合差限差〔对于4站以上同步观测时段,在处理完各边观测值后,应检查一切可能的三边环闭合差〕, , , 同步环只计算三边同步环,—环闭合差,异步环闭合差或附合路线坐标差限差ω及坐标分量闭合差应满足以下要求, , , —独立环的边数,—环闭合差,重复基线限差复测基线的长度较差ds,同一基线不同时段较差应满足 〔按照实际边长计算〕三维无约束平差中,基线分量的改正数〔,,〕绝对值应满足以下要求,, d按照基线边长计算约束平差中,基线分量的改正数与经过剔除粗差后的无约束平差结果的同一基线,相应改正数较差的绝对值应满足以下要求〔C、D、E级网平差后,其精度应符合表3-1规定,国家三、四等大地控制网的B、C、D级,其相对精度应分别不低于1×10-7、1×10-6、1×10-5。

〕,, d按照基线边长计算. .word.zl.. ."公路勘测标准"JTG C10—2007GPS网的主要技术要求 表4-1测量等级固定误差a(mm)比例误差b(mm/km)相邻点间平均边长〔km〕最弱相邻点边长相对中误差二等≤5≤13.01/100000三等≤5≤22.01/70000四等≤5≤31.01/35000一级≤10≤30.51/20000二级≤10≤50.31/10000注:四等及四等以。

下载提示
相似文档
正为您匹配相似的精品文档