文档详情

SZ11-3150KVA有载调压变压器介绍.doc

自***
实名认证
店铺
DOC
111.95KB
约5页
文档ID:126240271
SZ11-3150KVA有载调压变压器介绍.doc_第1页
1/5

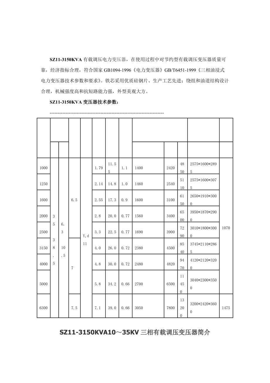
SZ11-3150KVA有载调压电力变压器,在使用过程中对节约型有载调压变压器质量可靠,经济指标合理,符合国家GB1094-1996《电力变压器》GB/T6451-1999《三相油浸式电力变压器技术参数和要求》铁芯采用优质硅钢片、生产工艺先进;绕组和油道结构设计合理,机械强度高和抗短路能力强,外型美观大方SZ11-3150KVA变压器技术参数:------------------------------------------------------------------------额定容量(KVA)额定电压(KV)短路阻抗(%)联结组标号空载损耗(KW)负载损耗(KW)空载电流(%)质量(Kg)外型尺寸(长*宽*高)(L*W*H,mm)轨距(mm)高压低压油器身总体10003538.56.310.56.5Y,d111.7911.551.11400242048502575*1600*2895107012502.1414.81.01460254051102575*1600*307516002.5517.30.91600310061502650*1910*300020002.820.00.771560340065003950*1870*290025003.322.50.771690390072903010*1800*3000315074.026.00.722380450085403745*2110*286540004.830.00.722480482094704120*2120*320050005.834.20.6627006500114503040*2300*350063007.57.139.00.6630507800132003200*2420*36001475 SZ11-3150KVA10~35KV三相有载调压变压器简介适用范围:该产品可在带负荷运行状态下自动(或手动)调整电压,特别适用于对电压要求较稳定和电网电压变化较大、较频繁的场所。

产品特点:性能优越:其性能指标达到国际先进水平节能效果显著,与GB6451-1999相比,空载损耗平均下降30%,负载损耗平均下降22.4%产品调压范围大(4*2.5%),并可实行远距离自动(或手动)调压线圈温升低,过载能力强,器身采用牢固的结构,抗短路能力强波纹油箱,波纹片采用进口设备制成,美观、实用、耐用油箱、夹件经酸洗磷化处理,除油除锈后多次涂漆,局漆后的箱体漆膜不脱落有载调压变压器,一种可以在不停电的情况下进行手动或自动有级电压调节的油浸式变压器,产品选用日本优质的30ZH120高导磁性能硅钢片,空载损耗低,运行可靠,效率高,损耗低,噪音低,安装简单等优点,各项技术性能指标均超过国家标准,达到国外先进国家水平适用于季节性负荷变化幅度比较大的农村电网,还适用于一些昼夜负荷变化显著的城市商业区、开发区、工业区等配电地区有载调压变压器的原理介绍 其基本原理是从变压器某一侧的线圈中引出若干分接头,通过有载分接开关,在不切断负荷电流的情况下,由一分接头切换到另一分接头,以变换有效匝数,达到调节电压的目的SZ11-3150KVA有载调压变压器有两种调压方式,一种是无载调压,一种是有载调压。

有载调压就是在变压器运行时可以调解变压器的电压无励磁调压和有载调压都是指的变压器分接开关调压方式,区别在于无励磁调压开关不具备带负载转换档位的能力,因为这种分接开关在转换档位过程中,有短时断开过程,断开负荷电流会造成触头间拉弧烧坏分接开关或短路,故调档时必须使变压器停电因此一般用于对电压要求不是很严格而不需要经常调档的变压器而有载分接开关则可带负荷切换档位,因为有载分接开关在调档过程中,不存在短时断开过程,经过一个过渡电阻过渡,从一个档转换至另一个档位,从而也就不存在负荷电流断开的拉弧过程一般用于对电压要求严格需经常调档的变压器而有载调压分接开关一般有3个或者5个档位,或者更多,根据实际情况调压,通常用1挡,即使电压保持+5%Ue,以保证线路末端电压质量传统的调压是机械式,新型的都是电子的有载调压变压器和普通的油浸式变压器的区别:1、有载调压变压器的最大优势是能在不停电的情况下,带负荷调整电压;而一般的无载调压变压器却需要停电后手工调整电压;2、从价格上看,有载调压变压器价格贵一些,安装成本也高;如果出现问题,维修的费用也会高一些;3、从选用上看,如果你所在地区供电电压不稳定,负荷不稳定,本身对电压质量的要求还比较高,需要经常调整电压,则应选用有载载调压型变压器;4、从可靠性看,如果你的生产工艺是连续化生产,而电压时有偏差,则选用有载调压变压器会提高供电的可靠性;5、从管理上看,有载调压使用时不用停电,也就不用试验,而过去的无载调压变压器,采用手工调节“分头”后,还要进行“变压器直流电阻测试”,检查分头是不是真倒过去了,所以需要专业人士和专业仪器,相对费事;6、大型变压器都是选用有载调压型的,而小型配电变压器多选用有载调压的,但近年来随经济能力的提升,许多用户愿意选用有载调压型的变压器。

SZ11-3150KVA三相有载调压变压器功能概述: 根据国家采用新型节能产品的精神,我公司组织设计了SZ11型35KV系列有载调压电力变压器其性能完全符合GB/T64551-1999《三相油浸式电力变压器技术参数和要求》、GB1094.3-5-1985《电力变压器》的要求 SZ11-3150KVA三相有载调压变压器结构简介 铁心采用DQ140-30优质冷轧硅钢片全斜接缝粘带绑扎高低压绕组采用饼式线圈结构,中部调压采用纠结方式油箱采用桶式油箱,片式散热器,整体结构安全可靠,保护措施齐全外形紧凑美观。

下载提示
相似文档
正为您匹配相似的精品文档