文档详情

公司运作流程图

人***
实名认证
店铺
PDF
188.83KB
约6页
文档ID:571948977
公司运作流程图_第1页
1/6

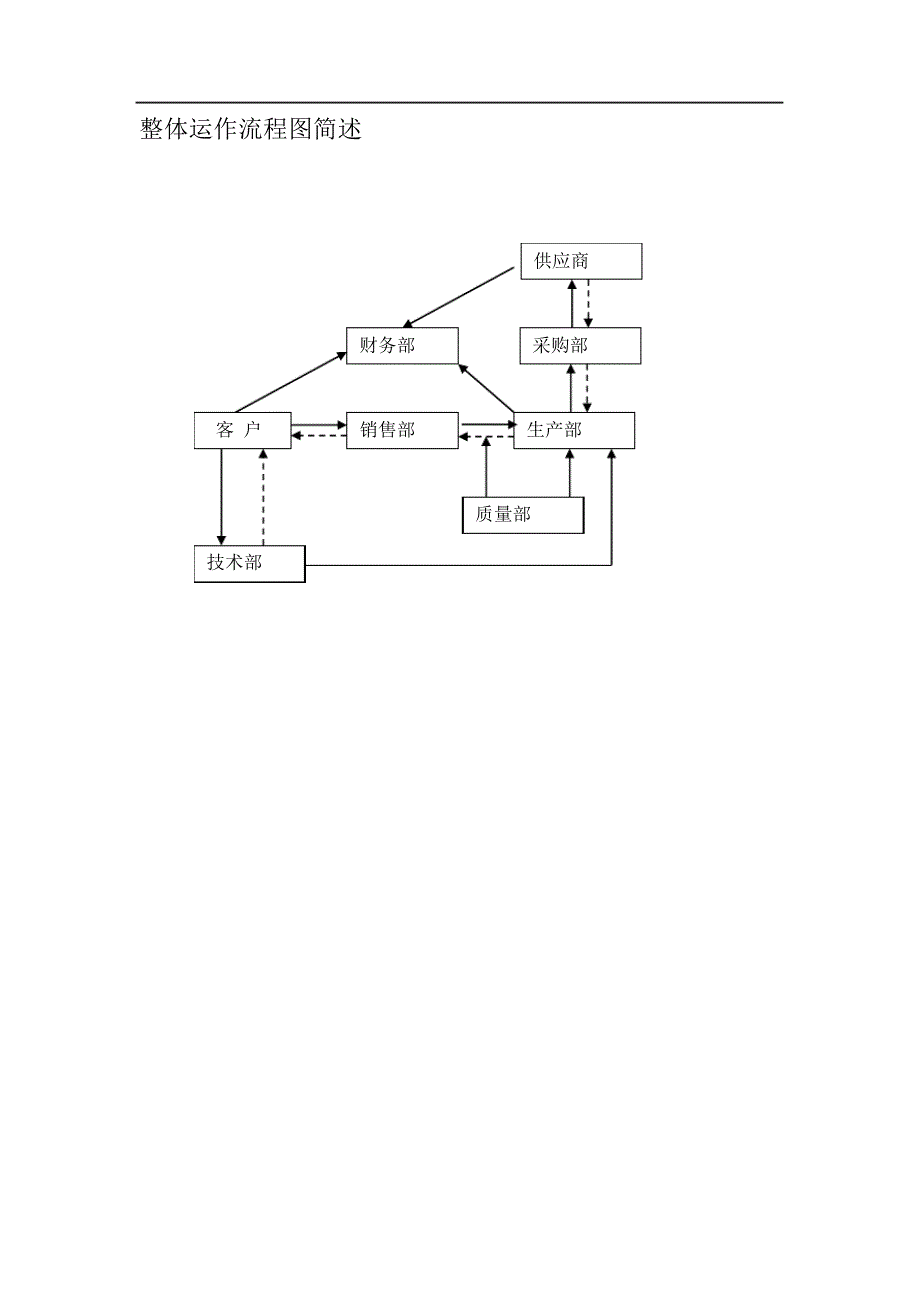
整体运作流程图简述 客 户 销售部 生产部 采购部 技术部 财务部 供应商 质量部 整体产品生产流程图 库房原材料 炼胶车间配方配料 挤管车间挤管生产线 油压车间模压生产线 注塑/铝管生产管胚库半成品库房 装模车间包装生产线 检验车间包装生产线 剪边组生产线 成品库房 主要生产车间流程图 炼胶车间生产流程图 炼胶车间生产计划单 二次加工 销售订单 成品生产计划单 自动转成或添加数据 技术部 调用技术部(成品转化原材料估算量)信息转成 做配料详细日排产计划 调用技术部(生产线生产量)信息转成 质量部检验 调用技术部(配料检验标准)信息进行检验 注塑/铝管生产 次品仓 报废 不合格 报废 油压车间生产 挤管车间生产 挤管车间、注塑/铝管车间、油压车间生产流程图 生产计划单 各生产车间 炼胶车间 炼胶车间发放配方胶料 调用生产计划数据 技术部 调用技术部生产工艺数据 各生产车间生产计划单 二次生产 各生产车间详细日排产计划 质量部检验 次品仓 报废 不合格 调用技术部(配料检验标准)信息进行检验 检验车间 检验车间生产流程图 销售单 检验车间 挤管车间、油压车间、注塑/铝管车间 技术部 各工序小组检验计划单 调用技术部生产工艺数据 各工序小组检验工作 次品仓 报废 调用技术部(配料检验标准)信息进行检验 成品仓库 检验合格包装入库 。

下载提示
相似文档
正为您匹配相似的精品文档