文档详情

铁路货车主要轮对型式和基本尺寸

公****
实名认证
店铺
DOC
597KB
约9页
文档ID:476246308
铁路货车主要轮对型式和基本尺寸_第1页
1/9

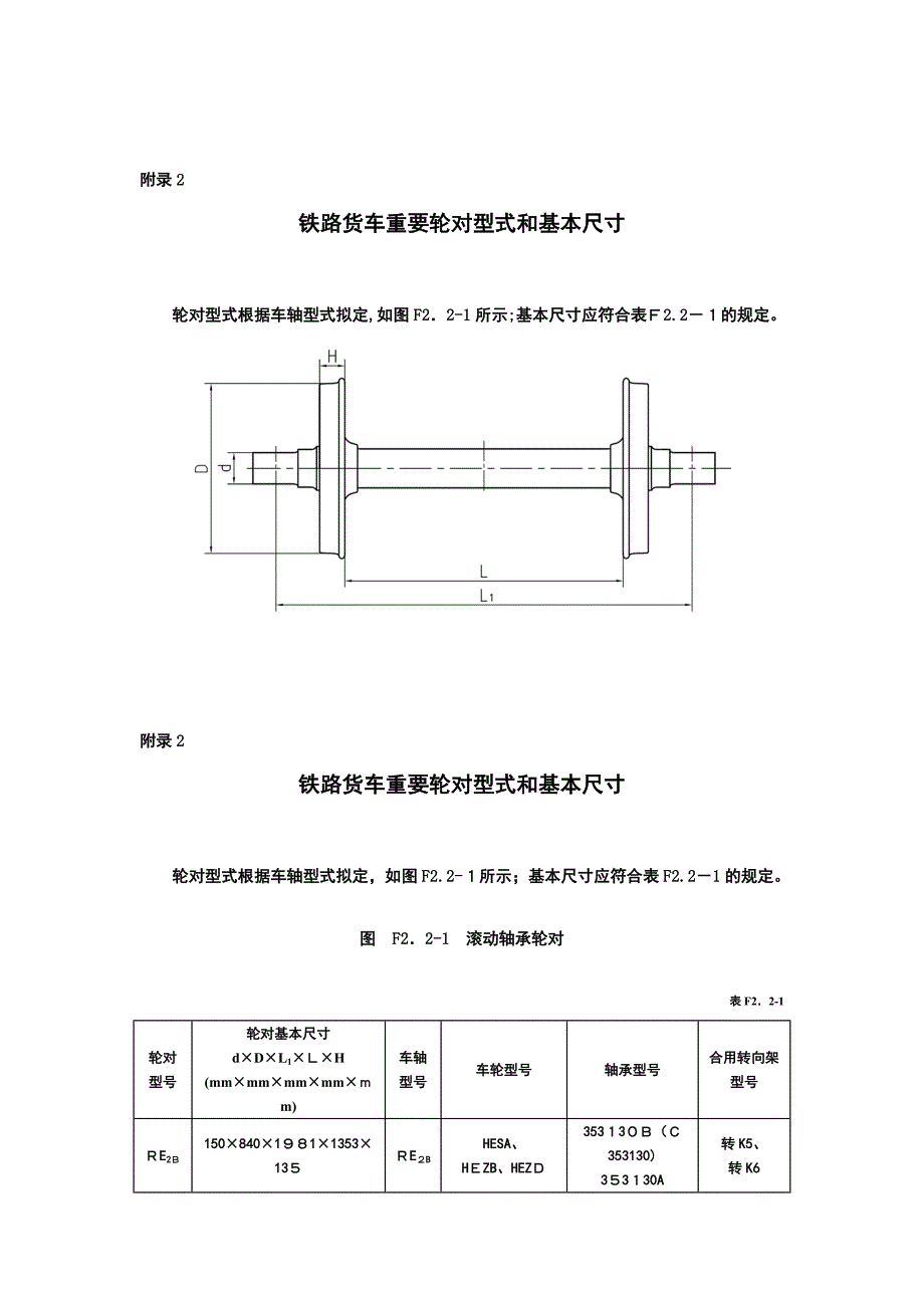
附录2铁路货车重要轮对型式和基本尺寸轮对型式根据车轴型式拟定,如图F2.2-1所示;基本尺寸应符合表F2.2-1的规定附录2铁路货车重要轮对型式和基本尺寸轮对型式根据车轴型式拟定,如图F2.2-1所示;基本尺寸应符合表F2.2-1的规定图 F2.2-1 滚动轴承轮对表F2.2-1轮对型号轮对基本尺寸d×D×L1×L×H(mm×mm×mm×mm×mm)车轴型号车轮型号轴承型号合用转向架型号RE2B150×840×1981×1353×135RE2BHESA、HEZB、HEZD353130B(C353130)353130ACTBU150(SKF ITALY V 0R-7030A)转K5、转K6RE2A150×840×1981×1353×135RE2AHESA、HEZB、HEZD353130X2-2RZ353130-2RS(SKFTBU150)TBU150(SKF ITALY V 0R-7032)TAROL150/250TVP 808997AP150转K5、转K6RE2150×840×1956×1353×135RE2E197730/RD2130×840×1956×1353×135RD2D、HDS、HDSA、HDZ、HDZA、HDZB、HDZC、HDZD352226X2-2RZ(TN) SKF197726197726TNAP130转8A、转8G转8AG、转K1、转K2、转K3、转K4、RD2Y130×915×1956×1353×135RD2Y /42726QT、152726QTNJ3226X1、NJP3226X12TNRB2100×840×1905×1353×135RB2HBS197720转9RD3130×915×1956×1353×135RD3KDS42726QT、152726QTNJ3226X1、NJP3226X1/附录3铁路货车车轴型式、基本尺寸和理化性能F2.3.1 车轴型式和基本尺寸车轴型式如图F2.3—1所示,基本尺寸应符合表F2.3-1的规定。

图F2.3-1  滚动轴承车轴表 F2.3-1 车轴型号尺寸(mm)计算重量(kg)d1 d2d4d5L1(L2)L3(l1)L2L4RE2B150+0.068 +0.043180+0.085 +0.058210+1 -2184+2 02181+1 019811761±121083266.5451RE2A150+0.068 +0.043180+0.085 +0.058210+1 -2184+2 02191+1 019811731±123048229451RE2150+0.068 +0.043180+0.085 +0.058206+1 -2184+2  02166+1  019561686±124068251.5440RD2130+0.052 +0.025165+0.085 +0.058194+1 -2174+2  02146+1  019561706±122053239380RD2Y130+0.068 +0.043165+0.20 +0.12194+1 -2174+2  02146+1  019561706±122053239380RB2100+0.045 +0.023127+0.085 +0.058155+1 -2138+2 02062+1  019051688±118744230232RD3130+0.068 +0.043165+0.20 +0.12194+1 -2174+2 02146+0.5 019561756±0.519578264383附录4铁路货车车轮型式、基本尺寸和理化性能F2.4.1  车轮型式和基本尺寸F2.4.1.1 符合原则TB/T2817-1997的辗钢整体车轮型式如图F2.4-1所示,基本尺寸应符合表F2.4-1的规定。

图F2.4-1  TB/T2817-1997原则的辗钢整体车轮表 F2.4-1规格型号滚动圆外径D轮辋内侧内径D1轮辋外侧内径D2轮毂孔径d1轮毂外径D3毂长L辋宽H毂辋距F辐板厚度测量参照尺寸LS1测量参照尺寸LS2理论重量(kg)材质S1S2f840HESA840740740206286178±31356820269053314CL60HDSA840740740194264178±31356819258555306CL60HDS840710710194274178±31356819257350348CL60HBS840710710155235178±31356819257350342CL60f915KDS915785785194274178±21356819257069391CL60F2.4.1.2 符合TB/T1013-1999原则的铸钢整体车轮型式如图F2.4-2所示,基本尺寸应符合表F2.4-2的规定F2.4-2 TB/T1013-1999原则的铸钢整体车轮型式表2.4-2型号滚动圆轮辋内侧轮辋外侧轮毂孔轮毂孔径轮毂轮毂车轮轮毂辋距辐板厚度理论重量材质外径内径内径径(粗)(精)外径长度辋宽度(最薄处)DD1D2d0d1D3LHFΔS(Kg)HEZD840+607400-47400-41980-4206282±4178±3135+5+268+2022+60325ZL-BHDZD840+607400-47400-41860-4194263±4178±3135+5+268+2021+60315ZL-BHDZB840+607400-87400-81860-4194260+6-2178±3135+5+268+2023+60330ZL-BHDZC840+607400-87400-61860-4194260+6-2178±3135+5+268+2020+60310ZL-BHEZB840+607400-67400-61980-4206278+100178±3135+5+268+2021+60322ZL-BHDZA840+607100-87100-81860-4194260+6-2178±3135+5+268+2025+60371ZL-BHDZ840+1007100-107100-101860-4194289+5-2178±3135+5068+2025+60385ZL-B1980-4206F2.4.1.3 符合GB/T8601-1988原则的辗钢整体车轮型式如图F2.4-3所示,基本尺寸应符合表F2.4-3的规定。

图F2.4-3 GB/T 8601-1988原则的辗钢整体车轮表 F2.4-3规格型号外径D轮辋内侧内径D1轮辋外侧内径D2轮毂孔径d0轮毂外径D3毂辋距E理论重量(kg)f840B840710710138241110344D170273351E186279105353f915PD915785785170273110394F2.4.2 车轮的理化性能F2.4.2.1  车轮的化学成分F2.4.2.1.1 (TB/T2817—1997)车轮的化学成分(熔炼分析)应符合表F2.4-4的规定表F2.4-4 代号钢号化学成分(%)CSiMnPSⅡCL600.55~0.650.17~0.370.50~0.80≤0.035≤0.040注:Cr、Ni、Cu的含量均不不小于0.25%,且Cr+Ni+Cu不不小于0.50%F2.4.2.1.2 (TB/T1013—1999)车轮的化学成分(熔炼分析)应符合表F2.4-5的规定表F2.4-5 代号钢号化学成分(%)CSiMnPSZZL-B0.57~0.67>0.150.60~0.85≤0.035≤0.040F2.4.2.1.3  (GB/T 8601-1988)车轮的化学成分(熔炼分析)应符合表F2.4-6的规定。

表F2.4-6 牌号化学成分(%)CSiMnPSA级B级不不小于CL600.55~0.650.17~0.370.50~0.800.0350.0400.040注:Cr、Ni、Cu的含量均不不小于0.25%F2.4.2.2 车轮的机械性能F2.4.2.2.1  (TB/T2817—1997)车轮的机械性能应符合表F2.4-7的规定表F2.4-7 车轮钢代号车轮钢牌号拉伸实验硬   度常温辐板冲击功(U型缺口)J抗拉强度RmN/㎜2断后伸长率A %断面收缩率Z %踏面下30㎜HBS轮辋表面HBSⅡCL60≥910≥10≥14265~320270~341≥16F2.4.2.2.2  (TB/T1013—1999)车轮的机械性能应符合表F2.4-8的规定表F2.4-8 车轮钢代号车轮钢牌号拉伸实验硬    度常温辐板冲击功(U型缺口)J抗拉强度RmN/㎜2断后伸长率A %踏面下30㎜HBS轮辋表面HBSZZL-B≥910≥4≥265277~341≥10F2.4.2.2.3 (GB/T 8601—1988)车轮的机械性能应符合表F2.4-9的规定表F2.4-9级别车轮牌号及规格拉伸实验硬度HBS常温冲击功J抗拉强度RmN/㎜2断后伸长率A%断面收缩率Z%不不不小于AⅡCL60Φ915。

下载提示
相似文档
正为您匹配相似的精品文档