文档详情

齿轮各项公差表

工****
实名认证
店铺
DOCX
39.27KB
约4页
文档ID:410419638
齿轮各项公差表_第1页
1/4

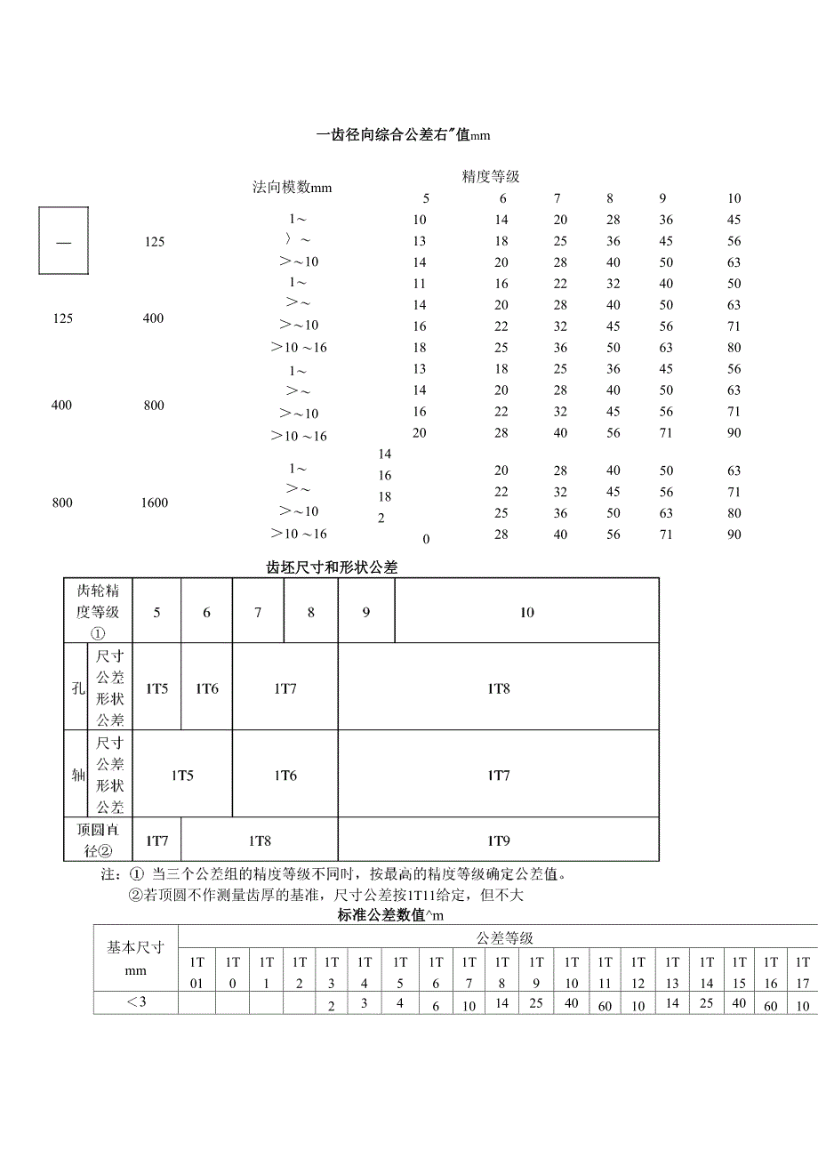
一齿径向综合公差右"值mm法向模数mm精度等级1251254001〜〉〜>〜101〜>〜>〜10>10 〜164008001〜>〜>〜10>10 〜1680016001〜>〜>〜10>10 〜1651013141114161813141620141618206141820162022251820222820222528720252822283236252832402832364082836403240455036404556404550569364550405056634550567150566371齿坯尺寸和形状公差②若顶圆不作测量齿厚的基准,尺寸公差按1T11给定,但不大于10455663506371805663719063718090标准公差数值^m基本尺寸mm公差等级1T011T01T11T21T31T41T51T61T71T81T91T101T111T121T131T141T151T161T17<323461014254060101425406010001218304875121830487512006〜1015223658901522365890150010 〜18111827437011182743701100180018 〜30132133528413213352841300210030 〜501116253962101625396210162500000050 〜801319304674121930467412193000000080 〜1201015223554871422355487140022003500120〜180121825406310162540631016254000000000180〜25010142029467211182946721118294650500000250〜31512162332528113213252811321325200000000315〜40013182536578914233657891423365700000000400〜5001015202740639715254063971550250040006300500〜630111622304470111728447011172844700050000000630〜80010131825355080122032508012502000320050008000齿坯基准面径向跳动*和端面圆跳动公差 mm直径(mm)精度等级到5、679、101812511228400142368002035016002827145注:*当以顶圆作基准面时,本栏就指顶圆的径向跳动。

齿轮的表面粗糙度(Ra)推荐值mm第II公差 组精度等 级5678910R齿面,,齿顶圆 柱面,基准端 面,基准孔 或轴,注:本表不属GB10095-88,供参考非变位直齿圆柱齿轮分度圆上弦齿厚及弦齿高(a0=2O°,ha*=1)1012131415161718192021225253545556575859606162636496979899100101102103104105106107108232465666768109110111112113114115116117118119120121122123124125126127128129130252669707172737475767778798081828384858687888990919293949527282930313233343536373839404142434445464748495051131132133134135140145150 齿条注:1. 用成形铣刀加工齿轮时,标注和测量分度圆弦齿厚和弦齿高; 用范成法加工时,可以标注或测量固定弦厚和弦齿高2. 对于斜齿圆柱齿轮和圆锥齿轮,使用本表时,应以当量齿数zd代替z(斜齿轮:zd=z/cos3bb; 锥齿轮:zd=z/cosd)。

zd非整数时,可用插值法求出3. 本表不属GB10095-88,供参考。

下载提示
相似文档
正为您匹配相似的精品文档