文档详情

液压齿轮油泵

oq****t
实名认证
店铺
DOC
108.50KB
约2页
文档ID:6880431
液压齿轮油泵_第1页
1/2

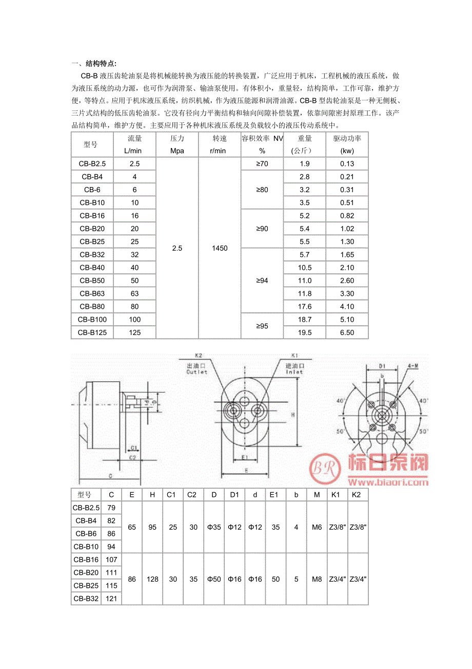
一、结构特点:CB-B 液压齿轮油泵是将机械能转换为液压能的转换装置,广泛应用于机床,工程机械的液压系统,做为液压系统的动力源,也可作为润滑泵、输油泵使用有体积小,重量轻,结构简单,工作可靠,维护方便,等特点应用于机床液压系统,纺织机械,作为液压能源和润滑油源CB-B 型齿轮油泵是一种无侧板、三片式结构的低压齿轮油泵它没有径向力平衡结构和轴向间隙补偿装置,依靠间隙密封原理工作该产品结构简单,维护方便主要应用于各种机床液压系统及负载较小的液压传动系统中 型号 流量L/min 压力Mpa 转速r/min 容积效率 NV% 重量(公斤) 驱动功率 (kw)CB-B2.5 2.5 ≥70 1.9 0.13CB-B4 4 2.8 0.21CB-6 6 3.2 0.31CB-B10 10≥803.5 0.51CB-B16 16 5.2 0.82CB-B20 20 5.4 1.02CB-B25 25≥905.5 1.30CB-B32 32 5.7 1.65CB-B40 40 10.5 2.10CB-B50 50 11.0 2.60CB-B63 63 11.8 3.30CB-B80 80≥9417.6 4.10CB-B100 100 18.7 5.10CB-B125 1252.5 1450≥9519.5 6.50型号 C E H C1 C2 D D1 d E1 b M K1 K2 CB-B2.5 79CB-B4 82CB-B6 86CB-B10 9465 95 25 30 Φ35 Φ12 Φ12 35 4 M6 Z3/8" Z3/8"CB-B16 107CB-B20 111CB-B25 115CB-B32 12186 128 30 35 Φ50 Φ16 Φ16 50 5 M8 Z3/4" Z3/4"CB-B40 132CB-B50 138CB-B63 144100 152 35 40 Φ55 Φ22 Φ22 55 6 M8 Z1" Z3/4"CB-B80 158CB-B100 165CB-B125 174120 185 43 50 Φ70 Φ30 Φ30 65 8 M8 Z11/4" Z1"相关产品:WCB 型齿轮油泵2CY 型齿轮润滑油泵KCB、2CY 型齿轮油泵YCB 型圆弧齿轮泵CQB 型不锈钢磁力齿轮泵。

下载提示
相似文档
正为您匹配相似的精品文档