文档详情

数据选择器及其应用

人***
实名认证
店铺
DOC
200KB
约4页
文档ID:424298788
数据选择器及其应用_第1页
1/4

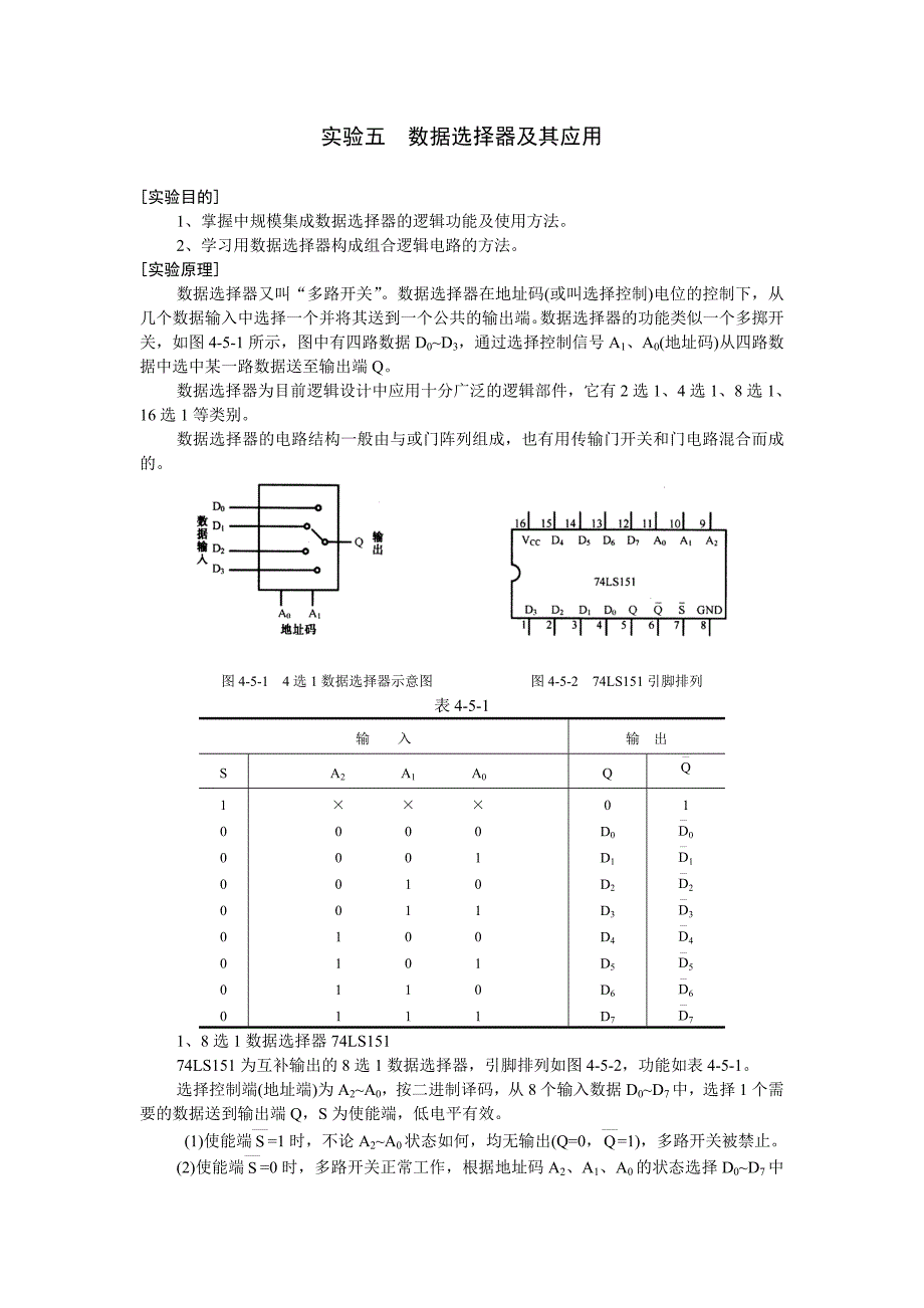
实验五 数据选择器及其应用[实验目的]1、掌握中规模集成数据选择器的逻辑功能及使用方法2、学习用数据选择器构成组合逻辑电路的方法[实验原理]数据选择器又叫“多路开关”数据选择器在地址码(或叫选择控制)电位的控制下,从几个数据输入中选择一个并将其送到一个公共的输出端数据选择器的功能类似一个多掷开关,如图4-5-1所示,图中有四路数据D0~D3,通过选择控制信号A1、A0(地址码)从四路数据中选中某一路数据送至输出端Q数据选择器为目前逻辑设计中应用十分广泛的逻辑部件,它有2选1、4选1、8选1、16选1等类别数据选择器的电路结构一般由与或门阵列组成,也有用传输门开关和门电路混合而成的图4-5-1 4选1数据选择器示意图 图4-5-2 74LS151引脚排列表4-5-1输 入输 出SA2 A1 A0(—)100000000× × ×0 0 00 0 10 1 00 1 11 0 01 0 11 1 01 1 10D0D1D2D3D4D5D6D71D(—)0D(—)1D(—)2D(—)3D(—)4D(—)5D(—)6D(—)71、8选1数据选择器74LS15174LS151为互补输出的8选1数据选择器,引脚排列如图4-5-2,功能如表4-5-1。

选择控制端(地址端)为A2~A0,按二进制译码,从8个输入数据D0~D7中,选择1个需要的数据送到输出端Q,S为使能端,低电平有效 (1)使能端S(——)=1时,不论A2~A0状态如何,均无输出(Q=0,Q(——)=1),多路开关被禁止2)使能端S(——)=0时,多路开关正常工作,根据地址码A2、A1、A0的状态选择D0~D7中某一个通道的数据输送到输出端Q如:A2A1A0=000,则选择D0数据到输出端,即Q=0如:A2A1A0=001,则选择D1数据到输出端,即Q=D1,其余类推2、双四选一数据选择器74LS153所谓双4选1数据选择器就是在一块集成芯片上有两个4选1数据选择器74LS153的引脚排列如图4-5-3,功能如表4-5-2 表4-5-2 输 入输 出SA1 A0Q10000× ×0 00 11 01 10D0D1D2D3图4-5-3 74LS153引脚功能 1S(——)、2S(——)为两个独立的使能端,A1、A0为公用的地址输入端;1D0~1D3和2D0~2D3分别为两个4选1数据选择器的数据输入端;Q1、Q2为两个输出端。

1)当使能端1S(——) (2S(——))=1时,多路开关被禁止,无输出,Q=0.(2)当使能端1S(——) (2S(——))=0时,多路开关正常工作,根据地址码A1、A0的状态,将相应的数据D0~D3送到输出端Q如:A1A0=00,则选择D0数据到输出端,即Q=D0 A1A0=01,则选择D1数据到输出端,即Q=D1,其余类推数据选择器的用途很多,例如多通道传输、数码比较、并行码变串行码以及实现逻辑函数等3、数据选择器的应用-实现逻辑函数例1:用8选1数据选择器74LS151实现函数F=AB(—)+A(—)B(1)列出函数F的功能表如表4-5-4所示2)将A、B加到地址端A1、A0,而A2接地,由表4-5-3可见,将D1、D2接“1”及D0、D3接地,其余数据输入端D4~D7都接地,则8选1数据选择器的输出Q,便实现了函数 F=AB(—)+A(—)B接线图如图4-5-4所示表4-5-3 ABF001101010110图4-5-4 8选1数据选择器实现F=AB(—)+A(—)B的接线图显然,当函数输入变量数小于数据选择器的地址端(A)时,应将不用的地址端及不用的数据输入端(D)都接地。

例2:用双4选1数据选择器74LS153实现函数F= A(—)BC + AB(—)C +ABC(—)+ABC函数F的功能如表4-5-4所示表4-5-4 表4-5-5输 入输出 ABCF00001111001100110101010100010111输 入输出中 选数据端ABCF000100D0=0010101D1=0100101D2=0110111D3=0函数F有三个输入变量A、B、C,而数据选择器有两个地址端A1、A0少于函数输入变量个数,在设计时可任选A接A1,B接A0将函数功能表改画成4-5-5形式,由表4-5-5不难看出:D0=0, D1=D2=C, D3=1则4选1数据选择器的输出,便实现了函数F= A(—)BC + AB(—)C +ABC(—)+ABC,接线图如图4-5-5所示当函数输入变量大于数据选择器地址端数时,可能随着选用函数输入变量作地址的方案不同,而使其设计结果不同,需对几种方案比较,以获得最佳方案[实验设备与器件]1、+5V直流电源;2、逻辑电平开关;3、逻辑电平显示器;4、74LS151(或CC4512) 74LS153(或CC4539)图4-5-5 用4选1数据选择器实现 图4-5-6 74LS151逻辑功能测试F= A(—)BC + AB(—)C +ABC(—)+ABC [实验内容与步骤]1、测试数据选择器74LS151的逻辑功能按图4-5-6接线,地址端A2、A1、A2数据端D0~ D7、使能端S(—)接逻辑开关,输出端Q接逻辑电平显示器,按74LS151功能表逐项进行测试,记录测试结果。

2、测试74LS153的逻辑功能测试方法及步骤同上,记录之3、用8选1数据选择器74LS151设计三输入多数表决电路(1)写出设计过程2)画出接线图,并在实验室连接电路进行测试3)验证逻辑功能4、用8选1数据选择器74LS151实现逻辑函数 F = AB(—)+A(—)C+BC(—)(1)写出设计过程2)画出接线图,并在实验室连接电路进行测试3)验证逻辑功能5、用双4选1数据选择器74LS153实现全加器(1)写出设计过程2)画出接线图,并在实验室连接电路进行测试3)验证逻辑功能[实验报告要求]1、用数据选择器对实验内容进行设计、写出设计全过程、画出接线图2、判断实际测试结果与设计预期目标是否相符3、总结实验收获、体会[预习内容]1、复习数据选择器的工作原理2、用数据选择器对实验内容中各函数式进行预设计。

下载提示
相似文档
正为您匹配相似的精品文档