文档详情

住宅卫生间设计标准

桔****
实名认证
店铺
DOC
239KB
约7页
文档ID:480278660
住宅卫生间设计标准_第1页
1/7

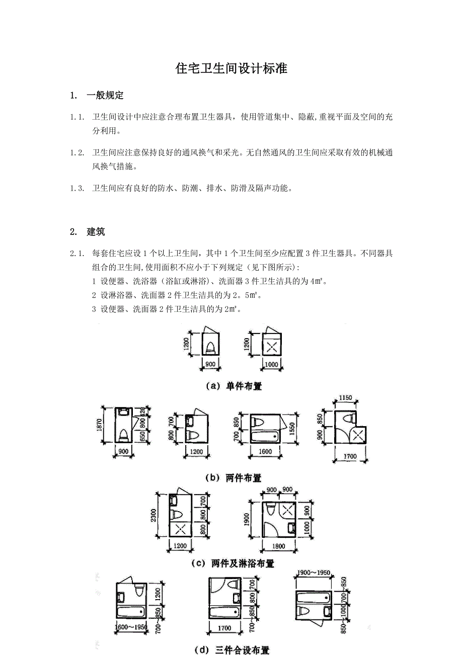
住宅卫生间设计标准1. 一般规定1.1. 卫生间设计中应注意合理布置卫生器具,使用管道集中、隐蔽,重视平面及空间的充分利用1.2. 卫生间应注意保持良好的通风换气和采光无自然通风的卫生间应采取有效的机械通风换气措施1.3. 卫生间应有良好的防水、防潮、排水、防滑及隔声功能2. 建筑2.1. 每套住宅应设1个以上卫生间,其中1个卫生间至少应配置3件卫生器具不同器具组合的卫生间,使用面积不应小于下列规定(见下图所示):1 设便器、洗浴器(浴缸或淋浴)、洗面器3件卫生洁具的为4㎡2 设淋浴器、洗面器2件卫生洁具的为23 设便器、洗面器2件卫生洁具的为2㎡4 单设便器的为15 单设淋浴器的为12㎡.2.2. 如厕所单独隔开,内设便器时,其面积不应小于:外开门1.1m2(09m×1.2m),内开门135m2(09m×15m).2.3. 卫生间的室内净高不应低于2卫生间内排水横管下表面与楼面、地面净距不应低于190m,且不得影响门、窗扇开启2.4. 卫生间门洞最小尺寸070m(洞口宽度)、200m(洞口高度),门洞口高度不包括门上亮子高度,洞口两侧地面有高低差时,以高地面为起算高度2.5. 无前室的卫生间的门不应直接开向起居室(厅)或餐厅、厨房.2.6. 卫生间宜有直接采光、自然通风,其侧面采光窗洞口面积不应小于地面面积的1/10,通风开口面积不应小于地面面积的1/20。

卫生间窗台高1300~1500mm,窗扇上悬,保证卫生间的采光通风效果,不影响私密性.2.7. 当两户卫生间位于凹槽相对布置时,窗应错位布置避免通视2.8. 卫生间不应布置在下层住户厨房、卧室、起居室和餐厅的上层,并注意防止排水立管贴邻或穿越下层住户的卧室当布置在本套内上述房间的上层时,应采取防水、隔声和便于检修的技术措施,避免支管穿楼板做法(注:卫生间也不能布置在工人房的上层,但可布置在储藏间的上层)2.9. 卫生间可布置在地下室或半地下室,且必须采取采光、通风、日照、防潮、排水及安全防护措施2.10. 大户型主卫生间宜洗、浴分间设,洁具设施要与户型档次相匹配;应设管道井2.11. 卫生间地面应有防水,并设置地漏等排水措施,门口处应防止积水外溢(地面标高应低于门口外地面标高15mm~20mm,或做低门槛.2.12. 卫生间内产生噪声的设备(如水箱、水管等)不宜安装在与卧室相邻的墙面上2.13. 卫生间如设置洗衣机时,应增加相应的面积,并配置给排水设施及单相三孔插座3. 结构3.1. 做同层排水处理时宜降低卫生间内结构板标高300~400mm,一般情况下要求卫生间楼、地面标高要低于相邻房间的楼、地面15mm~20mm.3.2. 当下层为商用空间时,结构设计时应考虑卫生间洁具的布置,避免洁具正下方是大梁,导致无法居中安装。

4. 给排水4.1. 卫生间水平排水管道,不宜布置在下层住户的空间内,可采用同层排水或侧向排水等措施4.2. 建筑标准要求较高的多层住宅和10层及10层以上高层建筑卫生间排水设专用通气立管,阳台排水设伸顶通气管.4.3. 住宅的污水排水横管宜设于本层套内,便于检修和疏通4.4. 严禁给水管明设在浴缸底.4.5. 所有卫生器具自带或配套的存水弯,其水封度不得小于50mm由于水封蒸发损失、自虹吸损失以及管道内气压变化等因素而要求的最低限)4.6. 卫生器具和配件应采用节水型产品,不得使用一次冲水量大于6L的坐便器4.7. 给水和集中热水供应系统,应分户分别设置冷水和热水表卫生器具和配件应采用节水性能良好的产品管道、阀门和配件应采用不易锈蚀的材质4.8. 地下室、半地下室中低于室外地面的卫生器具和地漏的排水管,不应与上部排水管道连接,应设置集水坑用污水泵排出4.9. 卫生间的排水立管4.9.1. 应单独设置,且排水管道不得穿越卧室4.9.2. 不应遮挡门窗、排气口4.9.3. 穿过地面时,须预埋套管并高出地面30,管间缝隙用防水材料填实4.9.4. 塑料管穿墙埋设高度≥1500,避免二次装修打穿漏水。

4.9.5. 室内PVC管线应设置消音措施以减少上下水管道噪音4.10. 布置洗浴器和布置洗衣机的部位应设置地漏,其水封深度不应小于50mm.布置洗衣机的部位宜采用能防止溢流和干涸的专用地漏4.11. 卫生间应从门口向地漏找坡度;地漏应设在室内最低端并靠近浴盆或淋浴喷头5. 电气5.1. 住宅卫生间一般设有洗浴设备,属于严重潮湿场所,电源插座应设置漏电保护装置,电源插座漏电电流保护装置的动作电流可定为30mA5.2. 卫生间的电源插座宜设置独立回路,减少电气火灾的危险5.3. 洗浴设备的卫生间应作等电位联结.5.4. 任何开关的插座,必须至少距淋浴间的门边0.6m以上,并应有防水、防潮措施.6. 通风及排气6.1. 卫生间的门,应在下部设有效截面积不小于002平方米的固定百叶,或距地面留出15mm~20mm的缝隙6.2. 卫生间排气道、排气扇设置6.2.1. 一般排气道设置应避免靠近给水管及设在门后;如条件限制必须设在门后时,一定注意门垛净尺寸满通风道的安装尺寸;`6.2.2. 排气道大小尺寸应选用标准图集,排气道截面为矩形,进气口设在长边、短边均可,排气口高度一般洞中心距地2600mm。

6.2.3. 卫生间的排水干管与排风道不可共用6.2.4. 卫生间排气扇宜结合吊顶设吸顶式排风扇,洞口大小一般为≥Φ200的圆洞,或为≥200×200的方洞无外窗的卫生间排气扇应与通风道排风口相连6.2.5. 排气口距上人屋面≥2000,距非上人屋面≥300附件一:各卫生器具的尺寸及安装要求附件二:人体活动与卫生设备组合尺度、卫生设备与管道组合尺度 附件一:各卫生器具的尺寸及安装要求洁具名称外形尺寸(长×宽×高㎜)安装尺寸(㎜)浴缸1200×650×4001550×750×4401680×770×460淋浴喷头距地面≥2000,帘棍距地≥2000,淋浴扶手距地面1050,淋浴器开关和肥皂盒下皮距地面1050,浴巾杆距地面1200,浴缸旁肥皂和扶手距盆底700淋浴房的尺寸不能小于850×850淋浴(带托盆)900×700~900×1000洗手盆500×40×250~300儿童为660-800高,大人为800-910mm高,镜下沿距地面1200 干手器(电动或毛巾)400×300距地1200坐便器(低位、整体水箱)、坐便器(靠墙式、悬挂式)700×500×400~450600×400×400~450便器前活动空间800×450,坐便器中心离地400,卫生纸盒距便器中心<700,卫生纸盒距离地750~800。

小便器(碗形)400~450×400~450×235小便器上沿离地600,小便器之间中心距≥650女用净身盆650×400×400同坐便器蹲便器600×300×300后端离墙≥300洗衣机600×600×800~900安装使用空间≥1000×1100附件二: 人体活动与卫生设备组合尺度、卫生设备与管道组合尺度 1、 人体活动与卫生设备组合尺度 2、 卫生设备与管道组合尺度。

下载提示
相似文档
正为您匹配相似的精品文档