文档详情

船舶设计实用手册2007完整版 930

kms****20
实名认证
店铺
PDF
31.27KB
约1页
文档ID:45699337
船舶设计实用手册2007完整版 930_第1页
1/1

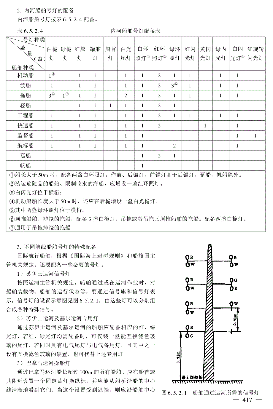
内河船舶号灯的配备内河船舶号灯按表 #“ $“ !“ % 配备表 #“ $“ !“ %内河船舶号灯配备表船舶种类号灯种类数 量 (盏)白桅灯绿桅灯红舷灯罐舷灯船首灯白光尾灯白环照灯!红环照灯“绿环照灯红闪光灯黄闪光灯绿内光灯白闪光灯#红旋转闪光灯机动船&#&&&&!&&&&渡船&&&&&!’$&&&拖船’%&&&&!&!&&&&轻船&&&&&!&工程船&&&&&!&&&&快速船&&&&&!&&监督船&&&&&&&航标船&&&&&!&趸船&!&帆船&!船长大于 $() 者,配备两盏白环照灯,作前、后锚灯,前锚灯高于后锚灯趸船,帆船除外装运危险品的船舶、限制吃水的海船,应增设一盏红环照灯白闪光灯位于横桁;’机动船舶长度大于 $() 时,还应在后桅增设一盏白光桅灯其中两盏绿环照灯位于横桁顶推船舶、擗筏的拖船,配备 ’ 盏白桅灯吊拖或者吊拖又顶推船舶的拖船配备两盏白桅灯通用于吊拖排筏的拖船图 #“ $“ !“ &* 船舶通过运河所需的信号灯’“ 不同航线船舶号灯的特殊配备国际航行船舶,根据《国际海上避碰规则》和船旗国主管机关规定还要配备一些必要的号灯苏伊士运河信号灯按照运河主管机关规定船舶通过或在运河作业时,对船舶装载物、船舶的运行状态等,要通过信号旗和信号灯表示,信号灯的设置示意图见图 #“ $“ !“ &,由这些灯可以分剐组合成各种特殊信号。

苏伊士运河及基尔运河专用灯通过苏伊士运河及基尔运河的船舶应配备相应的红、绿尾灯,若红、绿尾灯均需配备时,可仅装一盏能互换滤色玻璃的尾灯,若同时具有电气尾灯与电气备用灯,且其中之一设有互换滤色玻璃的装置,也可代替上述专用灯’)巴拿马运河操船灯通过巴拿马运河船长超过 &(() 的所有船舶 “ 应在船首或其附近设置一个固定蓝灯操纵标,并应能从船桥沿船的中心线清晰地看到它们当这个设置受到遮挡,则应沿船舶中心—+&%—。

下载提示
相似文档
正为您匹配相似的精品文档