文档详情

阀门型号规格编码规则-完整版

d***
实名认证
店铺
DOC
896.27KB
约5页
文档ID:154266841
阀门型号规格编码规则-完整版_第1页
1/5

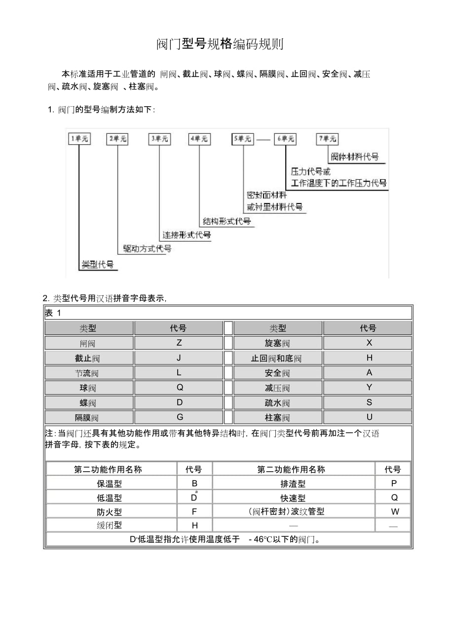
阀门型号规格编码规则本标准适用于工业管道的 闸阀、截止阀、球阀、蝶阀、隔膜阀、止回阀、安全阀、减压阀、疏水阀、旋塞阀 、柱塞阀1.阀门的型号编制方法如下:2.类型代号用汉语拼音字母表示,表 1类型闸阀截止阀节流阀球阀蝶阀隔膜阀代号ZJLQDG类型旋塞阀止回阀和底阀安全阀减压阀疏水阀柱塞阀代号XHAYSU注:当阀门还具有其他功能作用或带有其他特异结构时,在阀门类型代号前再加注一个汉语拼音字母,按下表的规定第二功能作用名称保温型低温型防火型缓闭型代号BaDFH第二功能作用名称排渣型快速型(阀杆密封)波纹管型—代号PQW—Da低温型指允许使用温度低于 - 46℃以下的阀门3.传动方式代号用阿拉伯数字表示,表 2传动方式 代号传动方式代号电磁动电磁 - 液动电- 液动蜗轮正齿轮01234伞齿轮气动液动气- 液动电动56789注:( 1)手轮、手枘和板手传动以及安全阀,减压阀,疏水阀省略本代号2)对于气动或液动:常开式用6K、 7K表示;常闭式用 6B、 7B 表示;气动带手动用 6S 表示,防爆电动用“ 9B”表示蜗杆 -T 形螺母用 3T 表示4.连接形式代号用阿拉伯数字代号表示。

表 3连接形式 代号 连接形式代号内螺纹外螺纹法兰焊接1246对夹卡箍卡套7895.结构形式代号用阿拉伯数字表示,表 4闸阀结构形式楔式明杆平行式暗杆楔式暗杆平行式刚性弹性闸板单闸板双闸板单闸板双闸板单闸板双闸板双闸板代号01234568例如 :Z941T-16 表示电动闸阀;明杆法兰连接,铜合金密封面,公称压力省略)阀体材质表 5截止阀和节流阀的结构开式直通式角式直流式( Y 型)1.6MPa,灰铸铁( Z代号145平衡直通6角式7例如 :J41H-25C 表示手动 ( 手轮传动省略本代号 ) 截止阀;法兰连接,直通式,合金钢密封面,公称压力 2.5MPa,WCB (铸钢 ) 阀体材质表浮动固定球阀结构形式L 形T 形直通式四通式直通式三通式代号14567例如 :Q641F-40P 表示气动球阀;法兰连接,直通式,氟塑料密封面,公称压力4.0MPa,1Cr18Ni9Ti ( 不锈钢,相当于 304) 阀体材质表 7蝶阀结构形式杠杆式垂直板式斜板式 (我公司为三偏心式)注:垂直板三杆式用 I s 表示代号013例如 :D371X-10Q 表示蜗轮传动蝶阀;对夹连接,垂直板式,橡胶密封面,公称压力球墨铸铁阀体材质表 8隔膜阀结构形式 代号屋肴式 1截止式 3闸板式 7表 9旋塞阀结构形式直通式填料 T 形三通式四通式直通式油封T 形三通式表 10代号345781.0MPa,升降止回阀和底阀结构形式直通式立式代号12表 11弹簧旋启封闭不封闭单瓣式多瓣式双瓣式蝶式安全阀结构形式带散热片微启式全启式带板手带控制机构脉冲式全启式全启式双弹簧微启式微启式全启式微启式全启式4567代号0124378569注:( 1)杠杆式安全阀在类型代号前加“ G”汉语拼音字母。

2)脉冲式付阀用 9a 表示表 12减压阀结构形式薄膜式弹簧薄膜式活塞式波纹管式杠杆式表 13疏水阀结构形式浮球式钟形浮予式双金属式脉冲式热动力式6.阀座密封面或衬里材料代号用汉语拼音字母表示表 14代号12345代号15789阀座密封面或衬里材料铜合金橡胶代号TX阀座密封面或衬里材料渗氮钢硬质合金代号DY尼龙塑料氟塑料锡基轴承合金 (巴氏合金)合金钢NFBH衬胶衬铅塘瓷渗硼钢JQCP注:由阀体直接加工的阀座密封面材料代号用“同时,用低硬度材料代号表示(隔膜阀除外)7.公称压力数值W”表示,当阀座和阀瓣(闸板)密封面材料按 JB74-59《管路附件公称压力,试验压力和工作压力》的规定用于电站工业的阀门,当介质最高温度超过 530 摄氏度时,按 JB74-59 第 5 条的规定标注工作压力8.阀体材料代号用汉语拼音字母表示表 15阀体材料灰铸铁可锻铸铁球墨铸铁铜及铜合金WCB代号ZKQTC阀体材料Cr5Mo1Cr18Ni9TiCr18Ni12Mo2Ti12CrMoV代号IPRV注: PN≤1.6MPa 的灰铸铁阀体和 PN≥2.5MPa 的碳素钢阀体省略本代号。

下载提示
相似文档
正为您匹配相似的精品文档