文档详情

单管放大电路(焊接小组)实验报告

新**
实名认证
店铺
DOC
474.52KB
约5页
文档ID:554706706
单管放大电路(焊接小组)实验报告_第1页
1/5

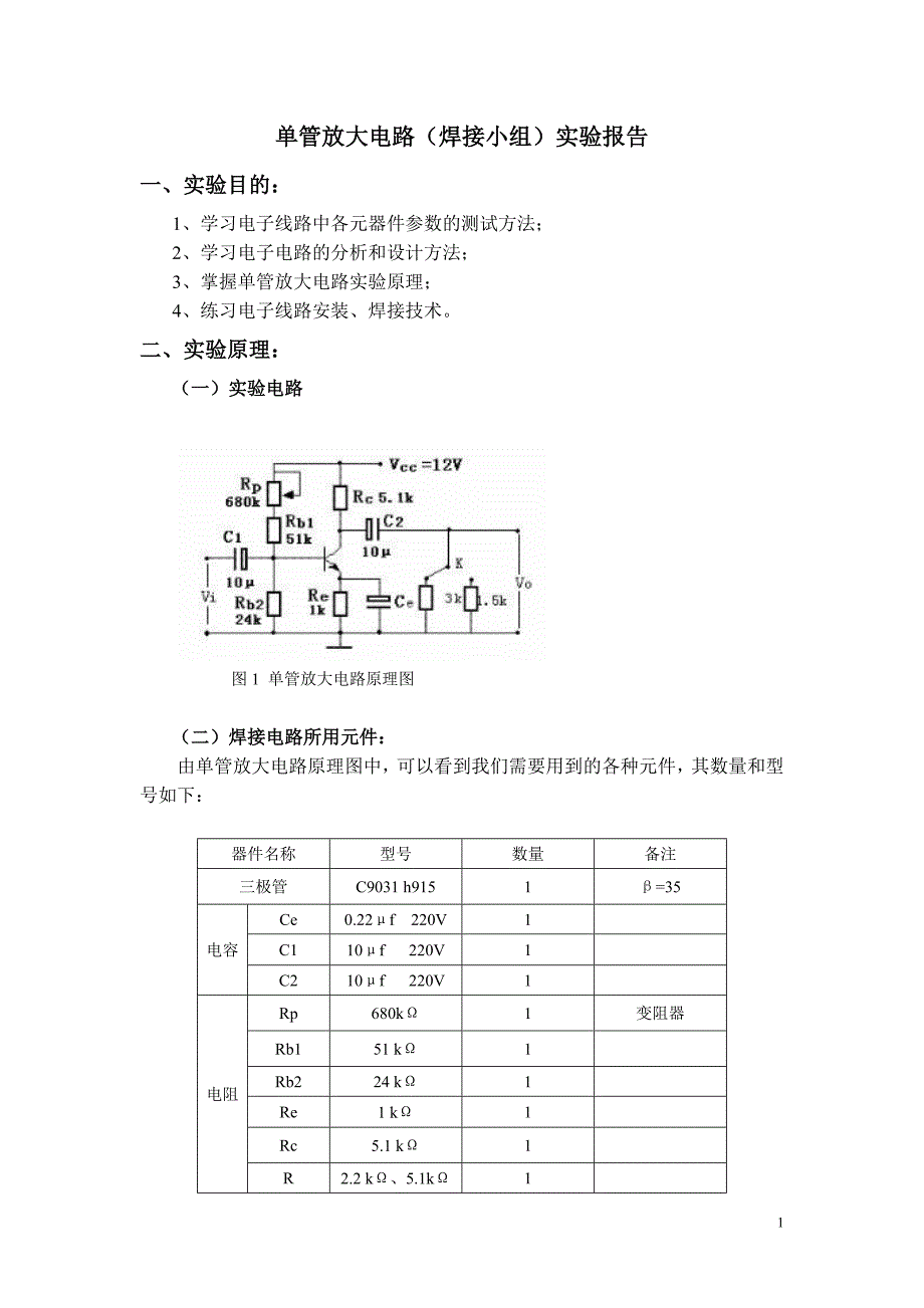
单管放大电路(焊接小组)实验报告一、实验目的:1、学习电子线路中各元器件参数的测试方法;2、学习电子电路的分析和设计方法; 3、掌握单管放大电路实验原理;4、练习电子线路安装、焊接技术二、实验原理:(一)实验电路5.1k2.2k图1 单管放大电路原理图(二)焊接电路所用元件:由单管放大电路原理图中,可以看到我们需要用到的各种元件,其数量和型号如下:器件名称型号数量备注三极管C9031 h9151β=35电容Ce0.22μf 220V1C110μf 220V1C210μf 220V1电阻Rp680kΩ1变阻器Rb151 kΩ1Rb224 kΩ1Re1 kΩ1Rc5.1 kΩ1R2.2 kΩ、5.1kΩ1(三)放大电路参数测试方法由于半导体元件的参数具有一定的离散性,即便是同一型号的元件,它的参数往往也有较大差异设计和制作电路前,我们必须对所要使用的元器件参数有全面深入的了解有些参数可以通过查阅元器件手册获得;而有些参数,如三极管的各项有关参数(最重要的是β值),则需要通过测试获取,为电路设计提供依据另外,即便是经过精心设计和组装焊接的放大电路,在制作完成后,也必须对静态工作点和一些交流参数进行测试和调节,才能使电路工作在最佳状态。

一个好的电子电路必定是理论设计和实验调试相结合的产物因此,我们不但要学习电子电路的分析和设计方法,还应认真学习电子调节和测试的方法三、实验内容和步骤(一)、用数字万用表测量实验中使用的三极管的电流放大倍数β,作为分析计算的依据二)、根据原理图在电路板上画出电路原理图在画原理时,要注意以下几点:1、注意三极管的管脚位置,E、B、C的方向2、画原理图时要考虑元件的实际大小尺寸3、原理图上安排元件位置时尽量按照的信号流向4、根据原理图的元件位置来布置电路板元件位置,便于理解工作原理和调试检查,元件安排要整齐美观,并尽量缩小电路板面积三)、根据电路板上的原理图,在实验电路板上焊接电路焊接电路时,要注意以下几点:① 使用的电烙铁功率要合适,功率太大容易使元件损坏;功率太小焊接困难,焊点呈渣状,不光滑,很容易形成虚焊,所以,这是一个相当考人的工作② 将待焊接的元件接脚处理干净,去掉接脚的污物和氧化物,才能可靠焊牢④ 必须防止虚焊焊接好后,稍用力拉动元件,应没有接脚松动的感觉⑤ 控制电烙铁接触元件的时间,过短容易虚焊,过长又会烫坏元件⑥ 焊接完成检查无误后方可通电实验四)参数测试电路的放大倍数由下式决定:其中:为等效电路的负载电阻 ,β=35为体管的放大倍数;是晶体管的BE结在静态工作点的动态电阻;表 1实测实测计算值表2给定参数实测输出实测计算理论值2K5.1K0.2mv32.662K2.2K0.2mv2.61.935.1K5.1K0.2mv4.94.725.1K2.2K0.2mv3.12.84数据处理:静态工作点的相关数据处理:交流通路的相关数据处理(1) ,(2) , (3) , (4) ,四、实验过程中遇到的主要问题讨论分析在焊接实验和数据处理的过程中,我们遇到很多问题,经过和组内成员及时的讨论,查阅相关书籍资料后,我们所遇到的问题都迎刃而解了。

以下是我们所遇到的问题和解决的办法一)我们实验原理图中所用到的各种元件的型号和参数是模拟小组和实测小组做出来的,但我们在采购原件的时候发现,有些元件没有我们需要的型号和参数,最后,我们想到了解决的思路电阻我们采用两个或以上的电阻串并联后达到我们要的规格,比如3千欧的电阻我们可以用两个1.5千欧的电阻串联得到电容我们需要的是10μf 50V的,但没有找到,讨论和查阅资料后,我们发现,上面的电压值只是电容的耐压值,电压越大说明其越耐压,所以,我们选用了10μf 220V的电容来代替二)变阻器Rp的焊接方法;我们所用的变阻器是680kΩ旋钮型变阻器(如图2),它共有三个接线端,所以,在焊接过程中,接线柱的接法上遇到了一些困难,查阅资料后,我们找到了变阻器的焊接方法它共有三个接线端,两端是固定端,一段可变端用万用表测三端两两之间的阻值,如果测的阻值最大,这两端就是固定端,另一端是可变端然后按电路图把固定端和可变端焊接好,可变端与滑动变阻器滑动端是一样的图2:旋钮式变阻器(三)在焊接过程中,三极管管脚的判断是焊接成败的关键,三极管管脚的判断如下图所示:图3:三极管管脚的判断(四)数据处理结果与理论计算结果存在一定的差距,这些差距是来源于多个方面的。

由于晶体管本身具有极间电容,以及放大器中的电抗元件的存在,使放大器在输入信号频率不同时,它的放大倍数将发生变化;负载电阻的阻止会影响放大倍数,阻止越小放大倍数越小,阻止越大放大倍数越大;万用表不稳定使得测量数值不精确,从而引入了一定实验误差;计算时小数的取舍也引入一定的误差。

下载提示
相似文档
正为您匹配相似的精品文档