文档详情

公路边坡稳定及抗滑桩加固分析

ji****81
实名认证
店铺
DOCX
206.56KB
约13页
文档ID:300548553
公路边坡稳定及抗滑桩加固分析_第1页
1/13

    公路边坡稳定及抗滑桩加固分析    Summary:常规的边坡支护设计方法因理论支持力度匮乏,使当前边坡工程设计仍有一定缺陷,造成边坡变形甚至失效或支护结构“过剩”文章以某公路人工堆填边坡为例,采用PLAXIS3D有限元软件建立三维模型进行边坡稳定性分析,利用考虑桩-土相互作用的强度折减法,研究边坡支护形式的合理选型研究结果表明:抗滑桩+毛石挡墙联合支护措施,比同几何设计尺寸的抗滑桩措施更能有效控制边坡变形,保证边坡稳定;当仅采用抗滑桩进行加固时,桩间距等桩身参数需严格调整,使得施工难度大、经济性差;在公路边坡附近设置弃土场时,弃土荷载作用下,边坡受到的影响有限;在现行设计标准下,拟建弃土场的最大堆载量可达到设计标准荷载的2倍Key:边坡;稳定性;抗滑桩;PLAXIS3D有限元软件;桩-土相互作用0 引言当前,边坡因其组成成分、坡体形态、成因条件、环境变化等因素的差异呈现出工程地质条件越来越差、事故多样化等特点在当下不同类型的边坡工程中仍有问题亟待解决,诸如边坡岩土体强度指标确定问题、边坡稳定性分析问题、边坡合理的支护设计问题等现有规范[1]、手册[2]等指导性文件规定了边坡勘察、设计的标准,而针对边坡工程的支护措施,尽管设计和科研人员在工程实践中积累了特别丰富的经验和教训,但对如何选择合理、经济、有效的支护措施还需进行多方面的研究和探讨。

目前,各类支护结构及体系,例如桩、复合土钉墙、锚杆(索)、混凝土(钢)内支撑及新型或组合支护形式已在各类边坡工程中进行了应用尝试[3]抗滑桩因具有设计简单、结构形式灵活多变、组合兼容性强、施工便宜、设计理论完备等优点,在基坑、边坡等工程中应用广泛针对抗滑桩的研究,众多学者已经从极限平衡法的理论计算手段的改进验算[4]、室内相似原理的物理模拟试验[5]、原位桩身变形和内力的监测测试试验[6]、有限元或有限差分方法的全尺寸真三维的数值模拟试验等[7],得出了抗滑桩的设计优化理论,并研究了边坡变形对抗滑桩的内力及形变的影响然而,常用的极限平衡法无法全面反映土体侧移变形对支护桩的影响,即无法考虑桩-土协同变形而造成设计支护过于安全或偏不安全近些年,有学者逐渐引入抗滑桩加固边坡的结构-坡体协同理念,深入探讨桩身截面尺寸、桩长、设桩位置、桩间距等桩几何尺寸因素对支护效果的影响,以此作为优化的依据[8]但是,常规的支护设计方法主要是在克里金土压力基础上衍生而来的,依据工程勘察提供的土体物理力学参数结合工程经验进行设计,理论支持力度匮乏,造成当前边坡工程设计仍有一定缺陷,引起边坡变形甚至失效或支护结构“过剩”。

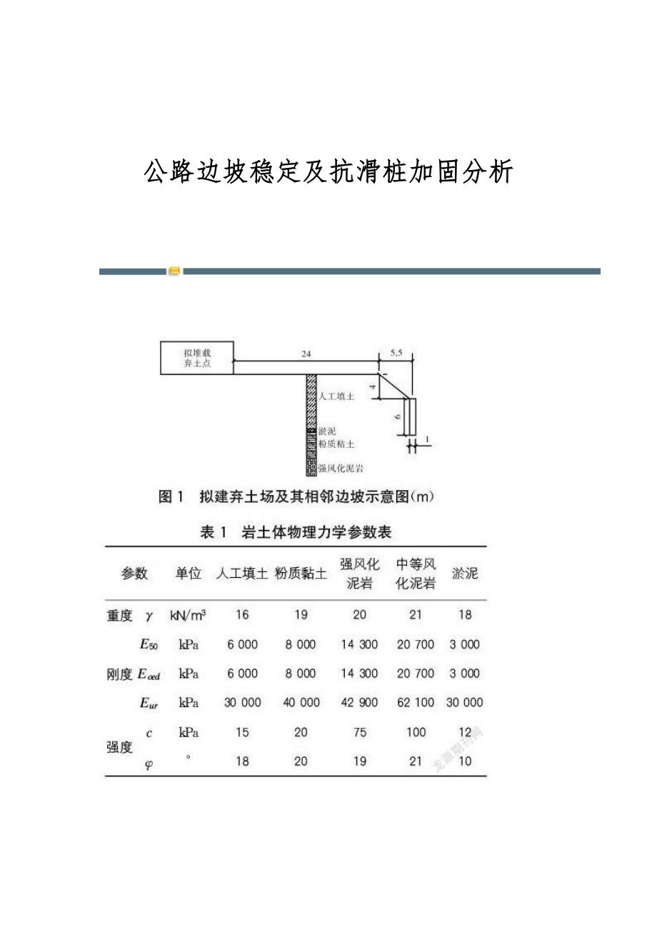
公路边坡稳定及抗滑桩加固分析/高兴杰[=JP2] 为此,本文以某公路起始段人工堆填边坡为例,采用PLAXIS 3D有限元软件建立三维模型进行边坡稳定性分析,利用考虑桩-土相互作用的强度折减法,分析抗滑桩支护、桩-墙联合支护两种支护设计方法对于边坡变形和稳定性的影响,提出优化合理的设计方法,并进一步考虑坡顶后续堆积荷载对重新支护后边坡的稳定性影响,分析在各种工况下桩身变位、坡体变形等特点,以期为抗滑桩工程设计提供参考1 工程概况该公路全线按照一级公路标准建设,设计时速采用80 km/h,路基宽度为24.5 m,其中新建特大桥1座、新建大桥1座该公路在起始段为堆填路堤边坡,并在边坡的左侧边缘距离路堤坡頂24 m处设置一处临时弃土场,用于临时转运(边坡形态如图1所示)根据场地工程地质勘察资料显示,拟建公路穿越的位置原为一淤积池塘,因初期施工速度等问题影响使得池塘中的淤泥未能完全清除干净,留存厚度为10 m除此之外场地内土层由上自下依次为:第四系全新统(Q4ml)人工填土层①、第四系全新统坡积粉质黏土(Q4dl)②、侏罗纪中统沙溪庙组砂岩③(J2s)岩土体的物理力学参数如表1所示2 支挡防护设计方案及模型建立根据工程地质勘察报告,结合工程现场揭露的地层情况、后续边坡卸载处置措施、拟建弃土场的堆土量级等基本工程情况,支挡防护措施方法分为两种:(1)抗滑桩支护:桩长为6 m,间距为5.5 m,桩径为1 m,设桩位置位于坡脚;挖除坡体上部土体尺寸为2 m×13 m;桩间距根据计算结果进行反复调试并最终确定。

2)抗滑桩+毛石挡墙支护:桩长为6 m,间距为5.5 m,桩径为1 m;毛石挡墙长33 m、宽1 m、高6 m;挖除坡体上部土体尺寸为2 m×13 m采用PLAXIS 3D有限元软件建立三维模型进行边坡稳定性分析,利用考虑桩-土相互作用的强度折减法,研究抗滑桩支护的原边坡变形破坏特点,为设计施工方案的有效实施提供技术支撑三维计算模型如图2所示,并进行网格优化与计算调试为了建立的三维计算模型能合理反映地层分布、地形地貌、抗滑桩、桩间挡墙及弃土场拟建荷载等,建立的模型长40 m、宽100 m、高50 m岩土体本构模型可参见文献[9]岩土体的物理力学参数如表1所示桩、墙结构的计算参数如表2所示3 边坡稳定性模拟结果分析3.1 抗滑桩模拟结果分析如下页图3所示,计算时冻结边坡外土体,对抗滑桩赋予相应材料进行计算,计算结果如图4、图5所示由图3可知,桩距为5.5 m时,抗滑桩加固坡体发生显著变形破现象,该坡体变形破坏属于倾覆破坏+桩头剪除破坏,在坡顶位置的潜在滑移面产生滑移剪切破坏,说明坡体自身相对来说已发生失稳,该加固措施并非适宜通过坡体内部的塑性点分布图也可以看出(见图4),在抗滑桩顶部和坡顶后方路面分布着大量的拉伸截断点,这些很好地反映了坡体中部、坡体后缘发现的张裂缝。

同时,根据图5的位移云图可以看出,在坡体及抗滑桩桩顶的位置产生的位移最大,接近3 cm,接近一般对边坡设计4 cm水平位移的要求(基坑监测报警值为4 cm[1])根据规范[1]第5.3.2条规定,一级边坡的安全系数需>1.35,而该边坡的稳定性系数为1.2,处于临界稳定状态但安全储备不足对此,对桩距进行调整,分别考虑桩距为4.5 m、3.5 m、2.5 m时,该边坡的变形和稳定性情况桩距与边坡变形、桩距与坡体稳定性的关系曲线如图6所示从图6可见,桩距与边坡变形成正比关系,桩距与坡体稳定性系数成反比关系即随着桩距的增加,边坡和桩顶向坡外的最大水平位移逐渐在减小,从桩间距5.5 m的变形3 cm逐渐减小到桩间距2.5 m的0.6 cm变形;而随着桩距的增加,坡体稳定性系数逐渐增大,从桩间距5.5 m的1.2逐渐减小到桩间距2.5 m的1.5;三者关系均表现了近似的线性增大3.2 抗滑樁+毛石挡墙模拟结果分析如图3(b)所示,在桩基间距为5.5 m工况下,激活毛石挡墙,以开展抗滑桩+毛石挡墙边坡的支挡防护措施的效果分析计算结果如图7所示图7(a)为抗滑桩+毛石挡墙支护后坡体内部的塑性点云图,与图4相关结果进行比对可以看出,在采用联合支护之后,边坡附近的塑性点明显减少,说明联合支护后坡体区域处于稳定状态。

同时对比坡体变形情况,统计变形量发现,卸载后变形的变形量仅为8 mm,符合一般对边坡设计4 cm水平位移的要求,边坡的稳定性系数为1.5,边坡处于稳定状态从计算结果可以看出,抗滑桩(间距为5.5 m)+毛石挡墙和2.5 m间距抗滑桩支护后的支护效果基本一致3.3 堆积荷载对边坡稳定性的影响如前所述,在距离坡顶30 m位置处设计拟建弃土场的堆载荷载500 kPa(该荷载为一期弃土堆置的总荷载),堆载范围为半径14 m的圆形范围在抗滑桩+毛石挡墙支护措施的工况下,激活荷载后,计算模型如图8所示,结果如图9所示在设计荷载作用下弃土场堆载对边坡的变形影响很小,水平位移仅为10 mm,小于《建筑边坡工程技术规范》〈GB 50330-2013〉[1]所限定的界限,边坡的稳定性系数仍为1.5,边坡处于稳定状态同时,从边坡塑性点分布可见,在抗滑桩顶部和坡顶后方路面分布着少量的拉伸截断点,但结合坡体和桩顶的变形可见影响不大进一步通过改变堆积荷载来模拟拟建弃土场所能达到的最大库容,以优化相关设计荷载输入500 kPa、700 kPa、900 kPa、1 000 kPa所得计算结果如图10所示计算结果显示,随着坡后堆积荷载的增加,边坡稳定性系数降低,位移增大。

在现行设计标准下,拟建弃土场的最大堆载量可达到设计标准荷载的2倍4 结语本文以某公路起始段人工堆填边坡为例,采用PLAXIS 3D有限元软件建立三维模型进行边坡稳定性分析,利用考虑桩-土相互作用的强度折减法,研究抗滑桩支护的原边坡变形破坏特点,并以此为基础对变形破坏的边坡进行支护设计研究,同时考虑坡顶后续堆积荷载对重新支护后边坡的稳定性影响,研究结果表明:(1)桩距为5.5 m时,抗滑桩加固坡体发生显著变形破坏现象,该坡体变形破坏属于倾覆破坏+桩头剪除破坏,在坡顶位置的潜在滑移面产生滑移剪切破坏,说明坡体自身已发生失稳,该加固措施并非适宜2)采用间距为5.5 m抗滑桩+毛石挡墙联合支护措施,可以有效控制边坡变形,保证边坡稳定即支护后变形的变形量仅为6 mm,符合一般对边坡设计4 cm水平位移的要求,边坡的稳定性系数为1.5,处于稳定状态但是当仅采用抗滑桩进行加固时,桩间距需调整至2.5 m,施工难度大、经济性差3)在后续兴建的弃土场荷载作用下,边坡受到的影响有限在现行设计标准下,拟建弃土场的最大堆载量可达到设计标准荷载的2倍Reference:[1]GB 50330-2013,建筑边坡工程技术规范[S].[2]工程地质手册编委会.工程地质手册(第五版)[M].北京:中国建筑工业出版社,2018.[3]刘国彬,王卫东.基坑工程手册(第二版)[M].北京:中国建筑工业出版社,2018.[4]张晓咏.抗滑桩现场试验及其设计计算方法研究[D].福州:福州大学,2010.[5]张友良,冯夏庭,范建海,等.抗滑桩与滑坡体相互作用的研究[J].岩石力学与工程学报,2002(6):81-84.[6]冯文娟,琚晓冬.基于FLAC~(3D)的抗滑桩设计方法研究[C].全国桩基工程学术会议,2011.[7]赵坤鹏,姚 造.基于改进有限元容重增加法的抗滑桩内力计算[C].全国大坝安全监测技术与应用学术交流会.全国大坝安全监测技术信息网,2016.[8]邱焕峰.边坡稳定性分析评价方法及抗滑桩研究[D].武汉:武汉大学,2013.[9]刘志祥,张海清.PLAXIS 3D基础教程[M].北京:机械工业出版社,2015.  -全文完-。

下载提示
相似文档
正为您匹配相似的精品文档