文档详情

喷头与靠墙障碍物的距离

豆浆
实名认证
店铺
DOC
179KB
约5页
文档ID:1443976
喷头与靠墙障碍物的距离_第1页
1/5

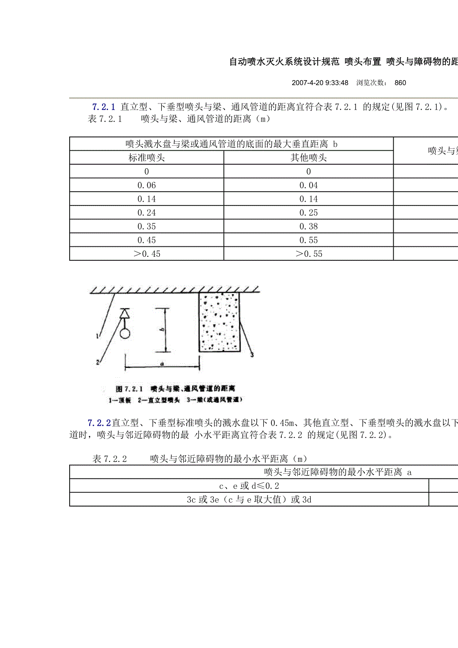
自动喷水灭火系统设计规范 喷头布置 喷头与障碍物的距离2007-4-20 9:33:48 浏览次数: 8607.2.1 直立型、下垂型喷头与梁、通风管道的距离宜符合表 7.2.1 的规定(见图 7.2.1)表 7.2.1  喷头与梁、通风管道的距离(m)喷头溅水盘与梁或通风管道的底面的最大垂直距离 b标准喷头 其他喷头 喷头与梁、通风管道的水平距离 a0 0 a<0.30.06 0.04 0.3≤a<0.60.14 0.14 0.6≤a<0.90.24 0.25 0.9≤a<1.20.35 0.38 1.2≤a<1.50.45 0.55 1.5≤a<1.8>0.45 >0.55 a=1.87.2.2 直立型、下垂型标准喷头的溅水盘以下 0.45m、其他直立型、下垂型喷头的溅水盘以下 0.9m 范围内,如有屋架等间断障碍物或管道时,喷头与邻近障碍物的最 小水平距离宜符合表 7.2.2 的规定(见图 7.2.2)表 7.2.2   喷头与邻近障碍物的最小水平距离(m) 喷头与邻近障碍物的最小水平距离 ac、e 或 d≤0.2 c、e 或 d>0.23c或 3e(c 与 e取大值)或 3d 0.6  7.2.3 当梁、通风管道、排管、桥架等障碍物的宽度大于 1.2m 时,其下方应增设喷头(见图 7.2.3)。

  7.2.4 直立型、下垂型喷头与不到顶隔墙的水平距离,不得大于喷头溅水盘与不到顶隔墙顶面垂直距离的 2倍(见图 7.2.4)7.2.5 直立型、下垂型喷头与靠墙障碍物的距离,应符合下列规定(见图 7.2.5):1 障碍物横截面边长小于 750mm时,喷头与障碍物的距离,应按公式 7.2.5确定:a≥(e-200)+b           (7.2.5)式中 a—喷头与障碍物的水平距离(mm);b—喷头溅水盘与障碍物底面的垂直距离(mm);e—障碍物横截面的边长(mm),e<750 2 障碍物横截面边长等于或大于 750mm或 a的计算值大于本规范表 7.1.2中喷头与端墙距离的规定时,应在靠墙障碍物下增设喷头  7.2.6 边墙型喷头的两侧 1m及正前方 2m范围内,顶板或吊顶下不应有阻挡喷水的障碍物室内管道支架及吊架做法很多请参照标准图集 03S402不同直立型、下垂型喷头与梁、通风管道的距离表一 喷头与梁、通风管道的距离(m)喷头溅水盘与梁或通风管道的底面的最大垂直距离 b 喷头与梁、通风管道的水平距离 a 标准喷头 其他喷头 喷头与梁、通风管道的水平距离 a0 0 a<0.3 0.06 0.04 0.3≤a<0.6 0.14 0.14 0.6≤a<0.9 0.24 0.25 0.9≤a<1.2 0.35 0.38 1.2≤a<1.5 0.45 0.55 1.5≤a<1.8 >0.45 >0.55 a=1.8 二 、 喷头与邻近障碍物的最小水平距离(m) 喷头与邻近障碍物的最小水平距离 a c、e 或 d≤0.2 c、e 或 d>0.2 3c 或 3e(c 与 e 取大值)或 3d 0.6 三、当梁、通风管道、排管、桥架等障碍物的宽度大于 1.2m 时,其下方应增设喷头四、直立型、下垂型喷头与不到顶隔墙的水平距离,不得大于喷头溅水盘与不到顶隔墙顶面垂直距离的 2 倍五、边墙型喷头的两侧 1m 及正前方 2m 范围内,顶板或吊顶下不应有阻挡喷水的障碍物。

下载提示
相似文档
正为您匹配相似的精品文档