文档详情

蚂蚁河干流河道管理范围划定方案

工****
实名认证
店铺
DOCX
33.64KB
约5页
文档ID:423438508
蚂蚁河干流河道管理范围划定方案_第1页
1/5

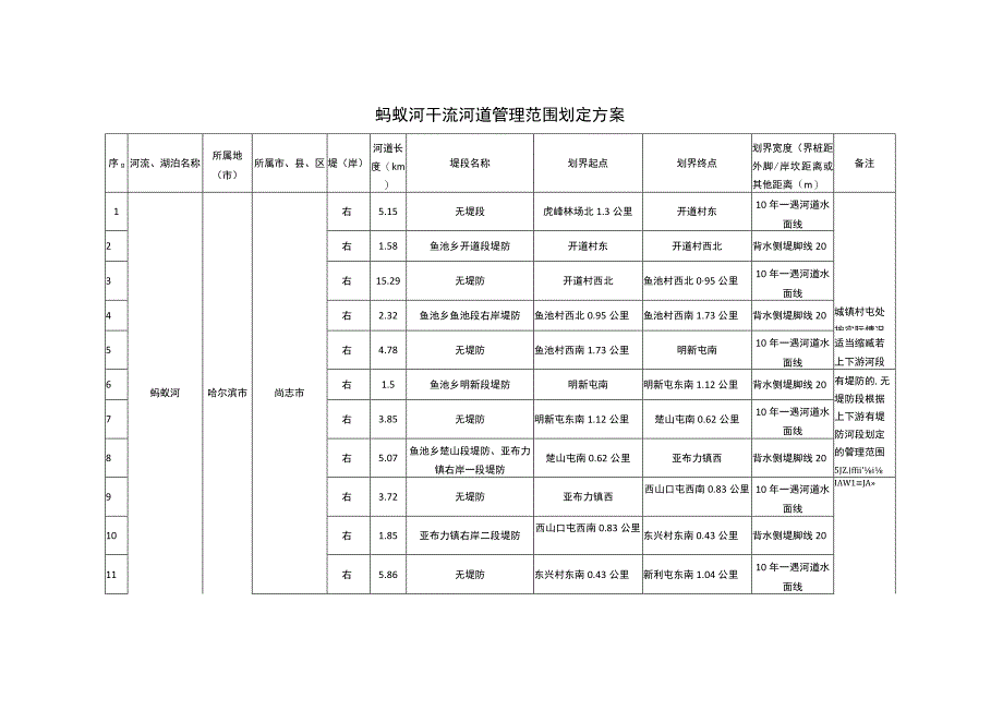
蚂蚁河干流河道管理范围划定方案序α河流、湖泊名称所属地(市)所属市、县、区堤(岸)河道长度(km)堤段名称划界起点划界终点划界宽度(界桩距外脚/岸坎距离或其他距离(m)备注1右5.15无堤段虎峰林场北1.3公里开道村东10年一遇河道水面线2右1.58鱼池乡开道段堤防开道村东开道村西北背水侧堤脚线203右15.29无堤防开道村西北鱼池村西北0∙95公里10年一遇河道水面线4右2.32鱼池乡鱼池段右岸堤防鱼池村西北0.95公里鱼池村西南1.73公里背水侧堤脚线20城镇村屯处按实际情况5右4.78无堤防鱼池村西南1.73公里明新屯南10年一遇河道水面线适当缩臧若上下游河段6蚂蚁河哈尔滨市尚志市右1.5鱼池乡明新段堤防明新屯南明新屯东南1.12公里背水侧堤脚线20有堤防的,无堤防段根据上下游有堤防河段划定的管理范围5JZ.∣ffii'⅛i⅛7右3.85无堤防明新屯东南1.12公里楚山屯南0.62公里10年一遇河道水面线8右5.07鱼池乡楚山段堤防、亚布力镇右岸一段堤防楚山屯南0.62公里亚布力镇西背水侧堤脚线209右3.72无堤防亚布力镇西西山口屯西南0.83公里10年一遇河道水面线IΛW1≡JA»10右1.85亚布力镇右岸二段堤防西山口屯西南0.83公里东兴村东南0.43公里背水侧堤脚线2011右5.86无堤防东兴村东南0.43公里新利屯东南1.04公里10年一遇河道水面线12右1.79苇河镇六合段堤防新利屯东南1.04公里新利屯西南0.45公里背水侧堤脚线2013右10.71无堤防新利屯西南0.45公里向阳屯南1.32公里10年一遇河道水面线14右11.46苇河镇新胜段堤防、一面坡镇五七村一段、二段堤防向阳屯南1.32公里水田屯西北2.12公里背水侧堤脚线2015右21.6无堤防水田屯西北2.12公里新立屯西南0.39公里10年一遇河道水面线16右1.75一面坡镇新立段堤防新立屯西南0.39公里北大庙西北0.83公里背水侧堤脚线2017右7.78无堤防北大庙西北0.83公里马延村东南1.57公里10年一遇河道水面线18右6.92马延乡贵乡段堤防马延村东南1.57公里靠山屯西北1.46公里背水侧堤脚线2019右6.9无堤防靠山屯西北1.46公里东安村西1.46公里10年一遇河道水面线20右7.36河东乡坝下一段、二段堤防东安村西1.46公里长新屯西背水侧堤脚线2021右2.26无堤防长新屯西革新屯西南1.15公里10年一遇河道水面线22右5.19河东乡河东一段、二段堤防革新屯西南1.15公里盘河屯西北背水侧堤脚线2023右1.07无堤防盘河屯西北盘河屯东北1.01公里10年一遇河道水面线24尚志市左14.12无堤防虎峰屯西北1.16公里三胜屯东10年一遇河道水面线25左0.72鱼池乡筒子沟段左岸堤防三胜屯东三胜屯西北背水侧堤脚线2026左7.42无堤防三胜屯西北鱼池村西北0∙93公里10年一遇河道水面线27左2.41鱼池乡鱼池段左岸堤防鱼池村西北。

93公里鱼池村西南1.73公里背水侧堤脚线2028左4.68无堤防鱼池村西南1.73公里昌平村西北2.26公里10年一遇河道水面线29左1.03鱼池乡昌城段堤防昌平村西北2.26公里昌平村西北1.35公里背水侧堤脚线2030左1.5无堤防昌平村西北1.35公里新兴村北1.2公里10年一遇河道水面线31左1.73鱼池乡新兴段堤防新兴村北1.2公里新兴村西北1.3公里背水侧堤脚线2032左2.74无堤防新兴村西北1.3公里亚布力镇东10年一遇河道水面线33左6.6亚布力镇左岸一、二段堤防亚布力镇东东兴村东南0.58公里背水侧堤脚线2034左3.92无堤防东兴村东南0.58公里周家营子村南0.35公里10年一遇河道水面线35左4.68苇河镇一心段堤防周家营子村南0∙35公里七部落东北1.13公里背水侧堤脚线2036左2.72无堤防七部落东北1.13公里六部落北1.31公里10年一遇河道水面线37左5.87苇河镇胜利段、城镇段堤防六部落北1.31公里苇河镇东背水侧堤脚线2038左1.2无堤防苇河镇东阴阳屯西北0.41公里10年一遇河道水面线39左3.92苇河镇建政段堤防阴阳屯西北0.41公里莲河屯东北1.78公里背水侧堤脚线2040左3.37无堤防莲河屯东北1.78公里莲河屯西北1.8公里10年一遇河道水面线41左11.59一面坡镇万山段、九江段堤防莲河屯西北1.8公里九江村东北0.85公里背水侧堤脚线2042左14.98无堤防九江村东北0.85公里新立屯西南0.39公里10年一遇河道水面线43左1.75一面坡镇新立段堤防新立屯西南0.39公里新大庙西北0.83公里背水侧堤脚线2044左1.89无堤防新大庙西北0.83公里范家洼子东3.19公里10年一遇河道水面线45左3.85马延乡沙沟子段堤防范家洼子东3.19公里沙沟子村东北1.15公里背水侧堤脚线2046左11.2无堤防沙沟子村东北1.15公里朝鲜屯东北0∙79公里10年一遇河道水面线47左6.97尚志镇城镇一段、二段、三段堤防朝鲜屯东北0∙79公里尚志城区东北背水侧堤脚线2048左2.1无堤防尚志城区东北下围子屯东北3.98公里10年一遇河道水面线49左2.31长寿乡长寿一段堤防下围子屯东北3.98公里东兴屯东南1.11公里背水侧堤脚线2050左4.21无堤防东兴屯东南1.11公里耿家屯东北0.41公里10年一遇河道水面线51左6.45长寿乡长寿二段、三段堤防耿家屯东北0.41公里政安东南0.86公里背水侧堤脚线2052左2.55无堤防政安东南0.86公里小河屯东1.25公里10年一遇河道水面线备注:在有关职能部门备案的城镇村屯处按具体情况划定阿什河干流河道管理范围划定方案序号河流、湖泊名称所属地(市)所属市、县、区堤(岸)河道长度(km)堤段名称划界起点划界终点划界宽度(界桩距外脚/岸坎距离或其他距离(m)备注1阿什河干流哈尔滨尚志市左岸10.11无堤段尚志界老道沟西0.72公告里10年一遇设计洪水2尚志市左岸1.79帽儿山堤防老道沟西0.72公告里帽儿山钢铁厂北0∙23公里背水侧堤脚线203尚志市左岸I1.无堤段帽儿山钢铁厂北0.23公里尚志界10年一遇设计洪水4尚志市右岸11.09无堤段尚志界李家粉房大同村北0.19公里10年一遇设计洪水5尚志市右岸0.8帽儿山堤防李家粉房大同村北0.19公里李家粉房大同村南0.52公里背水侧堤脚线206尚志市右岸1.27无堤段李家粉房大同村南0.52公里尚志界10年一遇设计洪水。

下载提示
相似文档
正为您匹配相似的精品文档