文档详情

涂料用微粉蜡简介

cn****1
实名认证
店铺
DOCX
16.50KB
约4页
文档ID:379070270
涂料用微粉蜡简介_第1页
1/4

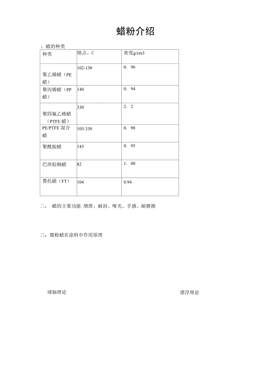
蜡粉介绍:蜡的种类种类熔点C密度g/cm3聚乙烯蜡(PE 蜡)102-1300. 96聚丙烯蜡(PP 蜡)1400. 94聚四氟乙烯蜡(PTFE 蜡)3302. 2PE/PTFE 混合蜡105-3300. 98聚酰胺蜡1450. 95巴西棕榈蜡821. 00费托蜡(FT)1040.94二: 蜡的主要功能 增滑、耐刮、哑光、手感、耐磨擦三:微粉蜡在涂料中作用原理漂浮理论球轴理论四: 各种蜡的特点1、PE 蜡 柔和、手感好、滑爽、经济2、PP 蜡 哑光、硬、耐刮性好3、PE/PTFE 蜡 滑爽、耐刮、耐磨擦4、PTFE 蜡 滑爽、耐刮、耐磨擦、耐高温、手感5、聚酰胺蜡 增硬、脱气、离型6、巴西棕榈蜡 透明、高光泽、硬7、费托蜡 滑爽、经济五:蜡的选择1、 品种及功效2、粒径及粒径分布3、 分散性4、 应用方便性5、 水性或溶剂性体系六:蜡的使用1、 添加量0.3---2%对树脂量2、 添加方式可直接分散或做成蜡浆,先将20-30%的蜡粉和 70-80%的树脂做成蜡浆,再按所需比例 做添加,或者在后阶段时直接添加,也可天研磨色料最后一次时加入研磨3、 分散方式 先以较低的速度搅拌至有漩涡产生,再将蜡粉分批小量加入漩涡当中,等蜡粉全部加入 后,再将搅拌速度提升到1200 转每分钟搅拌到完全的分散混合均匀,4、温度控制搅拌时必须注意温度控制在45 度以下,夏天更应注意 低分子量聚乙烯蜡,由于其中较低分子量的部分在温度高时会部分被溶解,而导致再凝 聚而返粗无法再分散开5 注意事项 一般用酯类或醇类溶剂做妥散溶剂比较理想,尽量不要用甲苯或二甲苯与直接混合,因溶剂的过强的渗透力会使蜡粉在高温时容易部分被溶解,因而产生结晶返粗,尤其低分子量 聚乙烯蜡更要注意 聚四氟乙烯蜡不可以与色料一起研磨,需做成蜡浆或在膈阶段添加七:龙海蜡粉蜡粉化学构成粒径微米比重熔点201 (粉末涂料 用)聚酰胺蜡30. 96140202PE4---50. 94110204pe5-80.97110205PE3-50.96130206改性PE3-50.96135203 (粉末涂料 用)PE50----1000. 94110231PE/PTFE4--50. 99110-330231A (粉末用)PE/PTFE8-100. 98110---330232A粉末用)PE/PTFE8-100. 98110---330232PE/PTFE4---50. 98110---330233PTFE4----52. 2330236PTFE2-32.2330234PTFE/PE2-51.0110-33037系列砂纹蜡PP20、30、40、50、60、 70、 80、 900. 96140250手感蜡浆氟改性蜡浆255水性蜡乳液聚乙烯蜡0.1微米130253 UV消光蜡 浆聚乙蜡浆250高光蜡(粉 末涂料用)羟酸类八: 蜡的应用1、木器漆205,206、 231、 236,250蜡浆2、塑胶漆202、 231,236,251 蜡浆3、工业烤漆202,231,2364、油墨204、 204A,2365、粉体涂料203、201、250 高光蜡、612 砂纹剂,231A, 232A6、水性体系255W蜡乳液、256水性蜡粉7、UV 光固化253 消光蜡浆、 2368、砂面漆用蜡3710\3717、 376、 377\378、 380、 382、 384、 386、 388耐高温砂粉 364、 366、 368、 370九:市场竟争品1 美国三叶公司(SHAMROCK): 379、393、675A、484、421、SST-3、SST-2、5378、5380、5382、 5384、2 美国微粉公司(MPI): 230F、620XF、178XF、168VF、270S、230S、200SF、200S、140S3 德国科莱恩(Clariant) :PE520、3620、9615A、9610F、3920、4、 德国诺誉(noveon) 1362、2003、1778、1780、18305、 美国霍尼韦尔( HONEYWELL) A-6、 D-9、6、 德国巴斯夫(BASF) AF-29、AF-307、 德国德乐士(DEUREX) 9010、5010、0520、9510D8、 德国德固萨 41189、 北京化工大学10、 德国麦可门水性蜡乳液(MICHELMAN)11、 美国劳特蜡(LAWTER)12、 美国克雷威利(CRAY VALLEY)13、。

下载提示
相似文档
正为您匹配相似的精品文档