文档详情

10米波段通讯天线的制作和架设

豆浆
实名认证
店铺
DOC
109KB
约12页
文档ID:4815110
10米波段通讯天线的制作和架设_第1页
1/12

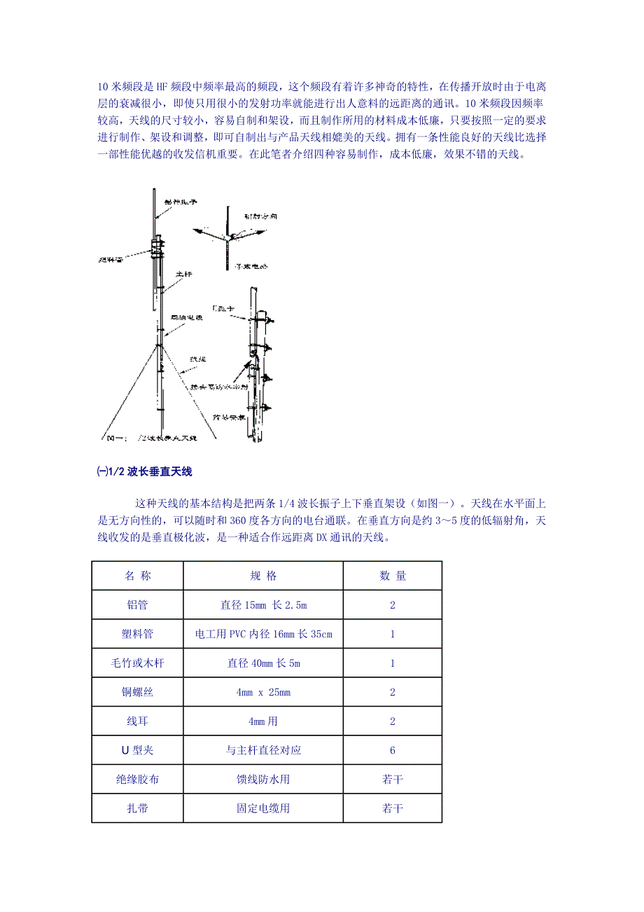
10 米频段是 HF 频段中频率最高的频段,这个频段有着许多神奇的特性,在传播开放时由于电离层的衰减很小,即使只用很小的发射功率就能进行出人意料的远距离的通讯10 米频段因频率较高,天线的尺寸较小,容易自制和架设,而且制作所用的材料成本低廉,只要按照一定的要求进行制作、架设和调整,即可自制出与产品天线相媲美的天线拥有一条性能良好的天线比选择一部性能优越的收发信机重要在此笔者介绍四种容易制作,成本低廉,效果不错的天线㈠1/2 波长垂直天线这种天线的基本结构是把两条 1/4 波长振子上下垂直架设(如图一)天线在水平面上是无方向性的,可以随时和 360 度各方向的电台通联在垂直方向是约 3~5 度的低辐射角,天线收发的是垂直极化波,是一种适合作远距离 DX 通讯的天线名 称 规 格 数 量铝管 直径 15mm 长 2.5m 2塑料管 电工用 PVC 内径 16mm 长 35cm 1毛竹或木杆 直径 40mm 长 5m 1铜螺丝 4mm x 25mm 2线耳 4mm 用 2U 型夹 与主杆直径对应 6绝缘胶布 馈线防水用 若干扎带 固定电缆用 若干●制作天线所用的材料如表一所示,都是采用容易买到的廉价的东西,一般只要花上一个上午就可买齐。

天线的支撑主杆采用约 5 米长的毛竹或木杆(主杆长一点对电波的辐射有利,但天线的机械强度会降低,要加拉线补强),毛竹要挑结实笔直的,若采用木杆最好要预先涂上几层油漆,以提高耐侯性把铝管的一头按照图三中所示的部位和尺寸套着电工用 PVC 管钻洞用铜螺丝把塑料管和两条铝管振子连接固定起来注意 PVC 管的一边的孔是大一点的,以使螺丝头能与铝管接触把同轴电缆分别抽出约 20mm 芯线和屏蔽线,分别焊上线耳把同轴电缆的芯线接到准备架设在上面的铝管的铜螺丝上,把屏蔽线接到下面的铝管的铜螺丝上用绝缘胶布缠绕在接头和同轴电缆上,使天线和电缆防水用 U 型夹把铝管振子固定在主杆上,U 型夹可以利用旧的电视天线上的同时用扎带把电缆固定好在铝管振子顶上安上一个瓶盖之类的盖子,防止雨水进入铝管振子里面天线的材料也可以利用你手头上容易找到的东西代替并且在架设时也可以依据实际情况进行变化例如,若 PVC 塑料管不好找时,可以不用,只要使上下两根铝管振子相隔约 5mm 固定在主杆上,同轴电缆直接用铜螺丝和两振子端连接就行了(如图一中的示意图),只不过这样一来,天线的防水性能就会差一些,在下雨较小的地方估计影响不会很大。

天线振子也可以用多种金属材料来替代,如铝型材、电工用铁穿线管、细铁水管和空调机铜管等等U 型夹可以用铁丝或尼龙绳等代替,只要能把振子结实地固定在主杆上就行主杆也可以采用 1 寸铁水管,这时天线也可以如图二那样架设,天线振子和拉线构成上下 1/4 波长振子拉线既有固定天线主杆的作用,又有作为天线地网的作用,拉线的绝缘子既可以用厚的环氧树脂板加工,也可以用后面介绍的方法用塑料管等绝缘材料制作,这样制作出来的天线同样工作得很好而且,天线树立起来看起来就是十足专业天线的样子●架设把各部分组装好以后,检查固定连接是否结实,之后找几个人帮忙,一起把主杆竖立起来天线的架设地点对天线的性能很重要,应选择开阔无阻挡的地方(如楼顶、屋顶等),尽量避开高压线、线、电视天线、铁架或其他金属物体,以免互相干扰和影响天线要尽可能地架高,以提高其效能在天线未调整好之前,先虚固定或用人在下面撑着,等天线完全调整好以后,再对天线进行紧固定一般若主杆靠墙固定,用两三个 Ω 型的铁卡分上中下三个地方固定,就能十分稳固了若主杆没有稳固的依靠,就要先想办法固定主杆的底部使其不能移动,然后在用三到四条绝缘拉绳分别从三到四个方向把主杆拉稳。

在放拉绳时要几个方向同时平均用力,否则主杆会因受力不均匀而折断,留一个人在主杆底监测主杆是否垂直兼作指挥,当同时把拉绳拉紧而且主杆垂直时,这时即使摇动主杆不会晃动,就可把拉绳固定●调试这种天线的调整很简单,天线架设完成后,在机器输出端接上 SWR 表,通过调整上下振子的长度或者拉线振子的角度,对天线的驻波比(SWR)特性进行调整,使天线与馈线电缆获得良好的匹配,以提高天馈线系统的效率㈡1/4 波长缩短型天线在移动运用或架设地方狭窄,使用上面介绍的全尺寸天线就显得庞大;一些住在楼房的业余无线电爱好者,由于种种原因不能在楼顶上架设天线,这样架设天线就成为一件非常令人伤脑筋的事情因为在钢筋水泥楼房的室内是无法收发信号的所以,可能的办法是从阳台或窗口伸出小型的天线进行 QSO1/4 波长缩短型天线就是让这些 HAM 也能实现 DX QSO 的梦想而设计的天线这种天线的结构和原理如图四,是把原来 1/4 波长的振子缩短,并在振子的端部加入一个加感线圈,使得缩短后的天线的电气长度与原来相等,而另一半振子通过接地实现加感线圈上设置了若干的抽头,用于对天线进行调整若是打算把天线设置在固定的地方运用的话,也可以通过先试验确定加感线圈的圈数,就不用抽头,这样天线就更美观,耐候性也更好。

●制作天线所用的材料如表二所示,理论上天线的振子越接近 1/4 波长,天线的效率越高,因此,在架设条件允许的话,铝管应尽量的长买的铝管和塑料管最好选用使铝管能刚好插进塑料管的尺寸,这样不但加工方便,也使制作成的天线机械强度高若打算把天线作移动运用时,铝管可以用拉杆天线代替先按照图五所示的尺寸加工铝管和塑料管加工完成后就开始绕线圈,把漆包线一头去掉绝缘层并用铜螺丝固定,在塑料管外间绕约 20 圈,隔 3 圈做一个抽头(如图五),刮掉漆包线的绝缘层再焊上裸铜线一般铝管振子越长,需要的线圈圈数就越小,当振子等于 1/4 波长(2.5 米)时,就不需要加感线圈了若要提高加感线圈的耐候性,当线圈制作完成后,圈外涂上环氧树脂,若加感线圈没有抽头,也可用热缩胶管密封铝管振子与线圈用预先焊好线耳的绝缘导线连接名 称 规 格 数 量铝管 直径 15mm 长约 1.8m 1塑料管 电工用 PVC 内径 16mm 长 30cm 1漆包线 直径 1.2mm 长约 1m 1铜螺丝 4mm x 25mm 4铜螺丝 4mm x 20mm 2线耳 4mm 用 2U 型夹 与主杆直径对应 1绝缘电线 2mm 长 2.5m 1鳄鱼夹 切换线圈抽头用 1●架设为了使天线产生最大的效能,注意配合自己的阳台或窗口,天线要尽量架设在远离建筑物的位置。

天线可以斜上 45 度地伸出去,当在上面没有阻挡时可以垂直地设置,也可以水平地伸出去(如图四),利用原有的凉衣架来固定本天线是个好办法由于这种天线属于接地型的天线,接地的好坏会决定天线的性能和辐射效果,但要在阳台或窗口上装置真正的接地是不容易也是不现实的可以试试利用阳台的栏杆或窗口的金属部分来代替接地看看在靠近天线馈电点的地方钻一个小洞,用自攻螺丝把电缆的外屏蔽层接上,最好外屏蔽层焊个线耳,这样就可使连接既方便又牢固连接好以后,要进行防水处理,防止日后生锈造成许多麻烦(如图五的示意图)另外,也可以把电缆的外屏蔽层接上一到两条 2.5 米长的电线来代替高频接地,电线要尽量拉直,与天线振子成 90 到 130 度张开,以不影响美观和他人为妙(如图四)●调试首先,接上 SWR 表,一边改变加感线圈抽头的连接,一边测量天线的驻波比,若接地正常的话,驻波比应该可以下降到非常低的值当调试到最低点仍嫌驻波比太大或者驻波比无法调小时,就说明接地有问题检查电缆的外屏蔽层和接地的连接是否可靠,作地线的电线伸展得是否足够,天线的周边是否有金属物的影响等等最后,还要确认一下所用的电缆是否 50 欧姆的若在没有驻波比测试仪器的情况下,只能根据接收效果来粗略调整,因为天线具有收发两重性,接收效果好的天线,发射效果也是好的(当然反过来也是一样的)。

把接收机调到灵敏度最高,调整加感线圈抽头,使接收到的噪声或信号最强(最好能请本地的 HAM 发射信号协助调试),然后试改变作地线的电线位置或与天线所成的角度,寻找信号最强点试发射信号,请本地的 HAM 确认你的信号强度,不断调整加感线圈抽头和地线位置直至对方接收到信号最强点 这种天线不单可以应用在 10 米频段,通过增加或减少加感线圈的圈数,还可以使天线工作于其他的业余频段当调试熟练后,转换频段只要转换加感线圈的抽头就可以要获得精细的调谐,就要制作更多的抽头,或者采用天线调谐器㈢倒“V”型天线垂直天线是没有方向性的,能够接收四面八方的信号包括干扰噪声等如果希望常与某个方向的电台进行通讯,又或者需要避开某个方向的干扰的话,就可架设倒“V”型天线(如图六)倒“V”型天线的水平方向辐射图是 8 字型的,天线在 0 和 180 度辐射最大;而在 90 和 270度几乎没有辐射倒“V”型水平天线收发的是水平极化波,而一般地面上的干扰大多表现为垂直极化波因此,倒“V”型水平天线的接收噪音和抗干扰性能比垂直天线好倒“V”型天线在性能上可能不如水平 1/2 波长偶极天线好,但这种天线所用的支撑主杆只用一根,安装架设相对比较方便,调整也相对容易。

●制作天线所用的材料如表三所示,先把 PVC 塑料管裁好,因为它只是作为绝缘和支撑的功用,因此也可以利用手头的其他绝缘物代替按图七的尺寸钻好洞因振子并不太长,因此振子采用较粗的 2mm 绝缘导线制作,当然也可以用裸铜线或裸铁线等代替把作振子的绝缘电线焊上线耳,穿过塑料管上的洞打结固定好,把电缆和振子拉线连接好,做好防水措施后,就完成了天线的馈电部分的制作再用 U 型夹把塑料管馈电部分固定在主杆上(如图七所示)绝缘电线的另一端穿过作绝缘子的塑料管后,先假固定,不要扎死结,以方便以后进行调整导线可以先预留长一些,这样就可避免发现振子短了以后要接长导线在靠近天线馈电点的地方,把电缆以 80mm 的直径绕成一个约 9 圈的线圈(如图六),作为平衡-不平衡转换器,然后固定在主杆上当然也可以采用产品的平衡-不平衡转换器,甚至不用不过若不用平衡-不平衡转换器的话,在电缆的屏蔽层外就有高频电流流过而产生寄生辐射,不但扰乱天线的辐射方向图,同时会引起 TVI(对电视机的干扰)等干扰绝缘子可以用其它绝缘材料制作,也可以干脆不用,用作拉线的尼龙绳直接打结绑住振子端头,只是这种做法其耐久性差一点,但用作移动运用临时架设时就没有问题。

振子的拉线最好采用金属以外的材料,以免拉线影响天线的辐射主杆采用 4~6 米长的毛竹或木杆(主杆不能过短,否则辐射效果会大打折扣)主杆也有用铁水管的,但据说金属的主杆对天线的方向图稍有影响,我没有认真比较过差别●架设名 称 规 格 数 量绝缘电线 直径 2mm 长约 2.5m 2塑料管 电工用 PVC 内径 16mm 长 15cm 3尼龙绳 直径 1.75~2mm 长 7m 2毛竹或木杆 直径 40mm 长 5m 1铜螺丝 4mm x 25mm 2线耳 4mm 用 4U 型夹 与主杆直径对应 6绝缘胶布 馈线防水用 若干扎带 固定电缆用 若干各部分安装完成后,小心竖立起主杆然后固定好主杆的底部慢慢向两边拉开振子线,最好一个人拉一边振子,一个人扶住主杆并察看主杆的垂直情况振子拉好后先进行假固定,等完全调整好后再对拉绳进行紧固两边振子应尽量在一个平面上(成 180 度)拉开,这个平面应正对着你欲通联的方向同时两边振子与主杆所成的夹角应尽量相等;天线的两臂夹角应在90 到 120 度之间,可以获得最佳的辐射效果,同时可获得与电缆的匹配若夹角小于 90 度,两臂的辐射会部分抵消,使天线的辐射性能变差。

若夹角大于 120 度,天线将变成水平偶极天线的性能振子端离地面或楼面的距离应在 2 米以上若振子两端太靠近地面(楼面),会产生电容效应,地面(楼面)会吸收损耗一部分电波当主杆竖立垂直并拉好振子后,发现主杆不牢靠,应在主杆的适当地方加尼龙绳等绝缘材料。

下载提示
相似文档
正为您匹配相似的精品文档