文档详情

7链传动和齿轮传动解析

工****
实名认证
店铺
DOC
477KB
约20页
文档ID:465689231
7链传动和齿轮传动解析_第1页
1/20

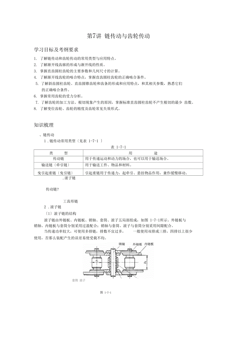
第7讲 链传动与齿轮传动学习目标及考纲要求1. 了解链传动和齿轮传动的常用类型与应用特点2. 了解渐开线齿廓的形成与渐开线的性质3. 掌握直齿圆柱齿轮的主要参数和几何尺寸的计算4. 了解渐开线齿轮的啮合特点,掌握直齿圆柱齿轮的正确啮合条件5. 了解斜齿圆柱齿轮、直齿圆锥齿轮和齿条的形成和应用特点,和其相关参数,熟悉它们 的正确啮合条件6. 掌握常用齿轮的受力分析7. 了解齿轮的加工方法、根切现象产生的原因,掌握标准直齿圆柱齿轮不产生根切的最少 齿数8. 了解变位齿轮、齿轮的精度及齿轮常见失效形式知识梳理、链传动1 .链传动常用类型〔见表 1-7-1 〕表 1-7-1类 型用 途传动链用于传递运动和动力的场合,也可以用于输送场合输送链〔牵引链〕用于输送工件、物品和材料曳引起重链〔曳引链〕引起重链用于传递力,起牵引、悬挂物品作用,兼作缓慢移动滚子链传动链?工齿形链2 .滚子链〔1〕滚子链的结构滚子链由外链板、内链板、销轴、套筒、滚子五局部组成,如图 1-7-1所示外链板与 销轴、内链板与套筒分别采用过盈配合;销轴与套筒、滚子与套筒分别采用间隙配合当传递功率较大,可使用多排链,排数不宜过多, 一般使用双排或三排,四排以上很少使用,否那么装配产生的误差易使受载不均。

套筒 浪子图 1-7-1(2)滚子链的主要参数(见表 1-7-2 )表 1-7-2参数参数要求链轮的齿数链轮的齿数对链传动平稳性和工作寿命影响很大,齿数过少,传动不均匀性变大,齿数过多,链节容易磨损造成脱链一般小链轮齿数 Z1>9,大链轮齿数 z2<120o节距链条相邻两销轴中心线之间的距离 p称为节距,是链条的主要参数节距越大,传动能力越大,但传动时多边形效应也越大,振动、冲击、噪声也越大, 因此,应尽可能选择小节距链传动链条节数当链条的节数为偶数时,接头处可用开口销或弹簧夹锁住;当链条的节数为 奇数,需采用过渡链节3)滚子链的标记滚子链的标记为:链号一排数x链节数 标准编号3 .齿形链齿形链又称无声链, 与滚子链相比,齿形链传动平稳、噪声小,但结构复杂、装拆困难、 质量大、本钱高,主要用于高速传动( v& 30m/s )4 .链传动的特点及应用场合(1)无弹性伸长及打滑现象,能保证准确的平均传动比2)传动效率高,结构紧凑,一般传动效率可达 0.95〜0.983)传动功率大,张紧力小,作用在轴和轴承上的力小4)能在高温、多尘、油污等恶劣环境下工作5)只能传递平行轴间的同向运动6)由于链节的多边形效应,瞬时链速和瞬时传动比不准确,工作中存在冲击和噪声。

7)链条磨损后,链条节距会变大,传动中链条易脱落8)无过载保护功能9)与齿轮传动相比,传动距离较远且结构简单,制造安装精度要求低链传动适用于两轴线平行且距离较远、 瞬时传动比无严格要求,及工作环境恶劣的场合5.链传动的布置链传动中,两链轮轴线应保持平行, 链轮旋转平面在同一平面内, 否那么会产生脱链或不正常磨损见表1-7-3 )表 1-7-3布置方式分类图 形备 注按两链 轮中心 连线的 位置分水平布置耳紧边位于上方较好垂直命置d3倾斜仰£紧边位于上方较好6 .链传动的张紧〔见表 1-7-4〕表 1-7-4张紧目的防止因钱链磨损使链条长度增加, 引起松边垂度过大产生链条与链轮 啮合不良及链条振动,同时也为了增大链条与链轮的包角张调整中心距法紧使用张紧轮法:张紧轮可以放置在靠近主动轮松边外侧也可放置在松方边内侧张紧轮可以是链轮也可以是无齿的滚轮法将磨损变长的链条拆掉 1〜2节二、齿轮传动的分类与应用特点1.传动比2 .齿轮传动的根本要求〔1〕传动要平稳〔2〕承载能力要大3 .齿轮传动的类型〔见表 1-7-5 〕表 1-7-5分类依据类 型两轴线的相对位置平行轴齿轮传动、相交轴齿轮传动及交错铀齿轮传动分度曲面圆柱齿轮传动、锥齿轮传动轮齿的齿廓曲线渐开线齿轮、摆线齿轮、圆弧齿轮齿线形状直齿圆柱齿轮传动、斜齿圆柱齿轮传动、曲线齿轮传动工作条件闭式齿轮传动、半开式齿轮传动和开式齿轮传动啮合方式外啮合齿轮传动、内啮合齿轮传动和齿轮齿条传动工作时的圆周速度高速〔15 m/s以上〕、中速〔3〜15 m/s〕、低速〔3 m/s以下〕4 .齿轮传动的应用特点优点:(1)能保证两齿轮瞬时传动比恒定;(2)能实现两轴平行、相交或交错等传动;(3)传递功率和速度范围大,传动效率高;(4)工作平安可靠、使用寿命长。

缺点:(1)制造和安装精度要求高,制造本钱高;(2)不宜在两轴中心距很大的场合使用;(3)对冲击、振动较敏感渐开线齿廓的形成(见表 1-7-6 )表 1-7-6性 质说 明发生线在基圆上滚过的线段长度等于基 圆上被滚过的弧长NK=NC渐开线上任意一点的法线必定与基圆相 切O基圆的切线必为渐开线上某点的法线渐开线上各点的曲率半径不等渐开线上越靠近基圆,曲率半径越小,渐开线越 弯曲;反之曲率半径越大,渐开线越平直渐开线的形状取决于基圆的大小基圆相同,渐开线形状相同;基圆越小,渐开线 越弯曲;基圆越大,渐开线越平直当基圆半径 趋于无穷大时,渐开线成直线,这种直线型的渐 开线就是齿条的齿廓曲线基圆内无渐开线渐开线上各点的压力角不等越靠近基圆压力角越小,越远离基圆压力角越 大;基圆上压力角为 0渐开线上任意一点的曲率半径计算:分度圆上某点曲率半径 =•、r2-rb2齿顶圆上某点曲率半径 =t:ra2-rb2齿根圆上某点曲率半径 =.rf2-rb2四、直齿圆柱齿轮传动1.直齿圆柱齿轮各局部的名称及代号(见表 1-7-7)表 1-7-7名称说明代号齿顶圆由齿轮各轮齿顶部所围成的圆直彳至da齿根圆由齿轮各轮齿根部所围成的圆。

直彳至df分度圆分度圆是人为设定假想的参考圆, 用作设计、制造齿轮的基准直径d齿距相邻两轮齿在分度圆上所对应的弧长P齿厚齿轮轮齿两侧在分度圆上所对应的弧长s齿槽宽相邻轮齿近侧齿廓在分度圆上所对应的弧长e基距相邻两轮齿在基圆上所对应的弧长Pb全齿高齿顶圆至齿根圆的径向距离h齿顶局分度圆至齿顶圆的径向距离ha齿根高分度圆至齿根圆的径向距离hf中心距相啮合的一对齿轮两轴线间的距离a2 ,直齿圆柱齿轮的根本参数〔见表 1-7-8〕表 1-7-8参数名称代号计算公式说 明备 注齿数ZZ=d/m当其他参数一定时,齿数越多,齿 轮的几何尺寸越大模数mP d m =—=— z z模数直接影响齿轮的大小、轮齿齿 形和强度模数越大,轮齿越大, 承载能力越强齿数相同的齿轮, 模数越大,齿轮的几何尺寸越大单位:mm压力角arbcosot =一 r在分度圆半径不变,齿形角大于 20°时,rb减小,齿顶变尖,齿根 变厚,承载能力增强,但传动较费 力;齿形角小于20时,、增大, 齿顶变宽,齿根变细,承载能力降 低通常所说的压力 角是指分度圆上 的齿形角,且我 国规定为20°齿顶高系数ha*ha ha* =-am正常齿制中 ha* = 1 ,短齿制中ha* = 0.8。

顶隙系数c*c* cc =一 m正常齿制中 c*= 0.25,短齿制中c*= 0.3hf=ha+c顶隙作用是防止 齿顶与另一齿轮 槽底相抵触,此 外,还可以贮存 润滑油齿顶圆、齿根圆、分度圆、基圆压力角的计算:分度圆rbcos 二=一 r齿顶圆rbcos-a 二一 ra齿根圆rbcos"= 一 rf基圆 COS - b =— =1=•:-b =0rb3 .标准直齿圆柱外齿轮的几何尺寸计算〔见表 1-7-9〕表 1-7-9参爹i符号计算公式分度圆直径dd=mz齿顶圆直径da- --. . -.*•da=d+2ha=m(z+2ha)齿根圆直径dfdf=d-2hf=m(z-2ha-2c )基圆直径dbdb= d cos a =mz cos a齿距Pp=兀m齿厚ss= p/2=兀 m/2齿槽宽ee = p/2=兀 m/2基圆齿距PbPb = p COS a = Tt m COS a全齿高hh= h a+ h f= (2h a +c ) m齿顶局ha- -*ha=ha m齿根高hfhf = ha +c= (h a +c ) m顶隙cc=c*m侧隙D由制造公差确定中心距ad〔 d2 m(z1 + z2)a — 十■—— 2 2 2bb=(6 〜12)m,通常取 b=10m4 .标准直齿圆柱内齿轮(1)相关概念内齿轮:齿顶曲面位于齿根曲面之内的齿轮。

外齿轮副:由两个外齿轮组成的齿轮副内齿轮副:有一个齿轮是内齿轮, 另一个齿 轮是外齿轮所组成的齿轮副其中小齿轮是外齿轮,大齿轮是内齿轮)(2)与外齿轮有许多不同点(见表 1-7-10)表 1-7-10比拟要素外齿轮内齿轮渐开线齿廓形状外齿轮的齿廓是外凸的内齿轮的齿廓是内凹的齿厚和齿槽宽内齿轮的齿厚和齿槽宽分别对应于外齿轮的齿槽宽和齿厚为了使渐开线齿廓完整, 大小的比拟四圆da> d > df» dbdf> d > da?db为了使渐开线齿廓完整, 轮与内齿轮的最少齿数外齿4234(3)外啮合齿轮副与内啮合齿轮副的不同点(见表 1-7-11)表 1-7-11比拟要素外啮合齿轮副内啮合齿轮副转向相反相同齿顶圆直径da=m(z+2)da=m(z-2)齿根圆直径df =m(z-2.5)df=m(z+2.5)中心距—m(z1rz2) a2__m(z2-z1) a25 .渐开线齿轮的啮合特点(见表 1-7-12)表 1-7-12啮合特性说 明瞬时传动比恒定i12 =曳=区’=%=常数 在「1' 「b1具有传动可别离性对于基圆半径已定的齿轮副,假设两齿轮中心距大小略有变化,其瞬 时传动比保持不变这种传动比大小不受中心距安装误差影响的特 性称为齿轮传动的可别离性。

齿廓间存在相对滑动一对啮合的齿轮传动中,除了节点 P处两轮的线速度相等外,其余任『点啮合时,两轮啮合点处的线速度大小和方向不相等正确啮合条件pb1=pb2或 m1=m2=m, a=a1=20°连续传动条件B2B11' >1Pb可别离性:当中心距变大,压力角、模数不变,分度圆、基圆、传动比不变;节圆、啮 合角、侧隙、顶隙变大;重合度变小五、其它常用齿轮传动1 .斜齿轮(1)行成。

下载提示
相似文档
正为您匹配相似的精品文档