文档详情

课题二:电动机连续与点动混合控制线路.doc

M****1
实名认证
店铺
DOC
128.50KB
约5页
文档ID:550954672
课题二:电动机连续与点动混合控制线路.doc_第1页
1/5

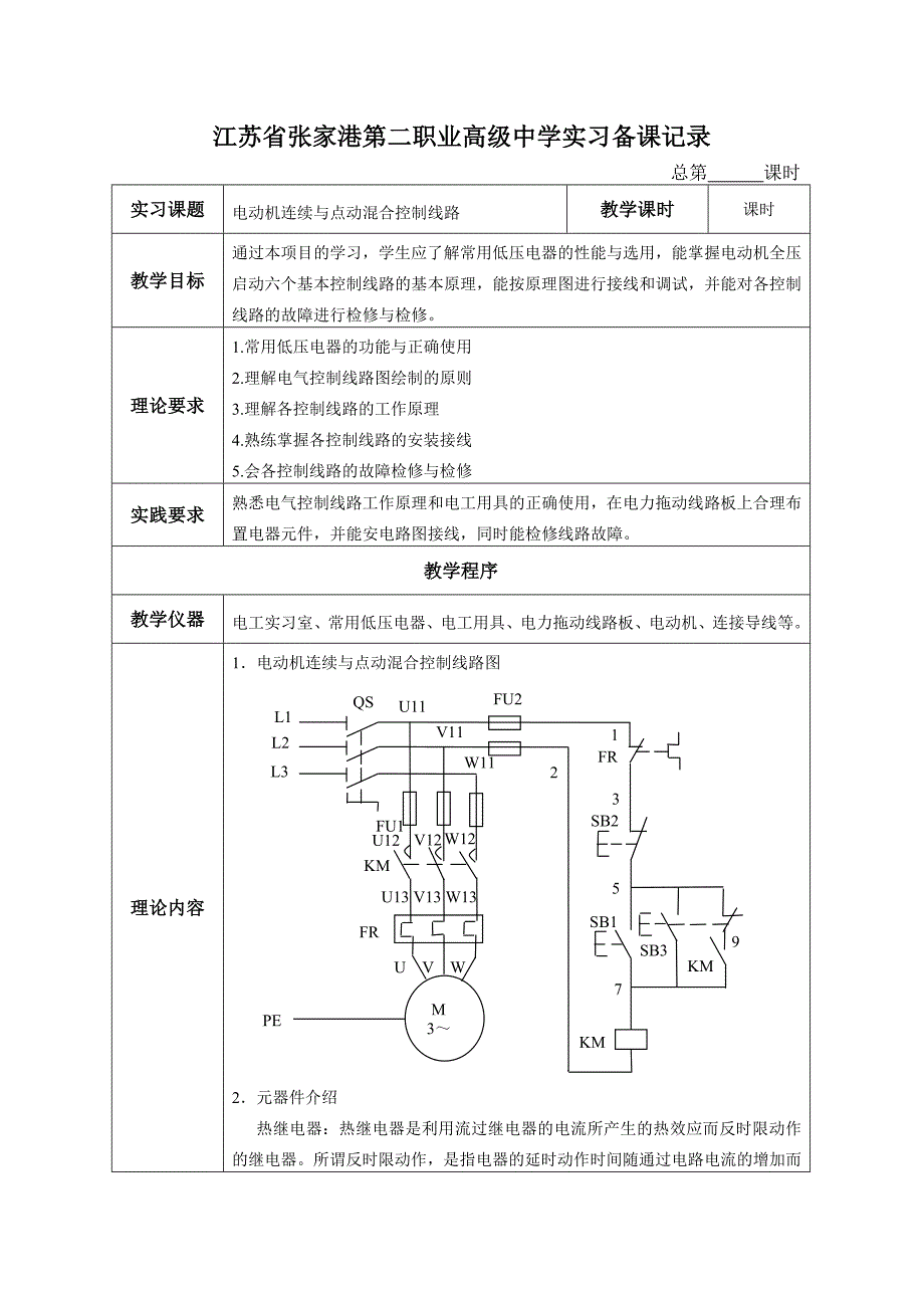
江苏省张家港第二职业高级中学实习备课记录总第 课时实习课题电动机连续与点动混合控制线路教学课时课时教学目标通过本项目的学习,学生应了解常用低压电器的性能与选用,能掌握电动机全压启动六个基本控制线路的基本原理,能按原理图进行接线和调试,并能对各控制线路的故障进行检修与检修理论要求1.常用低压电器的功能与正确使用2.理解电气控制线路图绘制的原则3.理解各控制线路的工作原理4.熟练掌握各控制线路的安装接线5.会各控制线路的故障检修与检修实践要求熟悉电气控制线路工作原理和电工用具的正确使用,在电力拖动线路板上合理布置电器元件,并能安电路图接线,同时能检修线路故障教学程序教学仪器电工实习室、常用低压电器、电工用具、电力拖动线路板、电动机、连接导线等理论内容1.电动机连续与点动混合控制线路图L1L2L3QSFU2FU1U11V11W11M3~U12V12W12KMKMKMFRFRU V WU13 V13 W13SB1SB2SB3PE1357922.元器件介绍 热继电器:热继电器是利用流过继电器的电流所产生的热效应而反时限动作的继电器所谓反时限动作,是指电器的延时动作时间随通过电路电流的增加而缩短。

热继电器主要用于电动机的过载保护、断相保护、电流不平衡运行的保护及其他电气设备发热状态的控制额定电流继电器热带断相保护装置设计序号J R 极数D 热继电器的型号及含义: 热继电器的结构:由热元件、动作机构、触头系统、电流整定装置、复位机构和温度补偿元件等部分组成热继电器的使用:将热继电器的三相热元件分别串接在电动机的三相主电路中,常闭触头串接在控制电路的接触器线圈回路中FR热元件FR常闭触头热继电器的符号:3.控制电路工作原理:先合上电源开关QS1)连续控制:启动:按下SB1KM线圈得电 KM自锁触头闭合自锁 KM主触头闭合 电动机M启动连续运转 停止:按下SB2KM线圈失电 KM自锁触头分断解除自锁 KM主触头闭合 电动机M失电停转 (2)点动控制:启动:按下SB3SB3常闭触头先分断切除自锁电路 SB3常开触头后闭合 电动机M得电启动运转 KM线圈得电 KM自锁触头闭合 KM主触头闭合 停止:松开SB3SB3常开触头先恢复分断 SB3常闭触头后恢复闭合(此时KM自锁触头已分断) 电动机M失电停转 KM自锁触头分断 KM主触头分断 KM线圈失电 操作内容一、 安装说明1.元器件清单代号名称型号规格数量M三相异步电动机Y112M—44KW、380V、△接法、8.8A、1440r/min1QS组合开关HZ10—25/3三极、额定电流25A1FU1螺旋式熔断器RL1—60/25500V、60A、配熔体额定电流25A3FU2螺旋式熔断器RL1—15/2500V、15A、配熔体额定电流2A2FR热继电器JR16—20/3三极、20A、整定电流8.8A1KM交流接触器CJ10—2020A、线圈电压380V1SB按钮LA10—3H保护式、按钮数3(代用)1XT端子板JX—101510A、15节、380V12.安装步骤:(1)识读接触器自锁控制线路,明确线路所用电器元件的作用,熟悉线路的工作原理。

2)检查电器元件的质量是否合格3)绘制布置图(4)绘制接线图(5)根据电路图检查控制线路板的正确性(6)安装电动机(7)连接电动机和按钮金属外壳的保护接地线8)连接电源、电动机等控制板外部的接线 (9)自检(10)交检(11)通电试车二、检测说明学生用万用表检查线路的通断情况应选用倍率适当的电阻挡,并进行校零,以防止短路故障的发生1.对控制电路的检查(可断开主电路),将表棒分别搭在U11、V11线端上,此时读数应为“∞”按下SB1、或按下SB3、或用起子按下KM的衔铁时,指针应偏转很大,读数应为接触器线圈的直流电阻2.对主电路的检查(断开控制电路),看有无开路或短路现象,此时可用手动来代替接触器通电进行检查问题与思考故障检修:控制电路通电检查时,一般先查控制电路,后查主电路1.控制电路:(1)用实验法观察故障现象:FU2U11V11KMKMFRSB1SB2SB3135792ΩΩΩΩ先合上电源开关QS,然后按下SB1或SB3,KM均不吸合 (2)用逻辑分析法判定故障范围:根据故障现象(KM不吸合),结合电路图,可初步确定故障点可能在控制电路的公共支路上 (3)用测量法确定故障点:采用电阻分阶测量法,测量时,首先把万用表的转换开关位置于倍率适当的电阻挡,然后按右图所示方法进行测量。

检查时,首先切断控制电路电源,然后一只手按下SB1或SB3不放,另一只手用万用表依次测量2—1、2—3、2—5、2—7各两点之间的电阻值,根据测量结果可找出故障点故障现象测试状态2—12—32—52—7故障点按下SB1或SB3时,KM不吸合按下SB1不放∞RRRFR常闭触头接触不良∞∞RRSB2接触不良∞∞∞RSB1或SB3接触不良∞∞∞∞KM线圈断路 (4)根据故障点的情况,采取正确的检修方法,排除故障① FR常闭触头接触不良若按下复位按钮时,热继电器常闭触头不能复位,则说明热继电器已损坏,可更换同型号的热继电器,并调整好其整定电流值;若按下复位按钮时,FR的常闭常闭触头复位,则说明FR完好,可继续使用,但要查明FR常闭触头动作的原因并排除② SB2接触不良更换按钮SB2③ SB1或SB3接触不良更换按钮SB1或SB3 ④ KM线圈断路更换相同规格的线圈或接触器2.主电路:(1)用实验法观察故障现象:合上电源开关QS,按下SB1或SB3时,电动机转速极低甚至不转,并发出“嗡嗡”声,应立即切断电源用逻辑分析法确定故障范围;根据故障现象,结合本线路作具体分析,判定故障范围可能在电源电路和主电路上。

2)用测电笔确定故障点:先断开电源开关QS,用测电笔检验主电路无电后,拆除电动机的负载线并恢复绝缘再合上电源开关QS,按下按钮SB1,然后用测电笔从上至下依次测试U11、V11、W11;U12、V12、W12;U13、V13、W13;U、V、W各接点;当测到W13时,发现测电笔的氖泡不亮,即说明连接接触器输出端W13与热继电器受电端W13的导线开路3)根据故障点的情况,采取正确的检修方法,排除故障;更换同规格的连接接触器输出端W13与热继电器受电端W13的导线 检修完毕通电试车;重新连接好电动机的负载线,征得老师的同意后,并在老师的监护下,合上电源开关QS,按下SB1或SB3,观察线路和电动机的运行是否正常,控制环节的动作程序是否符合要求,最好用钳形电流表测电动机三相电流是否平衡等,经检验合格后,电动机正常运行延伸与拓展。

下载提示
相似文档
正为您匹配相似的精品文档