文档详情

PLC电气原理图

宝路
实名认证
店铺
DOC
1.63MB
约4页
文档ID:8122586
PLC电气原理图_第1页
1/4

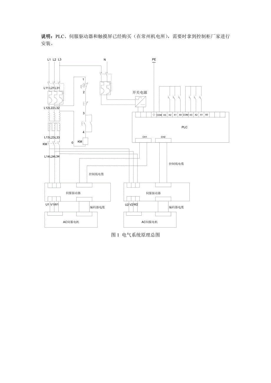
说明:PLC、伺服驱动器和触摸屏已经购买(在常州机电所) ,需要时拿到控制柜厂家进行安装L 1 L 2L 3NP EK M0123A C 伺服电机编码器电缆 编码器电缆K MA C 伺服电机C O MX 0X 1X 2X 3C O MX 0X 1X 2X 3L 1 4 L 2 4C H 1 C H 2控制线电缆控制线电缆P L C伺服驱动器伺服驱动器L 1 1 L 2 1 L 3 1L 1 2 L 2 2 L 3 2L 1 3L 2 3 L 3 3L 3 4U 1 V 1 W 1U 2V 2W 24开关电源图 1 电气系统原理总图C W 0 ( 1 0 0 C H 0 0 位 )C O M ( 1 0 0 C H 0 0 位用 )C C W 0 ( 1 0 0 C H 0 1 位 )C O M ( 1 0 0 C H 0 1 位用 )脉冲输出 0原点搜索 0 ( 1 0 1 C H 0 2 位 )启动伺服 1 ( 1 0 0 C H 0 4 位 )启动伺服 2 ( 1 0 0 C H 0 5 位 )C O M ( 1 0 1 C H 0 0 ~ 0 3 位用 )输出端子台输入端子台脉冲 0 原点输入信号 ( 0 C H 0 0 位 )C O M ( 0 C H , 1 C H )C W 1 ( 1 0 0 C H 0 2 位 )C C W 1 ( 1 0 0 C H 0 3 位 )C O M ( 1 0 0 C H 0 2 、 0 3 位用 )脉冲输出 1原点搜索 1 ( 1 0 1 C H 0 3 位 )C O M ( 1 0 1 C H 0 0 ~ 0 3 位用 )脉冲 0 原点接近输入信号 ( 0 C H 0 1 位 )脉冲 1 原点输入信号 ( 0 C H 0 2 位 )脉冲 1 原点接近输入信号 ( 0 C H 0 3 位 )+ 2 4 V C W- C W14+ 2 4 V C C W2- C C W6E C R S T3 0Z C O M2 5Z1 9+ 2 4 V I N7R U N2 9A L M C O M3 6/ A L M3 7I N P3 9I N P C O M3 8R E A D Y3 5R E A D Y C O M3 4R E S E T3 1L 1 4L 2 4L 3 4B 1B 3B 2VUW123546外壳C N 1 T BT BC N 2+ 2 4 V C W- C W14+ 2 4 V C C W2- C C W6E C R S T3 0Z C O M2 5Z1 9+ 2 4 V I N7R U N2 9A L M C O M3 6/ A L M3 7I N P3 9I N P C O M3 8R E A D Y3 5R E A D Y C O M3 4R E S E T3 1L 1 4L 2 4L 3 4B 1B 3B 2VUW123546外壳C N 1 T BT BC N 22 k W 伺服驱动器1 k W 伺服驱动器ABCD2 k W 电机HGTKSLJ动力编吗器ABCD1 k W 电机HGTKSLJ动力编吗器1 轴报警输出 ( 0 0 C H 0 5 位 )1 轴定位完成 ( 0 0 C H 0 6 位 )1 轴伺服准备好 ( 0 0 C H 0 4 位 )2 轴报警输出 ( 0 0 C H 0 8 位 )2 轴定位完成 ( 0 0 C H 0 9 位 )2 轴伺服准备好 ( 0 0 C H 0 7 位 )D C 2 4 V 输入端了 ( + )D C 2 4 V 输入端子 ( - )清除伺服报警 1 ( 1 0 0 C H 0 6 位 )清除伺服报警 2 ( 1 0 0 C H 0 7 位 )C O M ( 1 0 0 C H 0 4 ~ 0 7 位 )外壳F G外壳F G1 0 0 . 0 01 0 0 . 0 11 0 1 . 0 21 0 0 . 0 21 0 0 . 0 31 0 1 . 0 31 0 0 . 0 41 0 0 . 0 51 0 0 . 0 61 0 0 . 0 70 0 . 0 00 0 . 0 10 0 . 0 20 0 . 0 30 0 . 0 40 0 . 0 50 0 . 0 60 0 . 0 70 0 . 0 80 0 . 0 91 0 0 . 0 01 0 0 . 0 11 0 1 . 0 20 0 . 0 01 0 0 . 0 41 0 0 . 0 60 0 . 0 40 0 . 0 50 0 . 0 61 0 0 . 0 21 0 0 . 0 31 0 1 . 0 30 0 . 0 21 0 0 . 0 51 0 0 . 0 70 0 . 0 70 0 . 0 80 0 . 0 9输入端子台输出端子台1 轴近端限位开关 ( 0 1 C H 0 0 位 )1 轴远端限位开关 ( 0 1 C H 0 1 位 )2 轴近端限位开关 ( 0 1 C H 0 2 位 )2 轴远端限位开关 ( 0 1 C H 0 3 位 )0 1 . 0 00 1 . 0 10 1 . 0 20 1 . 0 32 4 V ( + )2 4 V ( - )伺服端口接线:1 棕、2 橙、4 白棕、6 白橙、7 蓝、19 绿、25 白绿、29 白蓝、30 棕、31 白棕、34 橙、35 白橙、36 绿、37 白绿、38 蓝、39 白蓝棕黑蓝1 轴原点接近开关棕黑蓝2 轴原点接近开关棕黑蓝1 轴近端限位开关棕黑蓝1 轴远端限位开关棕黑蓝2 轴近端限位开关棕黑蓝2 轴远端限位开关2 4 V ( + )2 4 V ( - )2 4 V ( + )2 4 V ( + )2 4 V ( + ) 2 4 V ( + )2 4 V ( + )2 4 V ( - )2 4 V ( - )2 4 V ( - )2 4 V ( - )2 4 V ( - )0 0 . 0 10 0 . 0 30 1 . 0 00 1 . 0 10 1 . 0 20 1 . 0 3图 2 PLC、伺服驱动器、电机码盘和限位开关连线图91 0 1 1 1 28451 2367序号 名称 数量 品牌 规格型号 备注1 三相断路器 1 正泰或其他品牌 DZ47-C16 额定电流 16A2 单相断路器 1 正泰或其他品牌 DZ47-60 C16 额定电流 16A3 开关电源 1 正泰或其他品牌 24V 50W 用于 PLC 供电4 2KW 伺服驱动器 1 欧姆龙 已购5 1KW 伺服驱动器 1 欧姆龙 已购6 PLC 1 欧姆龙 已购7 交流接触器 1 正泰或其他品牌 CJ20-16A 额定电流 16A8 三相 AC 变压器 1 ~380/220×3 3KVA 电机驱动器需要3 相 220 供电9 触摸屏 1 台湾维纶 已购10 开启按钮 1 正泰或其他品牌 NP4-11BN 红色不自锁11 关闭按钮 1 正泰或其他品牌 NP4-11ZS 绿色不自锁12 自锁按钮 1 正泰或其他品牌 红色自锁(蘑菇头)图 2 器件布置图。

下载提示
相似文档
正为您匹配相似的精品文档