文档详情

7噪声环境现状及影响评价

hs****ma
实名认证
店铺
DOC
249.50KB
约12页
文档ID:474186135
7噪声环境现状及影响评价_第1页
1/12

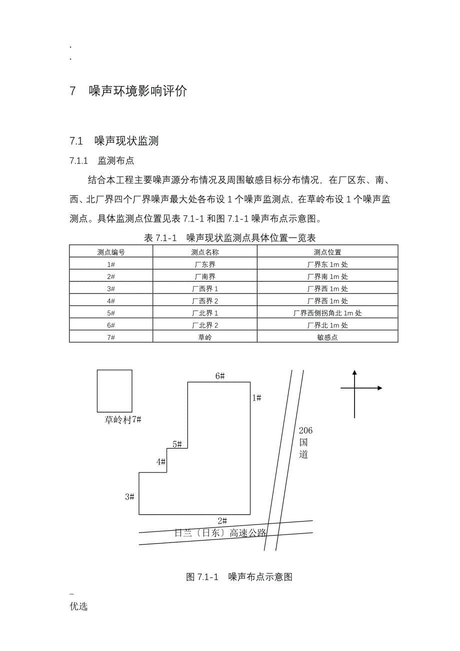
.7 噪声环境影响评价7.1 噪声现状监测7.1.1 监测布点结合本工程主要噪声源分布情况及周围敏感目标分布情况,在厂区东、南、西、北厂界四个厂界噪声最大处各布设1个噪声监测点,在草岭布设1个噪声监测点具体监测点位置见表7.1-1和图7.1-1噪声布点示意图表7.1-1 噪声现状监测点具体位置一览表测点编号测点名称测点位置1#厂东界厂界东1m处2#厂南界厂界南1m处3#厂西界1厂界西1m处4#厂西界2厂界西1m处5#厂北界1厂界西侧拐角北1m处6#厂北界2厂界北1m处7#草岭敏感点6#2#3#4#1#7#5#206国道日兰〔日东〕高速公路草岭村图7.1-1 噪声布点示意图监测于2011年3月12日进展,监测1天,白天和夜间各一次测量时无雨、风速小于5m/s监测仪器为AWA6218噪声统计分析仪。

7.1.2 监测方法按"工业企业厂界环境噪声排放标准"〔GB12348-2021〕规定的方法7.1.3 监测工程L10、L50、L90、Leq(A)7.1.4 监测结果 噪声监测统计结果见表7.1-2 表7.1-2 噪声现状监测结果表 单位:dB(A)测点编号测点名称Leq昼间夜间L10L50L90LeqL10L50L90Leq1#厂东界74.867.460.471.564.157.853.361.12#厂南界64.361.857.162.457.454.550.254.93#厂西界157.454.351.955.351.248.745.549.84#厂西界257.452.947.453.348.245.340.545.85#厂北界160.656.152.757.249.847.142.647.96#厂北界261.757.850.958.350.948.146.348.87#草岭52.649.646.251.045.842.436.942.97.2 噪声现状评价7.2.1 评价标准厂界噪声评价执行"工业企业厂界环境噪声排放标准"(GB12348-2021) 3类标准,即昼间65dB(A)、夜间55dB(A)。

草岭噪声现状评价执行"声环境质量标准"(GB3096-2021) 2类标准,即昼间60dB(A)、夜间50dB(A)7.2.2 评价方法 评价方法采用超标值法,计算公式为P = Leq-Lb式中:P—超标值,dB(A); Leq—测点等效A声级,dB(A); Lb—噪声评价标准,dB(A)7.2.3 评价结果 噪声现状评价结果见表7.2-1 表7.2-1 噪声现状评价结果表 单位:dB(A)测点编号昼 间〔Id〕夜 间〔In〕LeqLbPLeqLbP1#71.565+6.561.155+6.12#62.4-2.654.9-0.13#55.3-9.749.8-5.24#53.3-11.745.8-9.25#57.2-7.847.9-7.16#58.3-6.748.8-6.27#51.060-9.042.950-7.1 由表7.2-1可见,1#东厂界监测点昼、夜间噪声值均不能满足"工业企业厂界环境噪声排放标准"(GB12348-2021)中3类标准的要求,其余监测点昼、夜间噪声值均能满足"工业企业厂界环境噪声排放标准"(GB12348-2021)中3类标准的要求。

1#东厂界监测点超标主要是由于交通车辆经过所致;7#监测点昼、夜间噪声值能够满足"声环境质量标准"(GB3096-2021) 2类标准的要求7.3 噪声环境影响预测与评价7.3.1 厂内拟建及在建工程运行后主要噪声源分析拟建工程主要噪声源情况见表7.3-1,在建工程主要噪声源情况见表7.3-2表7.3-1 拟建工程主要噪声源及声级值序号噪声源〔设备〕数量空间位置单机声级[dB(A)]频率特性发生持续时间降噪措施1加热炉2重交沥青85中、低频连续低噪声火嘴2真空泵895中、低频连续进出气口安装消声器+ +厂房隔声+减震处理3空冷风机280中、低频连续管道包扎阻尼材料+厂房隔声+减震处理4鼓风机和引风机485中、低频连续进出口消声器+根底减震+隔声罩表7.3-2在建工程主要噪声源及声级值序号噪声源〔设备〕数量空间位置单机声级[dB(A)]频率特性发生持续时间降噪措施1进料泵2MCC装置90中、低频连续减震处理+厂房隔声2主风机1105中、低频连续进出气口安装消声器+管道包扎阻尼材料+厂房隔声+减震处理3气压机195中、低频连续进出口消声器+厂房吸声隔声4增压机195中、低频连续进出口消声器+厂房吸声隔声5丙烯塔中间泵3气分装置80中、低频连续减震处理+厂房隔声6回流泵380中、低频连续减震处理+厂房隔声7鼓风机1硫磺回收90机旁频谱呈宽性特征,随距离增加低频性质突出连续进出气口安装消声器+管道包扎阻尼材料+厂房隔声+减震处理8空压站空压机5压缩厂房90中、低频连续厂房内设吸声材料+厂房隔声9制氮压缩机290中、低频连续厂房内设吸声材料+厂房隔声10循环水泵3循环水系统80中、低频连续减震处理+厂房隔声11鼓风机2锅炉系统95机旁频谱呈宽性特征,随距离增加低频性质突出连续进出气口安装消声器+管道包扎阻尼材料+厂房隔声+减震处理12引风机295中、低频连续进出口消声器+厂房吸声隔声13压缩机4延迟焦化装置90中、低频连续厂房内设吸声材料+厂房隔声14空冷器490中、低频连续隔声+减振15鼓风机495机旁频谱呈宽性特征,随距离增加低频性质突出连续进出气口安装消声器+管道包扎阻尼材料+厂房隔声+减震处理16空冷器4加制氢装置90中、低频连续隔声+减振17鼓风机495机旁频谱呈宽性特征,随距离增加低频性质突出连续进出气口安装消声器+管道包扎阻尼材料+厂房隔声+减震处理利用隔声、吸声、共振等声学原理,利用外隔、内吸以及安装消声器等方法进展综合治理,能够使受其影响的厂界噪声得到有效控制。

1.从整体上控制合理的布置空间,将真空泵等高噪声的设备放在相近的位置,用仓库、围墙等不敏感的建筑物做屏障隔绝噪声2.对机器的控制首先,在采购设备时要求的厂家制造的设备噪声值必须小于设计标准值在设备安装时完全按照安装要求进展,防止设备的重心偏移和安装间隙,减少不必要的噪声其次,对于设备因运行产生的噪声,根据噪声的性质,进展如下处理:⑴ 空气动力性噪声:空气动力性噪声可以通过安装消声器来消除⑵ 机械噪声:对设备产生的机械噪声,可以采用建隔声室或隔声罩进展控制⑶ 振动辐射的固体声:对设备采用柔性连接代替机器与基座之间的钢性连接,可以减少根底振动辐射的固体声和电动机噪声⑷ 在厂房建筑设计中将值班室与噪声源隔离,值班室墙壁应采取隔音处理,采用符合国家标准的隔声门,双层玻璃的隔声窗,以保护操作控制人员的身心**采取降噪措施后工程噪声源具体情况见表7.3-3、7.3-4表7.3-3 拟建工程主要噪声源及声级值噪声源降噪措施发生持续时间频率特性噪声级重交沥青装置加热炉低噪声火嘴连续中、低频70真空泵进出气口安装消声器+ +厂房隔声+减震处理连续中、低频75空冷风机管道包扎阻尼材料+厂房隔声+减震处理连续中、低频75鼓风机和引风机进出口消声器+根底减震+隔声罩连续中、低频70表7.3-4在建工程主要噪声源及声级值噪声源降噪措施发生持续时间频率特性噪声级MCC装置进料泵减震处理+厂房隔声中、低频连续70主风机进出气口安装消声器+管道包扎阻尼材料+厂房隔声+减震处理中、低频连续75气压机进出口消声器+厂房吸声隔声中、低频连续75增压机进出口消声器+厂房吸声隔声中、低频连续70气分装置丙烯塔中间泵减震处理+厂房隔声中、低频连续70回流泵减震处理+厂房隔声中、低频连续70硫回收鼓风机进出气口安装消声器+管道包扎阻尼材料+厂房隔声+减震处理中、低频连续75压缩厂房空压站空压机进出口消声器+厂房吸声隔声中、低频连续70制氮压缩机进出口消声器+厂房吸声隔声中、低频连续70循环水系统循环水泵减震处理+厂房隔声中、低频连续70锅炉厂房鼓风机进出气口安装消声器+管道包扎阻尼材料+厂房隔声+减震处理机旁频谱呈宽性特征,随距离增加低频性质突出连续75引风机进出口消声器+厂房吸声隔声中、低频连续70延迟焦化装置压缩机厂房内设吸声材料+厂房隔声中、低频连续70空冷器隔声+减振中、低频连续70鼓风机进出气口安装消声器+管道包扎阻尼材料+厂房隔声+减震处理机旁频谱呈宽性特征,随距离增加低频性质突出连续75加制氢空冷器隔声+减振中、低频连续70鼓风机进出气口安装消声器+管道包扎阻尼材料+厂房隔声+减震处理机旁频谱呈宽性特征,随距离增加低频性质突出连续757.3.2 噪声环境影响预测7.3.2.1 预测模式按照"环境影响评价技术导那么 声环境"〔HJ2.4-2021〕中推荐的模式进展预测,预测模式如下:单个室外的点声源在预测点产生的声级计算根本公式〔1〕如声源的倍频带声功率级〔从63Hz 到8KHz 标称频带中心频率的8个倍频带〕,预测点位置的倍频带声压级可按公式〔A.1〕计算:〔A.1〕。

下载提示
相似文档
正为您匹配相似的精品文档