文档详情

功能测试用例实战详细案例

ni****g
实名认证
店铺
DOCX
36.32KB
约31页
文档ID:466697000
功能测试用例实战详细案例_第1页
1/31

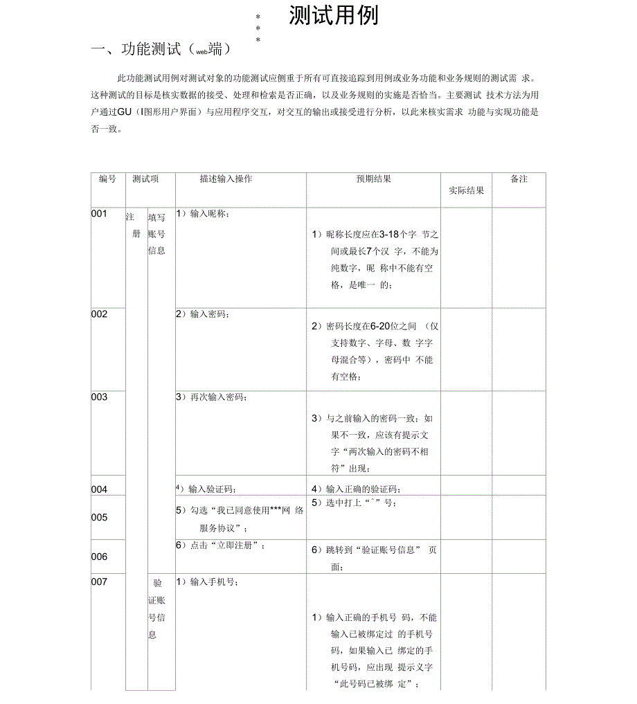
测试用例一、功能测试(web端)此功能测试用例对测试对象的功能测试应侧重于所有可直接追踪到用例或业务功能和业务规则的测试需 求这种测试的目标是核实数据的接受、处理和检索是否正确,以及业务规则的实施是否恰当主要测试 技术方法为用户通过GU(I图形用户界面)与应用程序交互,对交互的输出或接受进行分析,以此来核实需求 功能与实现功能是否一致编号测试项描述输入操作预期结果实际结果备注001注册填写 账号 信息1)输入昵称;1)昵称长度应在3-18个字 节之间或最长7个汉 字,不能为纯数字,昵 称中不能有空格,是唯一 的;0022)输入密码;2)密码长度在6-20位之间 (仅支持数字、字母、数 字字母混合等),密码中 不能有空格;0033)再次输入密码;3)与之前输入的密码一致;如 果不一致,应该有提示文 字“两次输入的密码不相 符”出现;0044)输入验证码;4)输入正确的验证码;0055)勾选“我已同意使用***网 络服务协议”;5)选中打上“^”号;0066)点击“立即注册”;6)跳转到“验证账号信息” 页面;007验证账号信息1)输入号;1)输入正确的号 码,不能输入已被绑定过 的号码,如果输入已 绑定的号码,应出现 提示义字“此号码已被绑 定”;0082)点击发送验证码;2)输入的号收到短信验 证码;每天只能获取3 次,每次间隔60秒;0093)输入验证码;3)输入正确的验证码;0104)提交;4)跳转到“注册成功”页 面;011登陆1)选择“"账号登录”或者“**账号登录”;1)选择一个登录方式,进入 相应的登录界面;0122) 输入账号;3) 输入密码;2) 输入正确的账号;***账号 可以用注册时的昵称或者 绑定的号码;3) 输入正确的密码;0134 )点击“登录”;4)跳转到“个人主页”;014找 回 密 码输入 账号1)输入账号;1)输入要找回密码的正确账 号;0152)输入验证码;2)输入正确的验证码;0163)点击“下一步”;3)跳转到“验证身份”页 面;017验 证 身 份1)输入注册号码;1)输入正确的号 码;0182)点击发送验证码;2)收到短信验证码; 每天只能获取3次,每 次间隔60秒;0193)输入验证码;3)输入正确的短信验证码;0204)点击“提交”;4)跳转到“重置密码”页 面;021密码 重置1)输入新密码;1)密码长度在6-20位之间 (仅支持数字、字母、数 字字母混合等),密码中 不能有空格;0222)再次输入新密码;2)与之前输入的密码一致; 如果不一致,应该有提示文字“两次输入的密码不相符”出 现;0233)点击“下一步”;3)跳转到“找回成功” 页面;024搜题目1)输入关键字;1)输入要搜索的问题的2)点击搜索或按回车关键字;2)跳转到搜索出来的问题页 面,所有搜索出来的问题 必须包含关键字,关键字 用红色突出显示,搜索 内容不能为空,如果为 空,应有提示文字“搜索 内容不能为空”出现025提 问 题年级、学科点击“年级/学科”学科和年级对应,不 同的 年级,所对应的 学科也可 能有所不同026上传 图片1)点击“上传图片”;1)跳出图片选择窗口,判断 用户是否登录,若未登 录,提示:“请先登 录”;0272)选择图片并打开;2)在内容框的止下方出现图 片预览图,再次点击上传 图片,上传新的图片,则 会替代前一张预览图, 若不需要图片,可以点击 关闭符号关掉;上传图片 大小最大不得超过 5M(PC压缩图片 750*500 )028问学(=1=) 霸1)点击“问学霸”;1)显示自己关注的学霸好友 列表,注意此处显示的学 霸好友为我关注的好 友,而非关注我的好友, 判断用户是否登录,若未 登录,提示:“请先登 录”。

0292)选择学霸好友2)最多同时@3个学霸好 友,如果超过3个,应当有 提示义字“被@的学霸 不能超过3个”,另 夕卜,不能重复选择同一个 学霸,如果重复选择,应 当有提示文字“不能重复 选择同一个学霸”,还 可以输入关键字搜索学霸 好友;030悬赏点击“悬赏”出现数字列表,默认悬赏 ***数目为0~10,但悬 赏的***数目不得超过账 户本身余额031联 系 我 们教师介绍点击“教师介绍”***所有老师介绍,各学 科老师介绍;点击各学科 分类能进入到相应学科的 老师介绍页面;032隐私 保护点击“隐私保护”关于对用户隐私保护 说明033服务条款点击“服务条款”用户使用***需要遵守的 服务条款说明034帮助 中心点击“帮助中心”***常见问题问答说明035联系我们点击“联系我们”***的联系方式036反馈 中心1)点击“反馈中心”1)出现反馈中心页面0372)输入反馈内容2)输入用户对web网站的 建议或投诉,字数在 5~1000 字;0383)输入用户名、、Email、联系方式、验证码3)用户名、、Email、联系方式为选填,验证码 必填,且要填写正角;0394)点击“提交”;4)提示“反馈成功”;040页面昵 称点击页面昵称新信息的提醒在页面昵称 右上角“红点”表示,点 击可下拉查看个“人主 页”、“我的提问”、“我的回答”、“消息中心” 4个菜单;点击 相应的菜单能进入相应的 页面;041个 人 主 页个人主页个人主页1)点击“修改头 像”;1)弹出头像编辑框,点击“本地照片”可以选择照 片,大小不超过2M ; 个人主页上方的大头像下 面显示的“学霸好友” 和“关注我的”可以点击 到相应页面;0422)点击“编辑”;2) “编辑”变成“保存”, 可以修改“昵称”、“性 别”、“生日”、“星 座”、“家乡”、“居住 地”,修改好后点击“保存”,显示修改后 的信息状态;043账号管 理点击“编辑”;“编辑”变成“保存”, 号码的右侧出现“修 改号”,登录密码 的右侧出现“修改密 码”;044点击“修改手 机号”;跳转到更换号页面, 输入新的号码,如果 已被绑定应有提示义字“此号码已被绑定”; 发送验证码,收 到验证码后再输入正确的 验证码,点击下步, 跳转到“完成”页面,点 击“确认”后返回账号管 理编辑页面;注意,每天只 能获取3次验证码,每次 间隔60秒。

045点击“修改密码”;跳转到修改密码页面,输 入绑定的号,发送验 证码,收到验证码后 再输入正确的验证码,点 击下一步,跳转到“重 置密码”页面,输入新密 码,要求密码长度在6- 20位之间(仅支持数字、 字母、数字字母混合 等),密码中不能有空 格;再次输入密码,与之 前输入的密码致;如果 不一致,应该有提示文字 “两次输入的密码不相 符”出现;修改完成后 确认,返回账号管理编辑 页面;然后点击“保 存”,显示修改后的信息 状态;修改 密码 流程 还未 确 定,是先 输入 1日密 码再 输入 新密 码?046学习 信息1)点击“编辑”;1)修改年级和学校信息;047我的提问1)点击“我的提问”;1)展示我在***中提出的所 有问题;格式为:问题文 字描述、问题图片缩略 图、提问时间、年级学 科、提问渠道(包括pc 和型号)、回答数; 点击可以进入问题详情页 进行相关操作;048我的 回答1)点击“我的回答”;1)展示我在***中解答的所 有问题,回答方式分为文 字回答、图片回答和文字 +图片回答,义字不超过1000 字;格式为:回答的文字 描述、回答图片、回答的 问题、回答时间、年级 学科、回答渠道(包括 PC和型号)、回答 数;注意,我的回答要在 回答的问题的上方显示。

049消息 中心回答我的1)点击“回答我的”1)我提问的问题,一旦有新的 回答,都在此显示,点击 可查看详情,格式:臬臬 (用户名)回答了您“问 题描述”的提问;未读的 消息显示黑色加粗字体和 蓝色封闭的信封图标,另 夕卜,每读一条消息之后,“回答我的”右上角的数 字也相应减少;已读的消 息显示黑色未加粗字体和 黑色打开的信封图标;050@求助 我答1)点击“ @求助 我答”;1)显示好友@求助我的问 题,点击进去可以帮好友 解答问题,格式:臬臬 (用户名)求助了您“问 题描述”的问题;未读 的消息显示黑色加粗字体 和蓝色封闭的信封图标, 另外,每读一条消息之 后,“ @求助我答”右 上角的数字也相应减 少;已读的消息显示黑色 未加粗字体和黑色打开的 信封图标;051回答被 米纳1)点击“回答被 采纳”;1)在别人提的问题中我做出 的回答,一旦被提问者采 纳,将在此处显示,点击可查看详情, 格式为:臬臬(用户名)采 纳了您“问题描述”的 回答;未读的消息显示黑 色 加粗字体和蓝色封闭 的信封图标,另外,每读 —条消息之后,“回答被 采纳”右上角的数字也相 应减少;已读的消息显示 黑色未加粗字体和黑色打 开的信封图标;052系统消息1)点击“系统消息”.;1)显示系统官方提示的消息 列表,点击消息进入消息 详情贞;未读的消息显 示黑色加粗字体和蓝色封 闭的信封图标,另外, 每读一条消息之后,“系 统消息”右上角的消息数 也相应减少;已读的消 息显示黑色未加粗字体和 黑色打开的信封图标;053我的收藏1)点击“我的收藏”;1)显示收藏的问题列表,点击“取消收藏”后该问 题在“我的收藏”列表 页消失,同时页面跳转到 原问题详情页;054右 侧 工 具回归 顶部点击图标回到页面顶部055栏维码 下载鼠标在图标上悬停出现***二维码(IOS还是Android ?),扫描可打开连接进行下载056教师点击“教师”进入教师介绍列表页面,点击 各个学科可进入相应学科的教 师列表页057收藏点击“收藏”出现添加收藏窗口,将 ***网址保存到浏览器上058反馈点击“反馈”进入反馈中心,填写相关信息 后,通过系统后台可以看到反 馈的内容059分-享鼠标悬停在“分享”。

下载提示
相似文档
正为您匹配相似的精品文档