文档详情

装配式钢结构现场验收相关表格

ni****g
实名认证
店铺
DOC
117KB
约6页
文档ID:541246951
装配式钢结构现场验收相关表格_第1页
1/6

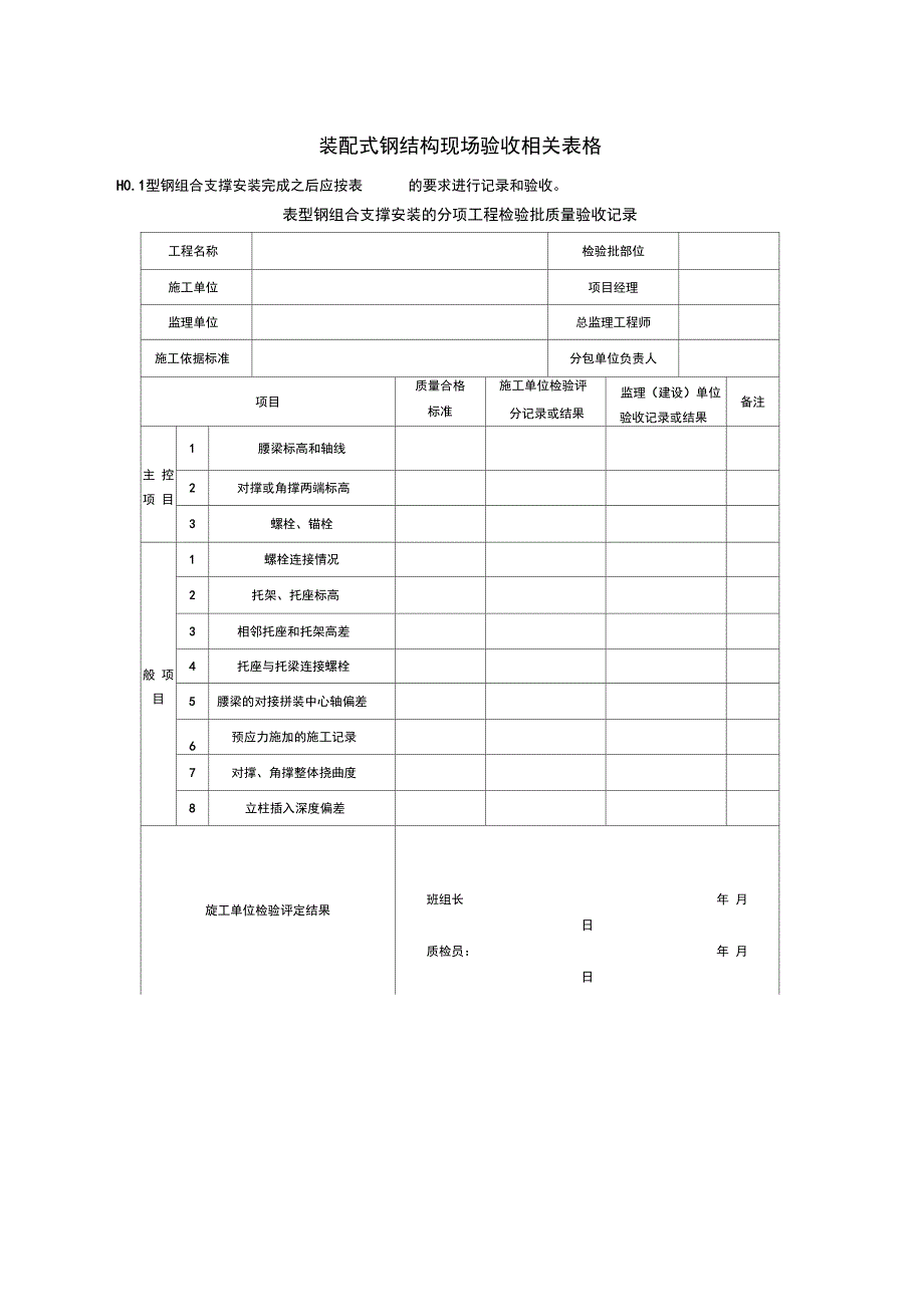
装配式钢结构现场验收相关表格H0.1型钢组合支撑安装完成之后应按表 的要求进行记录和验收表型钢组合支撑安装的分项工程检验批质量验收记录工程名称检验批部位施工单位项目经理监理单位总监理工程师施工依据标准分包单位负责人项目质量合格标准施工单位检验评分记录或结果监理(建设)单位 验收记录或结果备注主 控 项 目1腰梁标高和轴线2对撑或角撑两端标高3螺栓、锚栓般 项 目1螺栓连接情况2托架、托座标高3相邻托座和托架高差4托座与托梁连接螺栓5腰梁的对接拼装中心轴偏差6预应力施加的施工记录7对撑、角撑整体挠曲度8立柱插入深度偏差旋工单位检验评定结果班组长 年 月日质检员: 年 月日监理(建设)单位验收结论监理工程师:(建设单位项目技术人员) 年 月 日项目名称进场批次分包单位进场日期规格□ O 609支撑 口 O 800支撑进场数量(可按重量记录也可按活络头、支撑段、钢套筒等数量记录)抽检数量(可按重量记录也可按活络头、支撑段、钢套筒等数量记录)产品合格证□ 有 □无 质量保证书□ 有 □无检查项目检查结果钢支撑壁厚实测壁厚区间(cm )活络头变形□无□部分不合格不合格数量固疋端端头开孔□无□部分不合格不合格数量支撑严重弯曲□无□部分不合格不合格数量钢套筒质量□全部合格□部分不合格不合格数量不合格照片(黏贴处,不够可附页)不合格处理措施材料负责人质量负责人 检查日期填表说明:1)进场批次按进场先后顺序填写数字,检查数量为进场数量的 10%。

2)检查项目中钢支撑壁厚应通过专门的测厚仪检测, 0609钢支撑壁厚为16mm, 0800钢支撑壁厚为12mm3)检查项目中钢套筒质量指进场的钢套筒有无变形、接缝焊接有无质量缺陷等项目名称进场批次分包单位进场日期规格□双拼型钢 口多拼型钢进场数量(可按重量记录也可按根数记录)检查数量(可按重量记录也可按根数记录)检查项目检查结果型钢规格设计规格实际规格腰梁端头平整度□全部合格□部分不合格不合格数量腰梁弯曲□全部合格□部分不合格不合格数量型钢拼接质量□全部合格□部分不合格不合格数量不合格照片(黏贴处)不合格处理措施总包检验人检查日期填表说明:1)进场批次按进场先后顺序填写数字, 检查数量为进场数量的 10%2)检查项目中型钢拼接质量指进场时已进行拼装的钢腰梁质量情况项目名称工程部位分包单位支撑编号检查项目检查结果坑内作业螺栓连接□ 合格 □ 不合格支撑端面平整度□ 合格 □ 不合格竖向斜撑牛腿焊接质量□ 合格 □ 不合格支撑挠度□ 合格 □ 不合格钢楔安装质量钢楔伸入支撑长度( )cm活络头伸长长度( )cm旁站人旁站日期地面作业预加轴力控制设计预加轴力( )MPa实际油泵施加 ( )Mpa旁站人旁站日期不合格照片(黏贴处)不合格处理措施填表说明:1)钢支撑安装过程旁站记录分坑内和地面作业两部分,旁站人应分开记录,并汇总到该表中。

项目名称工程部位分包单位对应支撑编号检查项目检查结果型钢接头质量□ 全部合格□部分不合格牛腿焊接质量□ 全部合格□部分不合格支撑位置加劲板□ 全部合格□部分不合格背部回填□ 全部合格□部分不合格不合格照片(黏贴处)不合格处理措施旁站人旁站日期填表说明:1)钢腰梁应全数检查,每张表检查钢腰梁长度应以对应钢支撑不超过3根为限,以对应钢支撑编号为标记2)检查项目中型钢接头质量指在基坑内安装钢腰梁时, 腰梁间的安装连接质量3)检查项目中有不合格的,应黏贴全部不合格照片(不够可附页)并填写处理措施。

下载提示
相似文档
正为您匹配相似的精品文档