文档详情

钢管,无缝方管,无缝矩形管,力学性能

wt****50
实名认证
店铺
PDF
80.30KB
约7页
文档ID:44605975
钢管,无缝方管,无缝矩形管,力学性能_第1页
1/7

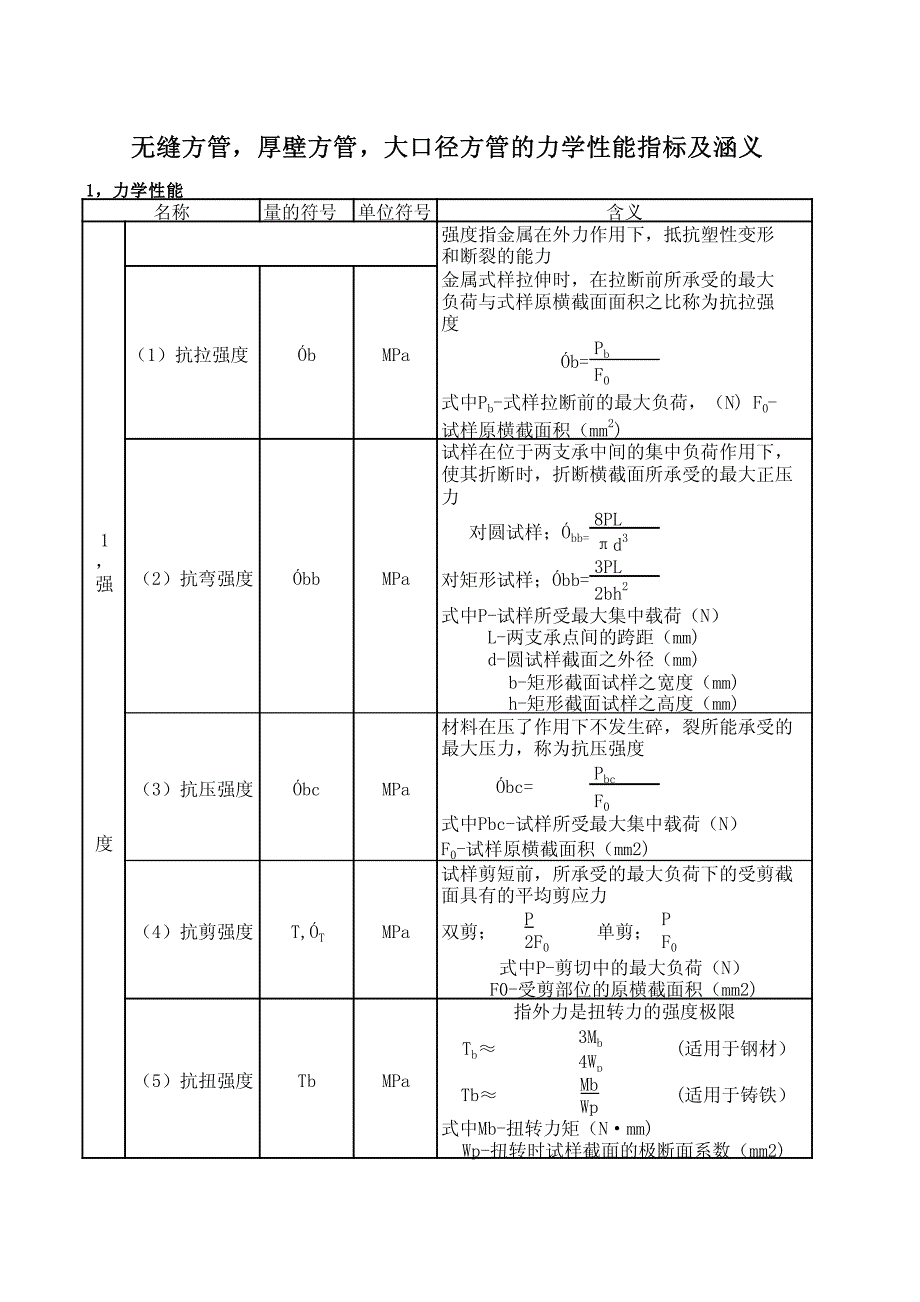
无缝方管无缝方管,,厚壁方管厚壁方管,,大口径方管的力学性能指标及涵义大口径方管的力学性能指标及涵义1 1,,力学性能力学性能 名称量的符号单位符号含义1 , 强度强度指金属在外力作用下,抵抗塑性变形 和断裂的能力(1)抗拉强度ÓbMPa金属式样拉伸时,在拉断前所承受的最大 负荷与式样原横截面面积之比称为抗拉强 度Ób= Pb F0式中Pb-式样拉断前的最大负荷,(N) F0- 试样原横截面积(mm2)(2)抗弯强度ÓbbMPa试样在位于两支承中间的集中负荷作用下, 使其折断时,折断横截面所承受的最大正压 力对圆试样;Óbb=8PL πd3对矩形试样;Óbb=3PL 2bh2 式中P-试样所受最大集中载荷(N)L-两支承点间的跨距(mm)d-圆试样截面之外径(mm) b-矩形截面试样之宽度(mm) h-矩形截面试样之高度(mm)(3)抗压强度ÓbcMPa材料在压了作用下不发生碎,裂所能承受的 最大压力,称为抗压强度Óbc=Pbc F0 式中Pbc-试样所受最大集中载荷(N) F0-试样原横截面积(mm2)(4)抗剪强度T,ÓTMPa试样剪短前,所承受的最大负荷下的受剪截 面具有的平均剪应力双剪;P单剪;P 2F0F0 式中P-剪切中的最大负荷(N) F0-受剪部位的原横截面积(mm2)(5)抗扭强度TbMPa指外力是扭转力的强度极限Tb≈3Mb(适用于钢材)4WpTb≈Mb(适用于铸铁)Wp 式中Mb-扭转力矩(N·mm) Wp-扭转时试样截面的极断面系数(mm2)山东聊城聚鑫源管业有限公司 1 , 强 度(6)屈服点ÓsMPa金属试样在拉伸过程中,负荷不在增加,而 试样仍继续发生变形的现象称为“屈服”。

发 生屈服现象时的应力,称为屈服点或屈服极 极限Ós=PS FO 式中PS-屈服载荷(N) FO-试样原横截面积(mm2)(7)屈服强度0.2MPa对某些屈服现象不明显的金属材料,测定屈服 点比较困难,常把产生0.2%永久变形的应力定 为屈服点,称为屈服强度或条件屈服极限Ó0.2=P0.2 F0 式中P0.2-试样产生永久变形为0.2%时的载荷 (N) F0试样原横截面积(mm2)(8)持久强度 MPa金属材料在高温条件下,经过规定时间发生断Ó b裂时的应力称为持久强度,通常所指的持久时间强度,是在一定的温度条件下,试样经105h(h)后的断裂强度(9)蠕变强度MPa金属材料在高于一定温度下受到应力作用,即 使应力小于屈服强度,试件也会随着时间的增 温度长而缓慢的产生塑性变形,此种现象称为蠕变 应变时间在给定温度下和规定的时间内,事试样产生 一定蠕变变形量的应力称为蠕变强度,蠕变 强度是材料在高温下长期负荷下对塑性变形 抗力的性能指标2 . 弹 性弹性是指金属外力作用下产生的变形,当外力 取消后又恢复到原来的形状和大小的一种特性(1)弹性模量 EGPa在弹性范围内,金属拉伸试验时,外力和变形 成正比例增长,即应力与应变成正比关系,这 个比例数就称为弹性模量,也叫正弹性模数。

2)切变模量GGPa金属在弹性范围内,当进行扭转试验时,外力 和变形成正比例的增长,即应力与正变成正比 例关系时,这个比例数就称为切变模量(3)弹性极限Ó eMPa金属能保持弹性变形的最大应力,称为弹性 极限4)比例极限 Ó p MPa在弹性变形阶段,金属材料所承受的和应变能 保持正比的最大应力,称为比例极限 Ó-Pp p-Fo 式中Pp-规定比例极限负荷(N)2 . 弹 性(4)比例极限 Ó p MPaFo-试样原横截面积(mm2)3 . 塑 性所谓塑性是指金属材料在外力作用下,产生永 久变形而不致破裂的能力(1)伸长率δ%金属材料在拉伸时,式样拉断后,其标距部分 所增加的长度与原标距长度的百分比,Ó5是标 距为5倍直径时的伸长率,Ó10是标距为10倍 直径时的伸长率(2)断面收缩率ψ%金属式样拉断后,其缩颈处横截面积的最大缩 减量与原横截面积的百分比(3)泊松比Ц对于各向同性的材料,泊松比表示;式样在 单项拉伸时,横向相对收缩量与轴向相对伸长 量之比Ц=E-12G 式中 E-弹性模量(GPa)G-切变模量(GPa) 山东聊城聚鑫源管业有限公司 。

下载提示
相似文档
正为您匹配相似的精品文档