文档详情

半加器、半减器的实现

油条
实名认证
店铺
DOC
118KB
约3页
文档ID:1536065
半加器、半减器的实现_第1页
1/3

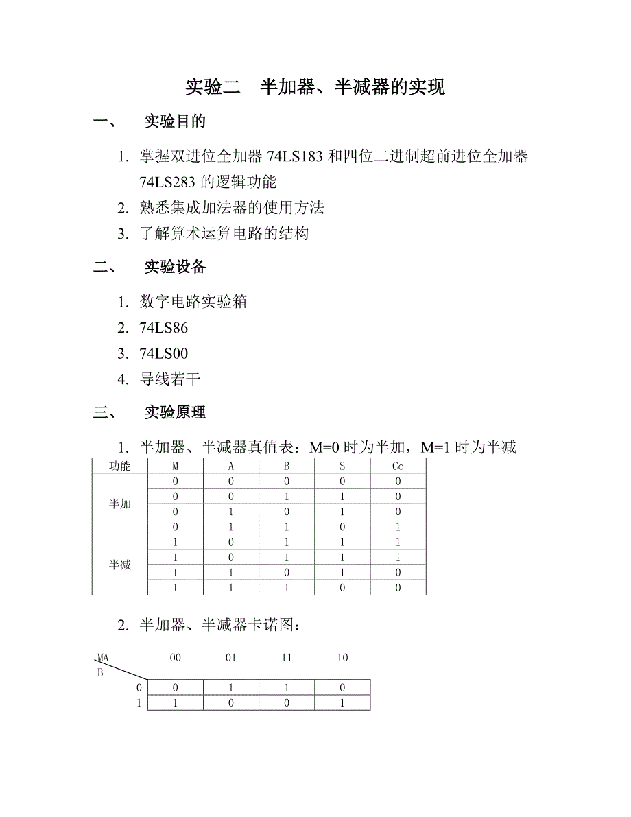
实验二 半加器、半减器的实现一、 实验目的1. 掌握双进位全加器 74LS183 和四位二进制超前进位全加器74LS283 的逻辑功能2. 熟悉集成加法器的使用方法3. 了解算术运算电路的结构二、 实验设备1. 数字电路实验箱2. 74LS863. 74LS004. 导线若干三、 实验原理1. 半加器、半减器真值表:M=0 时为半加,M=1 时为半减功能 M A B S Co0 0 0 0 00 0 1 1 00 1 0 1 0半加0 1 1 0 11 0 1 1 11 0 1 1 11 1 0 1 0半减1 1 1 0 02. 半加器、半减器卡诺图:MAB00 01 11 100 0 1 1 01 1 0 0 1 MAB00 01 11 100 0 0 0 01 0 1 0 1四、 实验电路五、 实验步骤1. 将 M,A,B 分别从 0/1 端输出2. 将74LS86 引脚14接电源,引脚7接地,引脚13接 A,引脚12接 B,这样从引脚11输出的为 A⊕B,即为 S3. 将74LS86 引脚14接电源,引脚7接地,引脚10接 A,引脚9接 M,这样从引脚8中输出的即为 M⊕A。

4. 将74LS00 引脚14接电源,引脚7接地,引脚13接从引脚8中输出的信号,引脚12接 B,这样从引脚11中输出的为(M⊕A)B 的非5. 再将从引脚11中输出的信号作为输入,连接到引脚1,引脚2悬空,从引脚3中输出的即为(M⊕A )B,即为 C0六、 实验结果通过 S,C0灯的亮和灭判断出全加器和半加器连接的正确性七、 实验感想这个实验挺简单的,将但是我们做了很长时间都没做出来,后来才发现,是真值表写错了之后写对全加器的真值表之后我们很快就连接好了电路图可见真值表是非常重要的。

下载提示
相似文档
正为您匹配相似的精品文档