文档详情

危险化学品生产装置和储存设施平面布置的安全距离

丰***
实名认证
店铺
DOC
94KB
约7页
文档ID:209118786
危险化学品生产装置和储存设施平面布置的安全距离_第1页
1/7

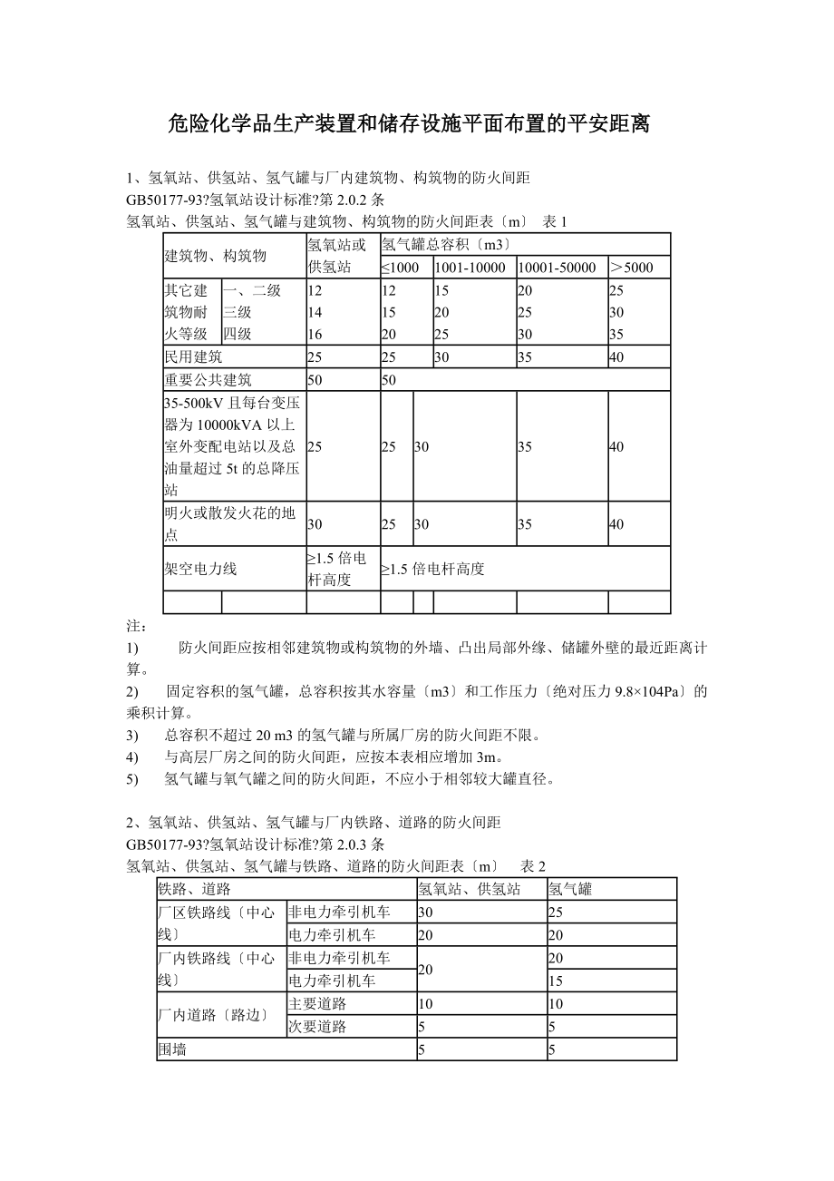
危险化学品生产装置和储存设施平面布置的平安距离 1、氢氧站、供氢站、氢气罐与厂内建筑物、构筑物的防火间距GB50177-93?氢氧站设计标准?第2.0.2条氢氧站、供氢站、氢气罐与建筑物、构筑物的防火间距表〔m〕 表1建筑物、构筑物氢氧站或供氢站氢气罐总容积〔m3〕≤10001001-1000010001-50000>5000其它建筑物耐火等级一、二级三级四级121416121520152025202530253035民用建筑2525303540重要公共建筑505035-500kV且每台变压器为10000kVA以上室外变配电站以及总油量超过5t的总降压站2525303540明火或散发火花的地点3025303540架空电力线≥1.5倍电杆高度≥1.5倍电杆高度注:1) 防火间距应按相邻建筑物或构筑物的外墙、凸出局部外缘、储罐外壁的最近距离计算2) 固定容积的氢气罐,总容积按其水容量〔m3〕和工作压力〔绝对压力9.8104Pa〕的乘积计算3) 总容积不超过20 m3的氢气罐与所属厂房的防火间距不限4) 与高层厂房之间的防火间距,应按本表相应增加3m5) 氢气罐与氧气罐之间的防火间距,不应小于相邻较大罐直径。

2、氢氧站、供氢站、氢气罐与厂内铁路、道路的防火间距GB50177-93?氢氧站设计标准?第2.0.3条氢氧站、供氢站、氢气罐与铁路、道路的防火间距表〔m〕 表2铁路、道路氢氧站、供氢站氢气罐厂区铁路线〔中心线〕非电力牵引机车3025电力牵引机车2020厂内铁路线〔中心线〕非电力牵引机车2020电力牵引机车15厂内道路〔路边〕主要道路1010次要道路55围墙55注:防火间距应从氢气罐外壁算起3、供氢站厂内平面布置的防火间距GB4962-85?氢气使用平安技术规程?第2.1.2条供氢站平面布置的防火间距表    表3名  称最小防火间距,m其他建筑物耐火等级一、 二级三级四级121416甲类物品库房20屋外变、配电站25民用建筑25重要公共建筑50明火或散发火花地点30水槽式可燃气体贮罐,m3≤500501-10000>10000121520水槽式氧气贮罐,m3≤1000>10001012易燃液体贮罐,m31-5051-200201-10001001-500015192531可燃液体贮罐按5m3可燃液体等于1m3易燃液体折算煤和焦炭,t100-5000>500068厂内铁路〔中心线〕25厂内主要道路10厂内次要道路5注:①建筑物之间的防火间距按相邻外墙的最近距离计算。

如外墙有凸出的燃烧物件,那么 应从其凸出局部外缘算起;贮罐、变压器的防火间距应从距建筑物最近的外壁算起  ②供氢站与其他建筑物相邻面的外墙均为非燃烧体,且无门、窗、洞及无外露的燃烧体屋檐,其防火间距可按本表减少25%  ③固定容积可燃气体贮罐,应按其水容量〔m3〕和工作压力〔kg/m2〕的乘积,按本表水槽式贮罐的要求执行  ④供氢站与架空电力线的防火间距,不应小于电线杆高度1.5倍 4、氧气站等的乙类生产建筑物与厂内各类建、构筑物之间的最小防火间距表GB50030-91?氧气站设计标准?第2.0.3条氧气站等的乙类生产建筑物与各类建、构筑物之间的最小防火间距表 表4最小防    氧气站建、构火间距〔m〕   筑物名称工程名称氧气站等的一、二级耐火等级的乙类生产建筑物湿式氧化贮罐〔m3〕≤10001001-50000>50000其他各类生产建筑物耐火等级一、二级三级四级101214101214121416141618民用建筑、明火或散发火花地点25253035重要公共建筑5050室外变、配电站〔35-500kV且每台变压器为10000kVA以上〕以及油量超过5t的总降压站25253035厂内铁路线路〔中心线〕非电力牵引机车电力牵引机车20152015厂内道路〔路边〕主要次要105105电力架空线1.5倍电杆高度1.5倍电杆高度液化石油气贮罐单罐容量〔m3〕≤56-1011-3031-100101-400401-1000>100012182025304050202530405060 注:1) 固定容积的氧气贮罐,其容积按水容量〔m3〕和工作压力〔绝对9.5104Pa〕的乘积计算。

2) 液氧贮罐以1m3液氧折合800 m3标准状态气氧计算,按本表氧气贮罐相应贮量的规定执行3) 氧气贮罐、惰性气体贮罐、室外布置的工艺设备与其制氧厂房的间距,可按工艺布置要求确定4) 氧气贮罐之间的防火间距,不应小于相邻较大罐的半径氧气贮罐与可燃气体贮罐之间的防火间距不应小于相邻较大罐的直径5) 容积不超过50 m3的氧气贮罐与所属使用厂房的防火间距不限6) 容积不超过3 m3的液气贮罐与所属使用建筑的防火间距,可减少为10m7) 液氧贮罐周围5m的范围内,不应有可燃物和设置沥青路面8) 氧气站室外布置的空分塔或惰性气体贮罐,应按一、二级耐火等级的乙类生产建筑〔空压塔〕或戊类生产建筑〔惰性气体贮罐〕确定其与其他各类建筑之间的最小防火间距9) 氧气气等一、二级耐火等级的乙类生产建筑物,与其他甲类生产建筑物之间的最小防火间距,应按本表对其他各类生产建筑物之间规定的间距增加2m10) 湿式氧气贮罐与可燃液体贮罐,可燃材料堆场之间的最小防火间距,应符合本表对民用建筑、明火或散发火花地点之间规定的间距 5、独立的乙炔瓶库与其他建筑物之间的防火间距GB50031-91?乙炔站设计标准?第2.0.6条独立的乙炔瓶库与其他建筑物之间的防火间距表 表5独立的乙炔瓶库乙炔实瓶贮量〔个〕防火间距〔m〕各类耐火等级的其它建筑物民用建筑,屋外变、配电站一、二级三级四级≤150012152025>1500152025306、甲、乙、丙类液体储罐、堆场与建筑物的防火间距表GBJ16-87?建筑设计防火标准?〔2001年版〕第4.4.2条甲、乙、丙类流体储罐、堆场与建筑物的防火间距 表6  耐火防火间距〔m〕     等级名称  一个罐区或堆场的总储量〔m3〕     一、二级三级四级甲、乙类液体1-5051-200201-10001001-5000121520251520253020253040丙类液体5-250251-10001001-50005001-25000121520251520253020253040注:、①防火间距应从建筑物最近的储罐外壁、堆垛外缘算起。

但储罐防火堤外侧基脚线至建筑物的距离不应小于10m ②、甲、乙、丙类液体的固定顶储罐区、半露天堆场和乙、丙类液体堆场与甲类厂〔库〕 房以及民用建筑的防火间距,应按本表的规定增加25%但甲、乙类液体储罐区、半露天堆场和乙、丙类液体堆场与上述建筑物的防火间距不应小于25m,与明火或散发火花地点的防火间距,应按本表四级建筑的规定增加25% ③、浮顶储罐或闪点大于120℃的液体储罐与建筑物的防火间距,可按本表的规定减少25% ④、一个单位如有几个储罐区时,储罐区之间的防火间距不应小于本表相应储量储罐与四级建筑的较大值 ⑤、石油库的储罐与建筑物、构筑物的防火间距可按?石油库设计标准?的有关规定执行7、甲、乙、丙类液体储罐之间的防火间距表GBJ16-87?建筑设计防火标准?〔2001年版〕第4.4.4条甲、乙、丙类液体储罐之间的防火间距 表7液体类别储罐形式    间距单罐容量〔m3〕固定顶罐浮顶储罐卧式储罐地上式半地下式地下式甲、乙类≤10000.75D0.5D0.4D0.4D不小于0.8m>10000.6D丙类不管容量大小0.4D不限不限—注:〔1〕D为相邻立式储罐中较大罐的直径〔m〕,矩形储罐的直径为长边与短边之和的一半。

〔2〕不同液体,不同形式储罐之间的防火间距,应采用本表规定的较大值〔3〕两排卧罐间的防火间距不应小于3m〔4〕设有充氮保护设备的液体储罐之间的防火间距,可按浮顶储罐的间距确定〔5〕单罐容量不超过1000m3的甲、乙类液体的地上式固定储罐之间的防火间距,如采用固定冷却消防方式时,其防火间距可不小于0.6D〔6〕同时装有液下喷射泡沫灭火设备、固定冷却水设备和扑救防火堤内液体火灾的泡沫灭火设备时,储罐之间的间距可适当减少,但地上储罐不宜小于0.4D〔7〕闪点超过120℃的液体,且储罐容量大于1000m3时,其储罐之间的防火间距可为5m;小于1000m3时,其储罐之间的防火间距可为2m 8、湿式可燃气体储气罐或罐区与建筑物、储罐、堆场的防火间距GBJ16-87?建筑设计防火标准?〔2001年版〕第4.5.1条储气罐或罐区与建筑物、储罐、堆场的防火间距表 表8  总容积〔m3〕防火间距〔m〕名称 ≤10001001-1000010001-50000>50000明火或散发火花的地点,民用建筑,甲、乙、丙类液体储罐,易燃材料堆场,甲类物品库房25303540其他建筑耐火等级一、二级三级四级121520152025202530253035注:①固定容积的可燃气体储罐与建筑物、堆场的防火间距应按本表的规定执行。

总容积按其水容量〔m3〕和工作压力〔绝对压力,1kgf/cm2=9.8104Pa〕的乘积计算  ②干式可燃气体储罐与建筑物、堆场的防火间距应按本表增加25%  ③容积不超过20m3的可燃罐体储罐与所属厂房的防火间距不限9、湿式氧气储罐或罐区与建筑物、储罐、堆场的防火间距GBJ16-87?建筑设计防火标准?〔2001年版〕第4.5.4条湿式氧气储罐或罐区的建筑物、储罐、堆场的防火间距表  表9 总容积〔m3〕防火间距〔m〕名称≤10001001-50000>50000民用建筑,甲、乙、丙类液体储罐,易。

下载提示
相似文档
正为您匹配相似的精品文档