文档详情

苯-氯苯主要基础数据.doc

灯火****19
实名认证
店铺
DOC
64.50KB
约3页
文档ID:138008446
苯-氯苯主要基础数据.doc_第1页
1/3

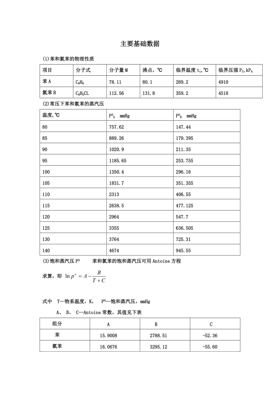
主要基础数据(1)苯和氯苯的物理性质项目分子式分子量M沸点,℃临界温度tc,℃临界压强PC,kPA苯AC6H678.1180.1289.24910氯苯BC6H5CL112.56131.8359.24518(2)常压下苯和氯苯的蒸汽压温度,℃POA mmHgPOB mmHg80757.62147.4485889.26179.395901020.9211.35951185.65253.7551001350.4296.161051831.7351.3551102313406.551152638.5477.1251202964547.71253355636.5051303764725.311404674945.55(3)饱和蒸汽压PO 苯和氯苯的饱和蒸汽压可用Antoine方程求算,即 式中 T—物系温度,K, PO—饱和蒸汽压,mmHgA、 B、 C—Antoine常数,其值见下表组分ABC苯15.90082788.51-52.36氯苯16.06763295.12-55.60(4)苯-氯苯的气液相平衡数据沸点温度t ℃苯的组成沸点温度t ℃苯的组成液相气相液相气相80.1111200.1290.375900.690.9161300.01950.07231000.4470.785131.8001100.2670.61根据苯、氯苯的饱和蒸汽压,利用泡点方程计算出苯-氯苯的气液平衡数据如下表:温度℃xAyA80.111850.8180.957900.6780.911950.5430.8471000.4400.7821050.2760.6651100.1850.5631150.1310.4551200.08790.3431250.04540.2001300.01150.0567131.7500(5)苯和氯苯的液相密度ρL温度℃6080100120140苯kg/m3836.6815.0792.5768.9744.1氯苯kg/m3106410421019996.4972.9(6)液体表面张力σ温度t,℃6080100120140苯 mN/m23.7421.2718.8516.4914.17氯苯mN/m25.9623.7521.5719.4217.32(7)液体粘度μL温度t,℃6080100120140苯mPas0.3810.3080.2550.2150.184氯苯mPas0.5150.4280.3630.3130.274。

下载提示
相似文档
正为您匹配相似的精品文档