文档详情

ansys梁分析和横截面形状讲义

z****
实名认证
店铺
DOCX
69.17KB
约10页
文档ID:259670224
ansys梁分析和横截面形状讲义_第1页
1/10

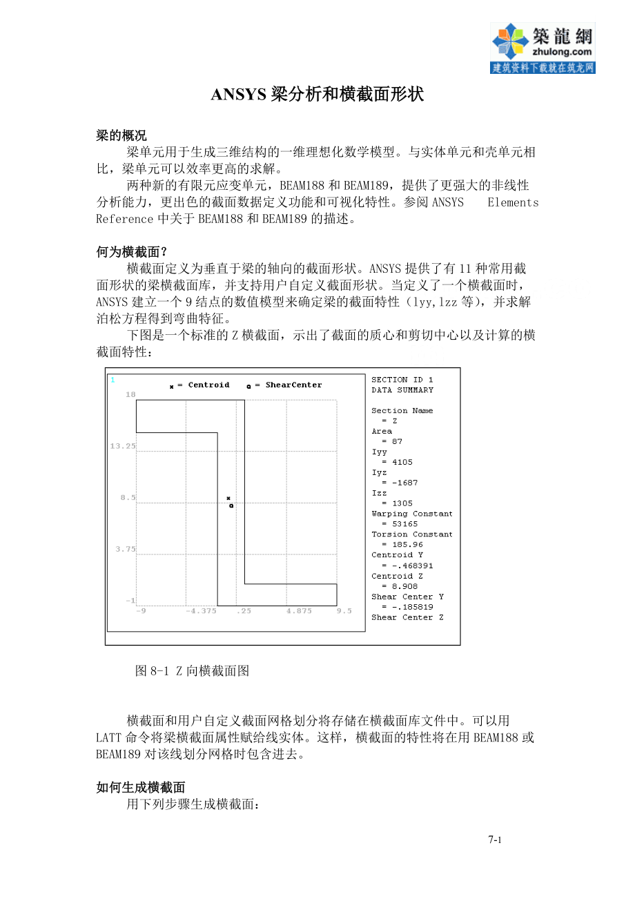
ANSYS梁分析和横截面形状梁的概况梁单元用于生成三维结构的一维理想化数学模型与实体单元和壳单元相比,梁单元可以效率更高的求解两种新的有限元应变单元,BEAM188和BEAM189,提供了更强大的非线性分析能力,更出色的截面数据定义功能和可视化特性参阅ANSYS Elements Reference中关于BEAM188和BEAM189的描述何为横截面?横截面定义为垂直于梁的轴向的截面形状ANSYS提供了有11种常用截面形状的梁横截面库,并支持用户自定义截面形状当定义了一个横截面时,ANSYS建立一个9结点的数值模型来确定梁的截面特性(lyy,lzz等),并求解泊松方程得到弯曲特征下图是一个标准的Z横截面,示出了截面的质心和剪切中心以及计算的横截面特性: 图8-1 Z向横截面图横截面和用户自定义截面网格划分将存储在横截面库文件中可以用LATT命令将梁横截面属性赋给线实体这样,横截面的特性将在用BEAM188或BEAM189对该线划分网格时包含进去如何生成横截面用下列步骤生成横截面:1. 定义截面并与代表相应截面形状的截面号关联2. 定义截面的几何特性数值ANSYS中提供了下表列出的命令完成生成、查看、列表横截面和操作横截面库的功能:参阅ANSYS Commands Reference可以得到横截面命令的完整集合。

定义截面并与截面号关联 使用SECTYPE命令定义截面下面的命令将截面号2与定义号的横截面形状(圆柱体)关联:命令:SECTYPE,2,BEAM,CSOLID SECDATA,5,8 SECNUM,2GUI: Main Menu>Preprocessor>Settings>-Beam-Common Sects Main Menu>Preprocessor>-Attributes-Define>Default Attribs要定义自己的横截面,使用子形状(ANSYS提供的形状集合)MESH要定义带特殊特性如lyy和lzz的横截面,使用子形状ASEC 定义横截面的几何特性数值使用SECDATA命令定义横截面的几何数值下面的命令将用SECTYPE命令定义的尺寸赋值给横截面CSOLID形状有两个尺寸:半径和周长上的格栅数目命令:SECDATA,4,6GUI: Main Menu>Preprocessor>Sections>-Beam-Common Sects 用BEAM188/BEAM189单元划分线实体在用BEAM188/BEAM189单元划分线实体前,要定义一些属性,包括:l 要划分线的梁单元类型l 生成梁单元的横截面特性号l 以梁单元轴向为基准的横截面定位l 生成梁单元的材料特性号使用LATT命令将这些属性与线实体关联:命令:LATT,MAT,,TYPE,,KB,,SECIDGUI: Main Menu>Preprocessor>-Attributes-Define>Default Attribs MAT 与MP命令定义的材料特性相对应,材料号由MAT号指定。

TYPE 与ET命令定义的单元类型相对应,类型号由TYPE号指定 KB 对应于模型中的关键点号所生成梁单元的横截面与梁的 两端点和该关键点定义的平面垂直 SECID 与SECTYPE 命令定义的梁横截面相对应,截面号由SECID 号指定 使用梁工具生成横截面SECTYPE,SECDATA和SECOFFSET命令在GUI的路径都在梁工具(BEAM TOOL)中梁工具的样式取决于所选择的梁横截面形状:梁工具的顶部是截面形状号[SECTYPE],中部是截面偏移信息[SECOFFSET],底部是截面几何形状信息[SECDATA]SECDATA命令定义的尺寸 图8-2 梁工具(包括横截面显示)取决于所选截面形状可以单击梁工具下的“Help”获取所选截面的帮助信息在SECDATA也有截面形状尺寸的说明控制横截面和用户网格库通用截面的数据,如CHAN和RECT,可以存储在横截面库中用SECWRITE命令生成、存储包括用户划分网格的截面的横截面库如果在另一个模型中使用横截面库,使用SECREAD命令读入侧向扭转屈曲分析实例(GUI方式)ANSYS Structural Analysis Guide第七章详细叙述了屈曲分析。

本例分析了悬臂梁在末端承受横向载荷时的行为 问题描述一根直的细长悬臂梁,一端固定一端自由在自由端施加载荷本模型做特征值屈曲分析,并进行非线性载荷和变形研究研究目标为确定梁发生分支点失稳(标志为侧向的大位移)的临界载荷 问题特性参数本例使用如下材料特性:杨氏模量=1.0X10e4psi泊松比=0.0本例使用如下的几何特性:L=100inH=5inB=2in本例的载荷为:P=1lb问题示意图 特征值屈曲分析是线性化的计算过程,通常用于弹性结构屈曲一般发生在小于特征值屈曲分析得到的临界载荷时这种分析比完全的非线性屈曲分析需要的求解时间要少用户还可以做非线性载荷和位移研究,这时用弧长法确定临界载荷对于更通用的分析,一般要进行崩溃分析在模型中有缺陷时一定要做非线性崩溃分析,因为此时模型不会表现出屈曲可以通过使用特征值分析求解的特征向量来添加缺陷特征向量是最接近于实际屈曲模态在预测值添加的缺陷应该比梁的标准厚度要小缺陷删除了载荷-位移曲线的突变部分通常情况下,缺陷最大不小于10%的梁厚度UPGEOM命令在前一步分析的基础上添加位移并更新变形的几何特征 第一步:设置分析名称和图形选项1. 选择菜单Utility Menu>File>Change Title。

2. 输入“Lateral Torsional Buckling Analysis”并单击OK3. 确认PowerGraphics正在运行选择菜单Utility Menu>PlotCtrls>Style>Hidden-Line Options确认PowerGraphics选项打开并单击OK4. 将Graphical Solution Tracking打开选择菜单Main Menu>Solution>-Load Step Opts-Output Ctrls>Grph Solu Track并确认对话框中radio按钮设置为ON单击OK5. 生成屈曲分析图的输出文件选择菜单Utility Menu>PlotCtrls>Redirect Plots>To GRPH File将文件名改为buckle.grph并单击OK 第二步:定义几何模型1. 进入前处理器并生成梁的关键点选择菜单Main Menu>Preprocessor>-Modeling-Create>Keypoints>In Active CS,然后输入下列关键点号和坐标值:关键点号:1 坐标值:0,0,0关键点号:2 坐标值:100,0,0关键点号:3 坐标值:50,5,02. 在关键点1和2之间生成一条直线。

选择菜单Main Menu>Preprocessor>-Modeling-Create>-Lines-Lines>Straight Line将弹出生成直线对话框在图形窗口选择关键点1和2并单击OK3. 存储模型选择菜单Utility Menu>File>Save As在“Save Database to”对话框中输入buckle.db作为文件名并单击OK 第三步:定义单元类型和横截面信息1. 选择菜单Main Menu>Preprocessor>Element Type>Add/Edit/Delete将弹出单元类型对话框2. 单击Add将出现单元类型库对话框3. 在左列选择“Structural Beam”4. 在右列选择“3D finite strain, 3 node 189”以选中BEAM1895. 单击OK,然后的单元类型对话框中单击Close6. 定义梁的矩形截面选择菜单Main Menu>Preprocessor>Sections>-Beam-Common Sects将出现梁工具对话框缺省时ANSYS将截面号设置为1,将子类型设置为RECT(在子类型处图示一个矩形)。

因为要生成一个矩形横截面,在子类型处不作修改7. 在梁工具对话框的底部,可以看到横截面形状和尺寸的图示在B标志的部分输入0.2作为横截面的宽度;在H标志的部分输入5.0作为横截面的高度单击OK确定设置8. 列出当前截面特性选择菜单Main Menu>Preprocessor>Sections>List SectionsANSYS缺省选择特性号1单击OK显示横截面信息在浏览过以后,在SLIST窗口单击Close 第四步:定义材料特性并定位结点1. 选择菜单Main Menu>Preprocessor>Material Props>-Constant-Isotropic2. 单击OK确认材料号为1将出现各向同性材料特性对话框3. 在杨氏模量框输入1E44. 在泊松比(minor)处输入0.0,并单击OK5. 选择菜单Utility Menu>Select>Entities来选择线选择下列选项:Lines,By Num/Pick,From Full并单击OK6. 出现选择线对话框在图形窗口单击线实体在对话框中单击OK7. 作为线的属性定义结点定位选择菜单Main Menu>Preprocessor>-Attributes-Define>All Lines。

单击Pick Orientation Keypoint radio按钮旁边的radio按钮将其改变为Yes并单击OKANSYS将材料特性号指向1,将单元类型号指向1并将截面特性号指向18. 出现线属性对话框在图形窗口选择关键点3并在对话框中单击OK9. 存储模型选择菜单Utility Menu>File>Save As选择OK,当ANSYS询问是否覆盖时,单击OK 第五步:对线划分网格并确认梁的定位1. 定义网格大小和分段数选择菜单Main Menu>Preprocessor>-Meshing-Size Cntrls>-Lines-All Lines在No. Of Element Divisions框中输入10并单击OK2. 对线划分网格选择菜单Main Menu>Preprocessor>-Meshing-Mesh>Lines确认在“Mesh Lines”对话框中Pick和Single选定,然后在图形窗口选择线在对话框中单击OK对线划分网格3. 旋转划分好网格的线选择菜单Utility Menu>PlotCtrls>Pan,Zoom,Rotate弹出Pan,Zoom,Rotate对话框。

选择ISO并单击Close图形窗口中梁将旋转4. 确认梁的定位选择菜单Utility Menu>PlotCtrl。

下载提示
相似文档
正为您匹配相似的精品文档