文档详情

立交桥跨铁路桥后张法张拉计算书

新**
实名认证
店铺
DOC
120KB
约9页
文档ID:418658132
立交桥跨铁路桥后张法张拉计算书_第1页
1/9

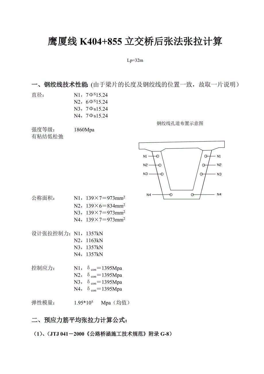
鹰厦线K404+855立交桥后张法张拉计算Lp=32m一、钢绞线技术性能:(由于梁片的长度及钢绞线的位置一致,故取一片说明)直径: N1,7ΦS15.24N2,6ΦS15.24 N3,7Φs15.24钢绞线孔道布置示意图 N4,7Φs15.24强度等级: 1860Mpa有粘结低松弛 公称面积: N1,139×7=973mm2 N2,139×6=834mm2N3,139×7=973mm2 N4,139×7=973mm2 设计张拉控制力:N1,1357kNN2,1163kN N3,1357kN N4,1357kN控制应力: N1,δcon=1395MpaN2,δcon=1395Mpa N3,δcon=1395Mpa N4,δcon=1395Mpa弹性模量: 1.95*105 Mpa(均值)二、预应力筋平均张拉力计算公式:(1)、(JTJ 041-2000《公路桥涵施工技术规范》附录G-8)式中:k值取0.0015; μ值取0.25; x取单束钢绞线半值与工作长度之和(油顶工作段长35cm,锚环厚5cm,工作锚厚6cm,工作垫板厚3cm,共计49cm)。

①、N1孔道θ1值为0.08727 ②、N2孔道θ2值为0.08727 ③、N3孔道θ3值为0.08727 ④、N4孔道θ4值为0.02443钢绞线设计长 N1N2N3N4梁片(8个孔左右对称)33.05033.03933.02832.981(2)、预应力钢丝束x值,θ值的计算:部位孔道X钢绞线半长θ梁片(8个孔左右对称)N116.3650.087270.0463650.9546934350.9771716812N216.35950.087270.046356750.9547013120.9771756648N316.3540.087270.04634850.9547091880.9771796714N416.33050.024430.030603250.9698602890.9848532754(3)、根据预应力平均张拉力公式计算:部位孔道PP (KN)P(KN)梁片(8个孔左右对称)N113570.97717168121388.7N211630.97717566481190.1N313570.97717967141388.7N413570.98485327541377.9三、千斤顶校正线性回归方程:(1)、油顶千斤顶技术参数:(油顶规格YCW1500)1、压力表标定:千斤顶编号:50805 压力表编号:3348 校准方程:Y=0.69+0.0333X 2、压力表标定: 千斤顶编号:50804 压力表编号:3690回归方程:Y=1.44+0.0324667X (2)、油顶张拉步骤:实际张拉时,以千斤顶的工作状态为准,按照张拉实际 需要的情况,张拉需要取以下几个压力时的压力表读数就可以控制整个张拉过程。

即:第一步:N1按 0→初始应力(10%δk)→50%δk→δk→103%δk→持荷5分钟→锚固 第二步:N3按 0→初始应力(10%δk)→50%δk→δk→103%δk→持荷5分钟→锚固 第三步:N2按 0→初始应力(10%δk)→50%δk→δk→103%δk→持荷5分钟→锚固 第四步:N4按 0→初始应力(10%δk)→50%δk→δk→103%δk→持荷5分钟→锚固:四、一跨梁体钢绞线张拉施工时压力表读数计算值:(1)、中梁相应的张拉荷载值及相应的油表读数计算:部位孔道控制荷载值(KN)3348中梁油表读数3690中梁油表读数备 注梁片(8个孔左右对称)N110%δk=1388.7*10%=138.875.315.9550%δk=1388.7*50%=694.3523.8123.98100%δk=1388.7*100%=1388.746.9346.53103%δk=1388.7*103%=1430.36148.3247.88N210%δk=1190.1*10%=119.014.655.3050%δk=1190.1*50%=595.0520.5120.76100%δk=1190.1*100%=1190.140.3240.08103%δk=1190.1*103%=1225.80341.5141.23N310%δk=1388.7*10%=138.875.315.9550%δk=1388.7*50%=694.3523.8123.98100%δk=1388.7*100%=1388.746.9346.53103%δk=1388.7*103%=1430.36148.3247.88N410%δk=1377.9*10%=137.795.285.9150%δk=1377.9*50%=688.9523.6323.81100%δk=1377.9*100%=1377.946.5746.18103%δk=1377.9*103%=1419.23747.9547.52五、一跨预应力钢绞线伸长值计算:(1)、预应力理论伸长值ΔL(mm)计算:ΔL=(Pp•L)/(Ap•Ep)Pp─预应力筋的平均张拉力(N)L─预应力筋的张拉长度(mm)Ap─预应力筋的截面面积(mm2)Ep─预应力筋的弹性模量(N/mm2=Mpa)(2)、一跨预应力筋张拉的实际伸长值ΔL=ΔL1+ΔL2ΔL1─从初应力至最大张拉应力间的实测伸长值(mm)ΔL2─初应力以下的推算伸长值(mm)可采用相邻的伸长值。

3)、一跨预应力筋伸长值计算:梁体部分: 钢束编号L(mm)P( kN)Pp( kN)Ap( mm2)Ep (N/mm2)ΔL(mm)N1163650.97717168129731.95*105(1)荷载(10%δk)138.87135.711.7(2)荷载(50%δk)694.35678.558.5(3)荷载(100%δk)1388.71357117锚固值(103%δk)1430.3611397.71120.6N216359.50.97717566488341.95*105(1)荷载(10%δk)119.01116.311.7(2)荷载(50%δk)595.05581.558.5(3)荷载(100%δk)1190.11163117锚固值(103%δk)1225.8031197.89120.5N3163540.97717967149731.95*105(1)荷载(10%δk)138.87135.711.7(2)荷载(50%δk)694.35678.558.5(3)荷载(100%δk)1388.71357117锚固值(103%δk)1430.3611397.71120.5N416330.50.98485327549731.95*105(1)荷载(10%δk)137.79135.711.7(2)荷载(50%δk)688.95678.558.4(3)荷载(100%δk)1377.91357117锚固值(103%δk)1419.2371397.71120.3六、张拉程序及操作方法:(一)、清除锚具支承垫板上的水泥浆,先将锚圈中心与管道中心对齐,并将锚圈的轮廓准确的描划在支承垫板上。

然后在锚圈孔内套上钢铰线,紧贴支承垫板与轮廓线对准为了不使锚圈在张拉时移动而造成断丝,也可将锚圈点焊在支承垫板上二)、将锚圈塞放入锚圈,并把钢铰线均匀地分布在锚塞周围钢铰线不得扭转,两根钢铰线不得交错排列,否则锚固时将会发生断丝现象锚塞放好后须手锤轻敲,使锚塞不致脱出三)、装好对中套(即缺口垫圈),并将缺口寻准左方或右方,以便测量钢铰线伸长量在千斤顶就位后,先将钢铰线按顺序嵌入千斤顶的夹盘内,再用夹片卡住然后调整千斤顶的位置,使管道、锚圈、千斤顶处在一条轴线上轻敲夹片使钢铰线固定方法将钢铰线初步固定四)、调整张拉:一端张拉至初应力(约控制力的10%)由于钢铰线在夹盘上并未夹紧,因此可允许钢铰线有滑移现象,从而调整了钢铰线长度,使在在以后的张拉中均匀受力当钢铰线滑移停止后,可打紧夹片或工具锚锚塞(使用穿心式千斤顶张拉钢丝时),以便将钢铰线牢牢地固定在夹盘上或工具上五)、初始张拉:一端补足张拉至初应力在分丝盘槽沟处上刻划标记,作为测量钢铰线伸长量的基点,并在夹盘前端的钢铰线上刻划标记,用以辨认是否滑丝,而后放松千斤顶吊点六)、正式张拉:分级加载张拉(即串动张拉)当张拉力到超应力控制时应测量钢绞线伸长量,报油压表读数。

记录油压表的读数作为核算孔道摩阻率与设计数据相差过大,则应适当调整张拉吨位七)、持荷:张拉至100%应力控制后,持荷5分钟,使预应力钢筋在锚固前便完成部分徐舒,完成量约为全部量的20~25%,以减少钢铰线锚固后的应力损失,并作好记录八)、先补足张拉至控制应力,测量钢铰线伸长量并作好记录,然后持荷2分钟锚固在测得钢丝伸长量及锚塞外露量后,千斤顶在缸回油至初应力,再测钢丝伸长量及锚塞外露量然后算出钢丝内缩量并作出记录最后千斤顶回油至零九)、退去夹片,卸下千斤顶,再测锚塞外露量,并在紧贴锚圈的钢铰线根部刻划标记,以便观察有无滑丝现象七、孔道压浆施工操作方法(一)、张拉完成后用500号水泥浆进行压浆,要求张拉结束后48小时内完成压浆工作二)、压浆前应对孔道进行检查,孔道间不应有漏串现象否则,应予以补修三)、压浆用水泥浆的水灰比不宜超过0.4~0.45,三小时后的泌水率不大于2%,泌水应在24小时内重新全部被浆吸回四)、水泥浆稠度宜控制在14~18s之间水泥浆自拌制至地压入孔道的延续时间,视气温情况而定,一。

下载提示
相似文档
正为您匹配相似的精品文档
相关文档