文档详情

VAL-2操规(1)

壹****1
实名认证
店铺
DOCX
179.47KB
约19页
文档ID:448852697
VAL-2操规(1)_第1页
1/19

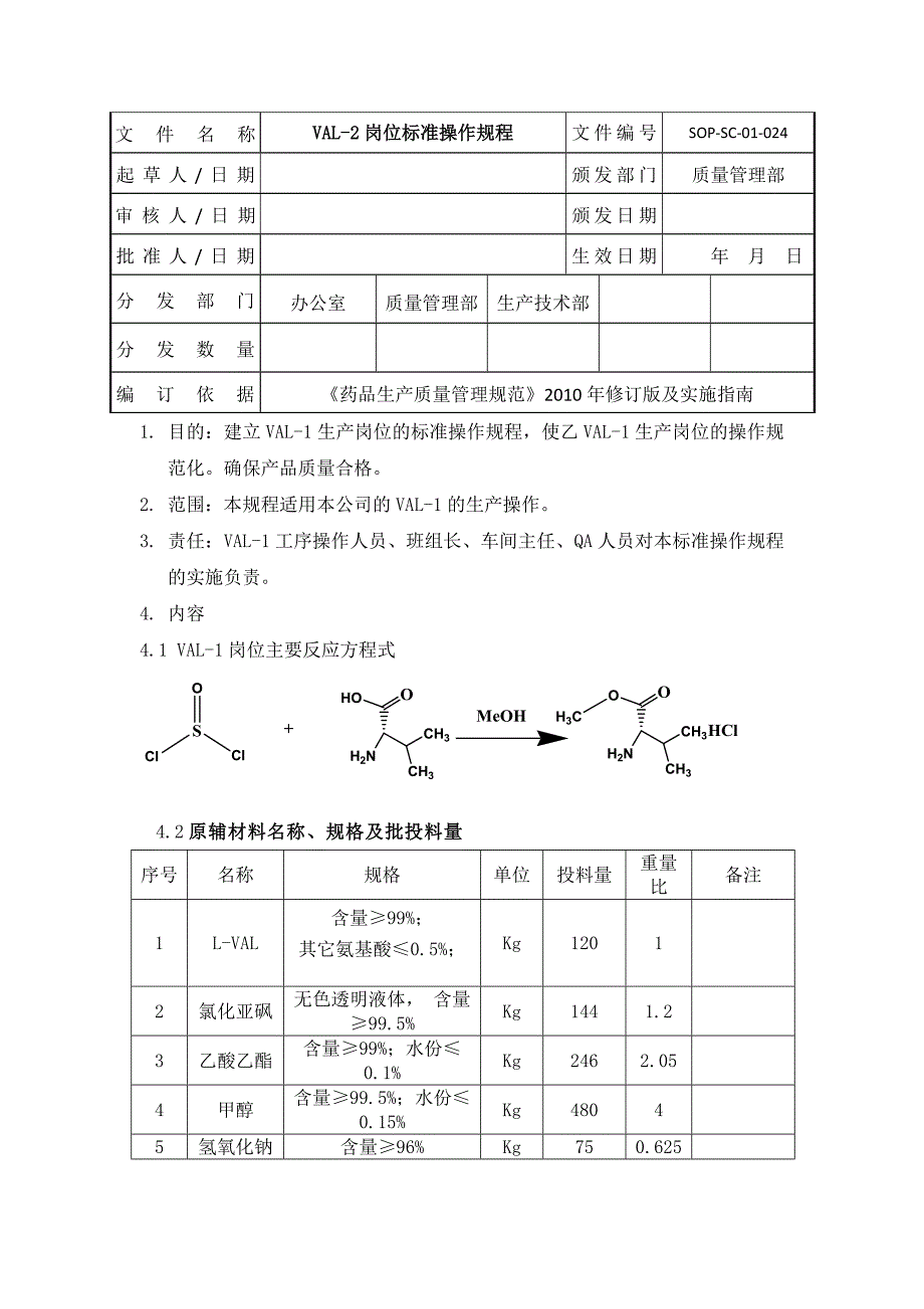
文 件 名 称VAL-2岗位标准操作规程文件编号SOP-SC-01-024起草人/日期颁发部门质量管理部审核人/日期颁发日期批准人/日期生效日期 年 月 日分发部门办公室质量管理部生产技术部分发数量编订依据《药品生产质量管理规范》2010年修订版及实施指南1. 目的:建立VAL-1生产岗位的标准操作规程,使乙VAL-1生产岗位的操作规范化确保产品质量合格2. 范围:本规程适用本公司的VAL-1的生产操作3. 责任:VAL-1工序操作人员、班组长、车间主任、QA人员对本标准操作规程的实施负责4. 内容4.1 VAL-1岗位主要反应方程式4.2原辅材料名称、规格及批投料量序号名称规格单位投料量重量比备注1L-VAL含量≥99%;其它氨基酸≤0.5%;Kg12012氯化亚砜无色透明液体, 含量≥99.5%Kg1441.23乙酸乙酯含量≥99%;水份≤0.1%Kg2462.054甲醇含量≥99.5%;水份≤0.15%Kg48045氢氧化钠含量≥96%Kg750.6254.3班前检查和准备4.3.1检查操作间是否清洁,是否有清洁记录4.3.2 检查所需量具、衡器其适用范围和精密度是否符合生产要求,是否有状态标志及校验合格证。

生产所需的容器具是否清洁符合生产要求4.3.3 生产所需水、电、汽是否正常,能否满足生产所需;设备上的各种仪表是否正常,是否经过校验并在校验周期内;生产设备及其附件是否完好,是否清洁能否满足生产所需4.3.4物料生产过程所需物料、各种溶剂是否准备齐备,能否满足生产所需4.3.5文件 生产用现行标准文件是否齐全,并在生产操作间指定位置本次生产用记录和凭证以及各种标识卡等是否准备齐全5.生产操作5.1 操作依据:批生产指令单、产品工艺规程、设备标准操作规程5.2 操作过程5.2.1 室温,在碱液吸收缸加入425L自来水,然后加入75kg氢氧化钠,用小流量空气搅拌15分钟5.2.2 室温,在反应釜?????中加入384kg甲醇(水份≤0.15%),开启投料孔,往?????中投入120kgL-缬氨酸5.2.3 关闭投料孔,打开冷凝器放空阀和缓冲罐进气和出气阀,开冷冻盐水冷却料液至0~5℃,关闭冷冻盐水进阀门5.2.4 开启水循环式真空泵,向计量高位槽?????内吸入144kg氯化亚砜5.2.5 缓慢滴加氯化亚砜,控温在10℃以下,约2~2.5小时滴完如果期间温度过高,停止滴加,开冷冻盐水降温。

5.2.6 打开冷凝器盐水进出阀门,压回?????釜夹套盐水,打开疏水阀,自然搅拌约15分钟5.2.7 小心旋开蒸汽阀门,缓慢升温,约35~45℃溶清,继续缓慢升温至50~55℃,计时反应3~4小时升温不可过快,若发生气堵现象,应立即关闭蒸汽,以免冲料;同时回流反应期间,定时检查尾气导出管是否畅通5.2.8 回流反应结束后,打开甲醇接受罐上阀门,开始常压蒸馏5.2.9 常压蒸馏,控制温度在69~72℃,至没有馏液蒸出为止,再用循环水,降温至35~40℃,开始减压浓缩,减压至残留液白色浆糊状5.2.10 真空吸入96kg甲醇,关闭真空,打开冷凝器放空阀,搅拌溶清30分钟 5.2.11 关闭冷凝器放空阀,开始减压蒸馏至残留液变成明显的白色糊状5.2.12 循环水降温至25~30℃,向酯化釜内加入乙酸乙酯216kg,搅拌打浆约3~4小时5.2.13 放料,在离心机?????离心5.2.14待料液放尽后,按 “一般生产区反应釜清洁标准操作规程”用30kg乙酸乙酯洗反应釜?????,洗液放至离心机?????中,离心收料5.2.15 收料完毕转入干燥工序,将物料装入烘盘,注注意物料厚度、均匀度,烘箱上层略多,装完后,按“烘房标准操作规程”打开烘箱蒸汽阀及排水阀,调节蒸汽,定时排湿,控制温度在50~55℃干燥12~16小时,送检,检测干燥失重小于2%停止干燥,装入洁净塑料袋,扎好袋口,贴好中间产品标签,转入缩合岗位,办理上下岗位交接手续,或不能立即进入缩合岗位,必须入仓库中间产品暂存间,并办理相关入库手续。

5.2.16 在生产操作过程中,应随时按批生产指令要求,及时填写工艺参数、操作时间等生产记录5.3 操作结束5.3.1取下“生产运行中”及“设备运行中”状态标志,换上“待清洁”标志5.3.2清洁5.3.2.1按“一般生产区容器具清洁规程”、“一般生产区烘房清洁规程”、“一般生产区反应釜清洁规程”对所用设备进行清洁5.3.2.2 按“一般生产区厂房清洁规程”清洁操作间5.3.2.3 将所用清洁工具按“一般生产区清洁工具清洁规程”清洁后按规定存放5.3.2.4 清洁完毕,检查合格后摘下厂房、设备及容器“待清洁”标志,加挂“已清洁”状态标志,注明清洁人、清洁日期、清洁有效期等5.3.2.5 及时认真填写清洁记录5.3.3 清场5.3.3.1按“清场管理规程”进行本岗位清场工作5.3.3.2清场结束后,及时填写清场记录;由QA人员检查并签发“清场合格证”(正、副本),并在“清场记录”上签字,注明日期清场记录、“清场合格证”(正本)及上批次“清场合格证”(副本)纳入本批次生产记录中,本批次“清场合格证”(副本)留在生产现场为下一批次生产前检查凭证5.3.4 将本批生产操作的有关记录(包括批生产记录、运行状态标志、原辅材料合格证、清场合格证等)汇总整理,检查无误后酯化岗位主操作工复核。

1. 目的:建立VAL-2生产岗位的标准操作规程,使乙VAL-2生产岗位的操作规范化确保产品质量合格2. 范围:本规程适用本公司的VAL-2的生产操作3. 责任:VAL-2工序操作人员、班组长、车间主任、QA人员对本标准操作规程的实施负责4. 内容4.1 VAL-1岗位主要反应方程式 4.2原辅材料名称、规格及批投料量序号名称规格投料量重量比备注1Val-1白色或内白色粉末;含量(滴定) ≥98%;干燥失重≤2%150kg124-溴甲基-2’-氰基联苯 4,4-二溴甲基-2’-氰基联苯≤0.5%;含量99~102.0%178.57 kg1.193碳酸钠白色粉末或颗粒;含量≥99.0%169.64 kg1.134乙酸乙酯含量≥99%;水份≤0.1%803.57kg5.365盐酸无色透明液体;含量≥37.0% 85.71kg0.574.3班前检查和准备4.3.1检查操作间是否清洁,是否有清洁记录4.3.2 检查所需量具、衡器其适用范围和精密度是否符合生产要求,是否有状态标志及校验合格证生产所需的容器具是否清洁符合生产要求4.3.3 生产所需水、电、汽是否正常,能否满足生产所需;设备上的各种仪表是否正常,是否经过校验并在校验周期内;生产设备及其附件是否完好,是否清洁能否满足生产所需。

4.3.4物料生产过程所需物料、各种溶剂是否准备齐备,能否满足生产所需4.3.5文件 生产用现行标准文件是否齐全,并在生产操作间指定位置本次生产用记录和凭证以及各种标识卡等是否准备齐全5.生产操作5.1 操作依据:批生产指令单、产品工艺规程、设备标准操作规程5.2 操作过程5.2.1 室温,在反应釜中加入940kg水和803kg乙酸乙酯,开启投料孔,分别向缩合釜中投入150kgVal-1、169.64kg碳酸钠、178.57kg4-溴甲基-2’-氰基联苯5.2.2 关闭投料孔,打开冷凝器上放空阀和冷冻盐水进出阀门,启动搅拌5.2.3 小心旋开蒸汽阀门,缓慢升温至70~80℃开始回流,保持回流反应9个小时5.2.4 回流反应结束后,排尽夹热水,开启循环水降温至20~30℃,停止搅拌,静置0.5~1小时5.2.5 旋开釜底通至碱水接受罐的阀门,分出碱水,釜内有机相洗水一次270kg,静置0.5~1小时,分出水相至碱液接受罐5.2.6向高位槽中抽入由浓盐酸85.7Kg和纯化水72公斤配制成的稀酸;5.2.7 将反应液转移到析晶反应釜中,降温到0—15℃,滴加高位槽中的稀盐酸,2小时内调PH=2..0-1.0;5.2.8 搅拌5-10分钟,复测PH=2..0-1.0,继续搅拌1.5小时;5.2.9 确保离心机是洁净干燥的,开始放料离心,共用270公斤纯化水洗涤滤饼,出料;5.2.10 待釜内料液放尽后,按“一般生产区反应釜清洁标准操作规程”用饮用水洗反应釜,洗液至离心机内,重复5.2.9操作进行离心、洗涤后收料,反应釜洗净后待用。

5.2.11 收料完毕转入干燥工序,将物料装入烘盘,注意物料厚度、均匀度,烘箱上层略多,装完后,按“烘房标准操作规程”打开烘箱蒸汽阀及排水阀,调节蒸汽,定时排湿,控制温度在50~60℃干燥12~16小时,送检,检测水份≤5%停止干燥,装入洁净塑料袋,扎好袋口,贴好中间产品标签,转入酰化岗位,办理上下岗位交接手续,或者不能立即进入酰化岗位,必须入仓库中间产品暂存间,并办理相关入库手续5.2.12 在生产操作过程中,应随时按批生产指令要求,及时填写工艺参数、操作时间等生产记录5.3 操作结束5.3.1取下“生产运行中”及“设备运行中”状态标志,换上“待清洁”标志5.3.2清洁5.3.2.1按“一般生产区离心机清洁规程”、“一般生产区烘房清洁规程”、“一般生产区反应釜清洁规程”对所用设备进行清洁5.3.2.2 按“一般生产区厂房清洁规程”清洁操作间5.3.2.3 将所用清洁工具按“一般生产区清洁工具清洁规程”清洁后按规定存放5.3.2.4 清洁完毕,检查合格后摘下厂房、设备及容器“待清洁”标志,加挂“已清洁”状态标志,注明清洁人、清洁日期、清洁有效期等5.3.2.5 及时认真填写清洁记录。

5.4 清场5.4.1按“清场管理规程”进行本岗位清场工作5.4.2清场结束后,及时填写清场记录;由QA人员检查并签发“清场合格证”(正、副本),并在“清场记录”上签字,注明日期清场记录、“清场合格证”(正本)及上批次“清场合格证”(副本)纳入本批次生产记录中,本批次“清场合格证”(副本)留在生产现场为下一批次生产前检查凭证5.5 将本批生产操作的有关记录(包括批生产记录、运行状态标志、原辅材料合格证、清场合格证等)汇总整理,检查无误后交缩合岗位主操作工复核1. 目的:建立VAL-3生产岗位的标准操作规程,使乙VAL-3生产岗位的操作规范化确保产品质量合格2. 范围:本规程适用本公司的VAL-2的生产操作3. 责任:VAL-3工序操作人员、班组长、车间主任、QA人员对本标准操作规程的实施负责4. 内容4.1 VAL-3岗位主要反应方程式4.2. 原辅材料名称、规格及批投料量序号名称规格投料量重量比备注1Val-2白色或类白色粉末;含量≥98%;水份≤5%140kg12正戊酰氯 无色透明液体;含量≥99.0%90 kg0.6。

下载提示
相似文档
正为您匹配相似的精品文档