文档详情

厂房的防火分区

s9****2
实名认证
店铺
DOCX
9.10KB
约1页
文档ID:402888071
厂房的防火分区_第1页
1/1

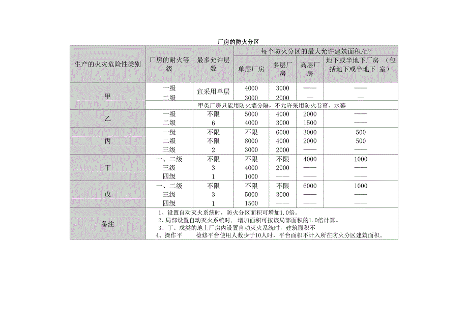
厂房的防火分区生产的火灾危险性类别厂房的耐火等 级最多允许层 数每个防火分区的最大允许建筑面积/m?单层厂房多层厂 房高层厂 房地下或半地下厂房 (包括地下或半地下 室)甲一级宜采用单层40003000————二级30002000——甲类厂房只能用防火墙分隔,不允许采用防火卷帘、水幕乙一级不限500040002000——二级6400030001500——一级不限不限60003000500丙二级不限800040002000500三级230002000————一、二级不限不限不限40001000丁三级340002000————四级11000——————一、二级不限不限不限60001000戊三级350003000————四级11500——————1、设置自动灭火系统时,防火分区面积可增加1.0倍备注2、局部设置自动灭火系统时,增加面积可按该局部面积的1.0倍计算3、丁、戊类的地上厂房内设置自动灭火系统时,建筑面积不限4、操作平台、检修平台使用人数少于10人时,平台面积不计入所在防火分区建筑面积。

下载提示
相似文档
正为您匹配相似的精品文档