文档详情

我国制造业企业盈利能力现状分析及解释

杨***
实名认证
店铺
DOCX
509.99KB
约23页
文档ID:311545180
我国制造业企业盈利能力现状分析及解释_第1页
1/23

    我国制造业企业盈利能力现状分析及解释    罗连发++韩笑Reference:文章基于中国企业-员工匹配调查(CEES)数据,对我国制造业企业的盈利能力现状与影响因素进行了实证分析基于盈利能力的基本分析理论,重点对企业盈利的现状,及其市场结构、政府管制壁垒、企业个体特征等影响企业盈利能力的因素进行分析研究发现,政府的管制壁垒导致了部分行业的高利润,但其不利于企业经营效应的提升;技术创新对于企业盈利能力的影响呈现异质性差异,在管制较弱的行业,其效应显著为正,而在管制较强的行业,其效应显著为负;产品质量、人力资本等企业个体因素对于企业的利润率以及利润增长具有显著的正效应因而,要加快企业的转型升级,应进一步弱化政府对于市场的管制、提升企业的市场竞争力,促进企业的盈利模式从依靠“垄断租金”向主要依靠竞争力提升转变Keys:利润率;盈利能力;CEES数据;影响因素一、引言随着我国劳动力成本的上升、市场需求环境的变化,我国企业增速出现下滑,2015年我国规模以上工业企业利润总额比上年下降23%,为多年来首次出现数据来源:国家统计局官方网站,http://现有文献中对于企业利润与盈利能力主要从两个方面来研究:一是将其解释为我国经济发展进入刘易斯拐点(LTP)之后的必然现象,企业长期的利润增长依靠的是低要素成本,特别是低劳动力成本,而当这一条件消失之后,企业的盈利能力迅速地下滑(蔡昉,2010;Aghion, P,et al.,2009);二是从市场结构变化与竞争力的角度来解释。

有学者认为企业的利润率水平主要与市场的垄断程度和企业竞争力两个因素相关(金培,2007),利润率的下降可能伴随着市场垄断程度的下降和市场整体竞争程度的不断提高,因而企业利润的下降并不一定是负面的,其可能会促进企业竞争力的提升(Porter,2005;曲玥,2008)因而,我国企业利润率的快速下降,既有可能是经济下滑的一个重要信号,也有可能是经济正在发生转型升级的外在表现如何科学地认识这一变化,对于政策制定者尤为关键已有实证研究证明政府的管制所形成的垄断利润是企业高利润的主要来源(曲玥,2008),因而企业的主要盈利模式就是突破政府管制,将主要的精力用于分配性努力,形成制度型企业家(汪伟,史晋川,2005)但随着我国市场化改革的不断推进, 这种制度突破的空间越来越小,企业越来越需要通过创新能力的提升来获得利润(程虹、宋菲菲,2016)然而,现有文献对于我国企业盈利水平现状以及影响因素的研究,仍然存在着缺憾,其主要原因在于:一是缺乏较新较全的数据分析目前对于我国企业利润现状的分析,主要使用的是国家统计局的工业企业统计数据库,该数据库并未覆盖占我国企业数量绝大多数的中小型企业,因而难以真实反映我国企业整体的盈利状况。

学术研究中所使用的企业数据,主要是2007年公布的中国工业企业统计数据,其不仅在时间上存在着较为严重的滞后性,且在数据质量上存在着各类问题(聂辉华等,2012)二是对于我国企业利润下降的现象缺乏较为深入的实证研究国家统计局等对于企业利润下滑做了一般性描述,从需求不足、成本上升、工业品价格下降等方面分析其原因但总体而言,现有文献并没有对于企业利润下滑进行定量分析为此,本文基于最新的企业-劳动力匹配调查数据(CEES),对企业的盈利现状进行全面分析,同时对影响当前企业盈利水平的几个主要因素进行实证分析本文的目的,是要在对不同类型企业的盈利状况进行客观分析的基础之上,得出影响企业盈利能力的主要因素,借以为延缓企业盈利能力下滑提出政策建议本文对于现有文献的贡献主要体现在:第一,使用了随机抽样的一手企业调查数据,能够对企业的整体盈利状况做出全面评价;第二,基于我国经济转型的大背景来对我国企业的盈利状况进行分析,特别是结合劳动力成本上升的特定背景,分析其对于企业盈利能力的影响本文余下的内容安排是:第二部分介绍本文所使用的数据指标以及数据的描述性统计;第三部分阐述我国制造业企业盈利现状的特征性事实;第四部分是对我国制造企业盈利现状的解释;第五部分是结论与政策建议。

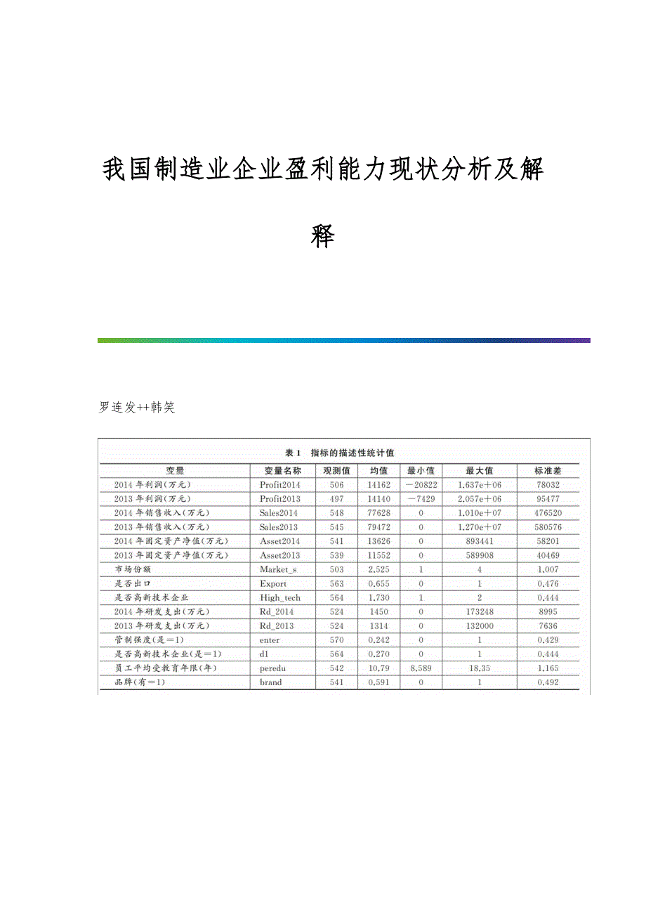
二、数据说明与描述性统计(一)数据说明本文所使用的数据来自于武汉大学等单位开展的企业-劳动力匹配调查(CEES),该调查于2015年实施,调查了企业2013、2014年的状况这一数据调查对于企业盈利状况分析的主要优势在于:第一,调查了较为全面的企业盈利指标该问卷重点调查了企业的财务指标,包括工业增加值、利润、销售收入、主营业务收入、主营业务成本、固定资产净值、固定资产投资等主要指标因而,能够满足多维度的企业盈利能力分析第二,调查涵盖了不同规模的企业样本现有文献使用的主要是规模以上企业的数据,忽略了大量的中小型企业的分析,一定程度上影响了结论的稳健性CEES基于经济普查的企业全样本数据进行随机抽样,对于各种规模的企业均有所涉及,因而能够全面地反映企业的盈利状况第三,CEES数据的匹配性该数据不仅囊括了企业盈利状况的基本数据指标,同时还调查了与企业相匹配的劳动力的基本状况,如劳动力工资状况、受教育程度、技能状况、社会保障状况等指标,这有助于对劳动力这一影响我国企业盈利能力重要因素进行更为深入而细致的分析二)数据指标的描述性统计本文主要参考了金碚、李钢(2007)所提出来的企业盈利能力概念,其主要指企业的利润状况,在衡量指标上主要使用了企业销售利润率(利润总额/销售收入,ROS)。

但他们同时指出,企业的利润率并不是反映企业盈利能力的唯一指标,实际上盈利能力是一个与企业竞争力密切相关的概念,更高的盈利能力代表更高的市场竞争力而企业高利润率既有可能是由于企业的竞争力较强,也有可能是由于市场的垄断性较强因此,企业的盈利能力应结合企业所处的行业状况进行研究 本文选取了企业的销售利润率来表示企业的整体盈利状况,用净资产利润率来表示企业盈利与投入的关系,即企业的经营效率状况同时,本文还考察了企业所占的市场份额,以所在行业的进入壁垒状况来控制行业的市场结构,以企业研发投入、人力资本、进出口、产品质量、管理水平、企业家能力等变量来控制企业竞争力三、特征性事实(一)企业利润率整体稳定调查表明,企业整体的销售利润率为555%,较前一年提升了092个百分点,而官方统计,2014年(二)劳动密集型加工型产业利润下降明显,新兴消费类产业利润趋稳从不同行业的销售利润率来看,主要的劳动密集型产业利润整体偏低且呈下降趋势,如纺织服装业利润率为268%,纺织业利润率仅为121%,均远低于平均利润率水平一些新兴的消费类产业如计算机、通信和其他电子设备制造业的平均利润为577%,略高于总体利润率,且较上一年度提升了05个百分点。

这一行业是我国制造业的主导行业,在随机抽样的样本中占据18%以上的比重,对于维持制造业整体利润率的稳定具有重要作用印刷和记录媒介复制业利润率高达1324%,较上一年提高了664个百分点此外,部分行业利润远高出平均利润率水平,如医药制造业为2188%,烟草制造业为1526%,且均较上一年有所上涨,这可能与其行业的垄断性有关整体而言,不同行业的利润水平整体趋稳,反映出企业转型升级的趋势,部分劳动密集型企业由于受到劳动力成本的上升的压力,其利润率迅速下滑部分行业仍依赖较高的行业进入壁垒而保持了较高的利润率然而,利润率的高低仅仅是企业盈利能力的一个方面,这些行业的企业盈利能力的具体变化,将在第四部分进一步控制行业进入壁垒等因素以后得到更为稳健的结论三)利润率随着市场份额提升而增长企业的利润率与其市场势力密切相关,一般而言具有垄断能力的企业能够获得更高的“垄断溢价”,竞争市场中的企业一般只能获得平均利润率用不同的市场占有率来代表企业的市场势力,分组统计表明(图1):销售利润率随着企业市场份额的变化,没有明显的变化趋势,利润最高的组别为市场份额占1%~10%的企业,达到541%,最低的为小于1%的企业为391%,市场份额占50%以上的企业平均利润率为525%,要低于1%~10%的组别;从年度变化来看,市场份额小于1%的企业平均利润率出现了067个百分点的下降,而市场份额为1%~10%以及50%以上的企业则分别出现了222个百分点和039个百分点的增长,因此充分的市场竞争使得企业的利润率下降,但具有一定市场势力的企业也现出了较大幅度的利润增长。

表3不同行业的平均利润率及其变动〖2〗行业名称平均利润率2014平均利润率2013利润率变动数量占比39计算机、通信和其他电子设备制造业5.77%5.26%0.51%18.42%38电气机械和器材制造业 4.62%4.14%0.47%10.18%33金属制品业 7.15%6.56%0.59%8.42%18纺织服装、服饰业2.68%3.29%-0.60%7.89%30非金属矿物制品业6.22%-11.00%17.22%7.37%19皮革、毛皮、羽毛及其制品和制鞋业-0.80%-1.47%0.67%5.61%34通用设备制造业5.18%7.16%-1.99%4.56%24文教、工艺美术、体育和娱乐用品制造业0.01%-1.69%1.70%4.39%29橡胶和塑料制品业9.39%10.03%-0.64%3.86%17纺织业1.21%1.13%0.07%2.98%23印刷和记录媒介复制业13.24%6.60%6.64%2.98%35专用设备制造业 8.15%9.17%-1.02%2.98%13农副食品加工业3.09%2.10%0.99%2.63%21家具制造业 8.63%12.78%-4.15%2.63%40仪器仪表制造业1.06%0.82%0.24%2.46%36汽车制造业6.68%4.62%2.07%2.28%22造纸和纸制品业 31.21%9.17%22.04%2.11%27医药制造业 21.88%18.81%3.07%1.58%32有色金属冶炼和压延加工业 1.37%1.44%-0.07%1.23%26化学原料和化学制品制造业3.68%3.59%0.08%1.05%31黑色金属冶炼和压延加工业 1.97%1.17%0.80%1.05%15酒、饮料和精制茶制造业3.57%3.52%0.06%0.88%20木材加工和木、竹、藤、棕、草制品业3.24%3.21%0.02%0.88%37铁路、船舶、航空航天和其他运输设备制造业5.64%4.22%1.42%0.70%14食品制造业2.07%1.21%0.87%0.53%16烟草制品业 15.26%13.86%1.40%0.35%5.58%4.64%0.94%图1不同市场份额企业的利润率变化(四)企业经营效率稳中趋降企业利润率的增长,除了与市场势力相关之外,还有一个重要因素即企业的经营效率。

判定企业经营效率的一个重要指标是企业的净资产收益率(金碚,2007)一般而言,净资产收益率的提高表明,企业主要是通过经营效率的提升,而不是通过投资规模的扩大来获得利润表4显示,企业整体的销售利润率有所提升,但是净资产利润率出现了略微下降,因而企业的经营效率未见显著改善其中净资产收益率较低的行业主要集中于农副食品加工业、纺织业、纺织服装和服饰业、有色金属冶炼和压延加工业等劳动密集型和资源密集型产业值得注意的是,两大主要行业——电气机械、计算机,虽然利润率有所上升,但净资产利润率均有下降,分别下降了1991和265个百分点因而,企业利润的增长可能很大程度上仍是通过扩大投资规模来达到,企业经营效率没有得到显著的改善。

下载提示
相似文档
正为您匹配相似的精品文档