文档详情

(可编辑)LED灯检验验收标准(精华版)

说****
实名认证
店铺
DOCX
17.63KB
约2页
文档ID:234649339
(可编辑)LED灯检验验收标准(精华版)_第1页
1/2

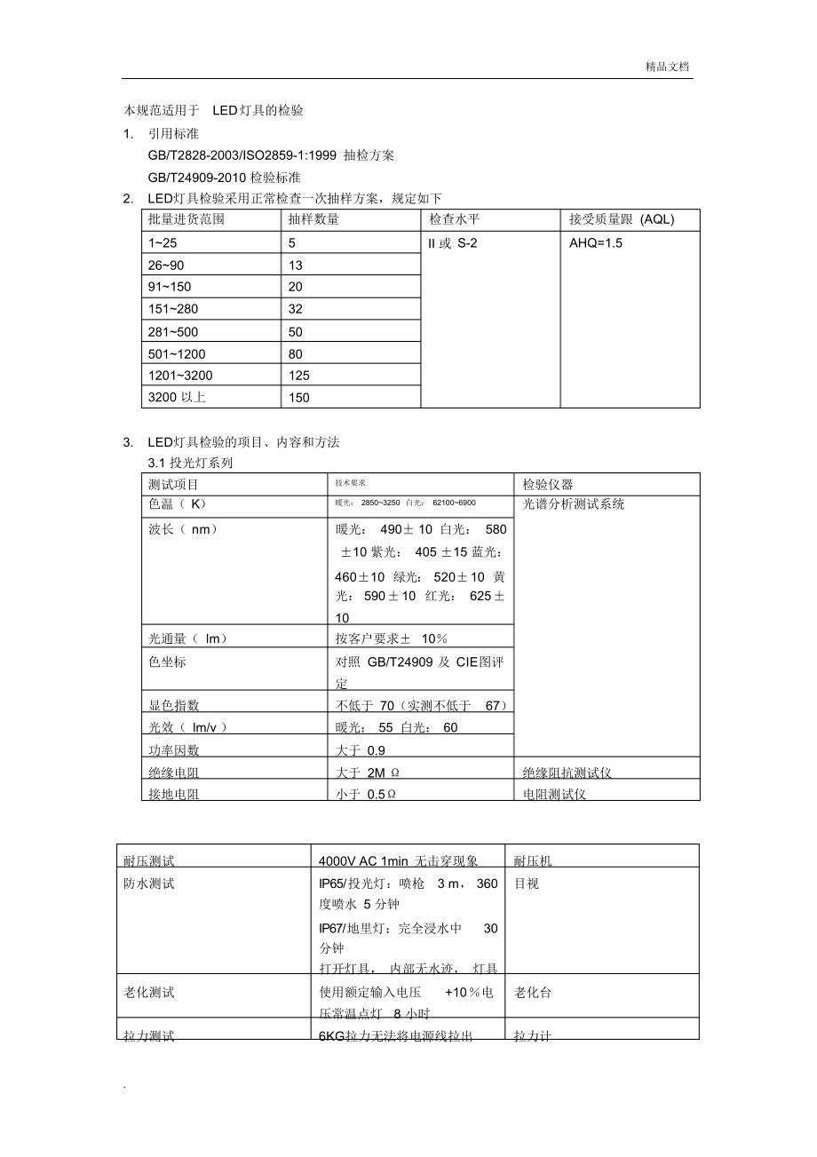
精品文档本规范适用于 LED 灯具的检验1. 引用标准GB/T2828-2003/ISO2859-1:1999 抽检方案GB/T24909-2010 检验标准2. LED灯具检验采用正常检查一次抽样方案,规定如下批量进货范围 抽样数量 检查水平 接受质量跟 (AQL)1~255II 或S-2AHQ=1.526~901391~15020151~28032281~50050501~1200801201~32001253200 以上1503. LED灯具检验的项目、内容和方法3.1 投光灯系列测试项目 技术要求 检验仪器色温( K) 暖光: 2850~3250 白光: 62100~6900 光谱分析测试系统波长( nm) 暖光: 490± 10 白光: 580±10 紫光: 405 ±15 蓝光:460±10 绿光: 520± 10 黄光: 590 ± 10 红光: 625 ±10光通量( lm) 按客户要求± 10%色坐标 对照 GB/T24909 及 CIE图评定显色指数光效( lm/v )不低于 70(实测不低于暖光: 55 白光: 6067)功率因数绝缘电阻大于 0.9大于 2M Ω绝缘阻抗测试仪接地电阻小于 0.5Ω电阻测试仪耐压测试 4000V AC 1min 无击穿现象 耐压机.防水测试 IP65/ 投光灯:喷枪 3 m, 360度喷水 5 分钟IP67/ 地里灯:完全浸水中 30分钟打开灯具, 内部无水迹, 灯具老化测试 使用额定输入电压 +10 %电压常温点灯 8 小时目视老化台拉力测试 6KG拉力无法将电源线拉出 拉力计寿命测试 常温正常点灯 3000h 后, x,y 偏移不超过 0.06,光通量不低于 85%额定电压 0.85~1.1 倍额定电压下能正常工作光谱分析测试系统目视3.1 外观要求3.1.1 投光灯类:表面清洁,喷塑3.1.2 支架类:横平,竖直,同平面,半圆,圆圈要居中,角度要标准,不能变形,不能生锈3.1.3 芯柱类:芯柱玻璃无破碎,玻璃融合无分层状态,导线、金属件连接牢固,导线物掉落,排气孔无变形堵塞状况,料性好,与玻壳能熔接,封口后无冷爆现象。

3.1.4 外壳类:外表无油污或生锈,无变形或突起及破裂现象,无明显沙眼,外观面毛边不可大于 0.1mm, 螺丝孔无堵塞或为攻丝,丝孔用螺丝安装无过紧或过松现象3.1.5 螺丝类:材质、规格是否符合要求,丝牙是否清晰完整3.1.6 纸箱类:颜色和图像符合要求,材质符合图纸要求3.2 材料到货后由供应商或仓管员填写来料检验通知单, 通知检验人员进行检验, 检验员判定合格后由库管员在“入库单”签字入库如果检验不合格则按《不合格品控制程序》进行处理3.3 所有材料必须经过检验确认合格后方可上线使用。

下载提示
相似文档
正为您匹配相似的精品文档