文档详情

车辆技术档案格式

壹****1
实名认证
店铺
DOC
187KB
约7页
文档ID:386060295
车辆技术档案格式_第1页
1/7

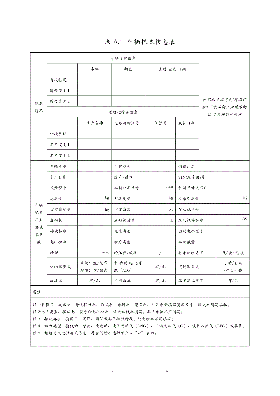
表A.1 车辆根本信息表根本情况车辆号牌信息粘贴初次或变更"道路运输证"时,车辆正面偏右侧45度角的彩色照片车牌颜色注册(变更)日期首次核发牌号变更1牌号变更2道路运输证信息业户名称道路运输证号经营围发证日期初次登记名称变更1名称变更2车辆配置及主要技术参数车辆类型厂牌型号制造厂名出厂日期国产/进口VIN(或车架)号底盘型号车辆外廓尺寸mm货箱尺寸或容积总质量kg整备质量kg准牵引质量kg核定载质量kg 核定载客人发动机型号发动机发动机排量L发动机净功率kW排放标准电池类型驱动电机型号电机功率动力类型车轴数量轴距mm轮胎数/规格/行车制动方式气/液/气-液制动器型式前轮:盘/鼓式后轮:盘/鼓式制动防抱死系统〔ABS〕有/无变速器型式手动/自动/手自一体缓速器有/无空调系统有/无卫星定位装置有/无备注注1:货箱尺寸或容积:普通栏板车、厢式车、仓栅车、蓬式车、自卸车等填写货箱尺寸,罐式车填写容积;注2:电池类型、驱动电机型号和电机功率:纯电动汽车填写,其他车辆不用填写;注3:排放标准:指国Ⅲ、国Ⅳ、国Ⅴ或其他排放阶段,纯电动车不用填写;注4:动力类型:指汽油、柴油、纯电动、液化天然气〔LNG〕、压缩天然气〔G〕、液化石油气〔LPG〕或其他;注5:请填写或选择有关信息,符合的请在选择项上以“√〞表示。

表A.2 车辆检测和评定登记表序号检测/评定类别检测/评定单位检测/评定日期检测有效期报告编号备注登记人员1234567891011121314151617181920注1:检测/评定类别指车辆平安技术检验、环保检验和综合性能检测〔含技术等级评定和客车类型等级评定〕;注2:车辆技术等级评定、客车类型等级评定〔复核〕应在备注栏中予以注明技术等级、类型等级表A.3 车辆维护和修理登记表序号维修日期累计行驶里程km维修类别修理容维修单位合格证编号登记人员123456789101112131415161718192021222324注:维修类别栏应填小修、一级维护、二级维护、大修或总成修理表A.4 车辆主要部件更换登记表序号更换日期部件名称型号规格生产厂名称部件编码维修单位登记人员1234567891011121314151617181920注:主要登记发动机、离合器、车箱、驾驶室、转向器、变速器、前桥、后桥、车架及轮胎等部件的更换情况表A.5 车辆变更登记表序号变更日期变更原因变更事项登记人员1234567891011121314151617181920注:变更事项指车辆停驶、封存、启封使用、报废等变更情况,不包括车主名称、道路运输证号和车牌号的变更。

表A.6 车辆行驶里程登记表序号登记日期当月行驶里程km累计行驶里程km登记人员123456789101112131415161718192021222324注:行驶里程按月进展登记表A.7 车辆机损事故登记表序号事故时间事故地点事故性质事故责任车辆损坏情况登记人员1234567891011121314151617181920注1:事故性质指"生产平安事故报告和调查处理条例"〔国务院令第493号〕规定的特别重大事故、重大事故、较大事故或一般事故;注2:事故责任指全部责任、主要责任、同等责任、次要责任或无责任 z.。

下载提示
相似文档
正为您匹配相似的精品文档