文档详情

Futaba S3003舵机调节

油条
实名认证
店铺
DOC
132KB
约2页
文档ID:5938851
Futaba S3003舵机调节_第1页
1/2

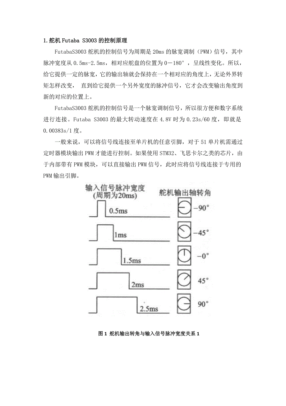
1.舵机 Futaba S3003 的控制原理Futaba S3003 舵机的控制信号为周期是 20ms 的脉宽调制(PWM)信号,其中脉冲宽度从 0.5ms-2.5ms,相对应舵盘的位置为 0-180°,呈线性变化所以,给它提供一定的脉宽,它的输出轴就会保持在一个相对应的角度上,无论外界转矩怎样改变, 直到给它提供一个另外宽度的脉冲信号,它才会改变输出角度到新的对应的位置上Futaba S3003 舵机的控制信号是一个脉宽调制信号,所以很方便和数字系统进行连接Futaba S3003 的最大转动速度在 4.8V 时为 0.23s/60 度,即就是0.00383s/1 度一般来说,可以将信号线连接至单片机的任意引脚,对于 51 单片机需通过定时器模块输出 PWM 才能进行控制如果使用 STM32、飞思卡尔之类的芯片,由于内部带有 PWM 模块,可以直接输出 PWM 信号,此时应将信号线连接于专用的 PWM 输出引脚图 1 舵机输出转角与输入信号脉冲宽度关系 1图 2 舵机输出转角与输入信号脉冲宽度关系 2结合图 1 和图 2 进行脉宽和转角关系的建立,设定图 1 中的脉宽与转角的对应关系为0.5ms~2.5ms ——0°~180°转化为 500~2500——0°~180°:斜率 k = 0.090,b = -45,所以,y = 0.090x - 45 等同于 x =( y + 45)*100/9 。

占空比 duty_radio 为 x/(20*1000),计算中使用的占空比代替数值为 x/202.配置 STM32F103ZET6 控制器内部 PWM 模块舵机的控制信号为周期是 20ms 的脉宽调制信号,对应的脉冲的频率为50HZ,设置如下:/* 脉冲信号频率(fre)50HZ,时钟分频值(psc)999+1 *//* TIMx_ARR = (SYS_FRE/(psc+1))/fre-1 */TIM3_PWM_Init(50,999);由图 1 可得,从-90°到 90°所对应的占空比为 2.5%到 12.5%,所以寄存器中设定如下:duty_radio = 25 ~ 126;pwmval = TIM3->ARR * (1000-duty_radio)/1000; /* 占空比求捕获/比较寄存器(TIMx_CCR1)值 */TIM3->CCR2 = pwmval;。

下载提示
相似文档
正为您匹配相似的精品文档