文档详情

钢筋表示符号

夏**
实名认证
店铺
DOC
104KB
约2页
文档ID:513676282
钢筋表示符号_第1页
1/2

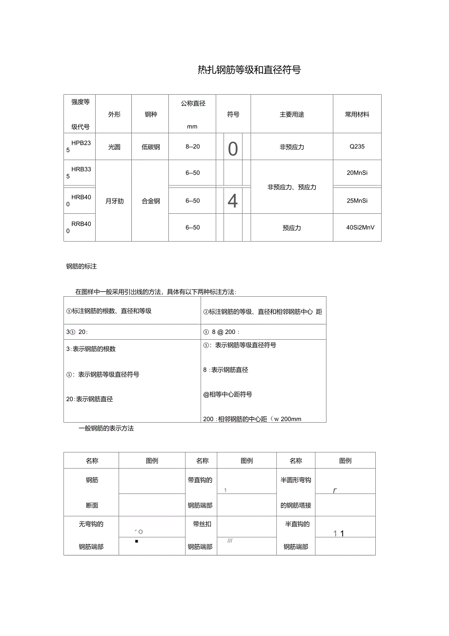
热扎钢筋等级和直径符号强度等级代号外形钢种公称直径mm符号主要用途常用材料HPB235光圆低碳钢8--200非预应力Q235HRB335月牙肋合金钢6--50非预应力、预应力20MnSiHRB4006--50425MnSiRRB4006--50预应力40Si2MnV钢筋的标注在图样中一般采用引岀线的方法,具体有以下两种标注方法:①标注钢筋的根数、直径和等级②标注钢筋的等级、直径和相邻钢筋中心 距3① 20:① 8 @ 200 :3:表示钢筋的根数①:表示钢筋等级直径符号20:表示钢筋直径①:表示钢筋等级直径符号8 :表示钢筋直径@相等中心距符号200 :相邻钢筋的中心距(w 200mm一般钢筋的表示方法名称图例名称图例名称图例钢筋带直钩的半圆形弯钩1r断面钢筋端部的钢筋塔接无弯钩的带丝扣半直钩的“ O1 1钢筋端部■钢筋端部///钢筋端部半圆形弯钩的钢筋端部无弯钩的钢筋塔接套管接头常用构件的代号序号名称代号序号名称代号序号名称代号1板B15吊车梁DL29基础J2屋面板WB16圈梁QL30设备基础SJ3空心板KB17过梁GL31桩ZH4槽形板CB18连系梁LL32柱间支撑ZC5折板ZB19基础梁JL33垂直支撑CC6密筋板MB20楼梯梁TL34水平支撑SC7楼梯板TB21懔条LT35梯T8盖板或沟盖板GB22屋架WJ36雨蓬YP9挡雨板或口板檐板YB23托架TJ37阳台YT10吊车安全走道板DB24天窗架CJ38梁垫LD11墙板QB25框架KJ39预埋件M12天沟板TGB26钢架GJ40天窗端壁TD13梁L27支架ZJ41钢筋网W14屋面梁WL28柱Z42钢筋骨架G。

下载提示
相似文档
正为您匹配相似的精品文档