文档详情

PPR耐化学性能表DOC

公****
实名认证
店铺
DOC
1.12MB
约18页
文档ID:489514343
PPR耐化学性能表DOC_第1页
1/18

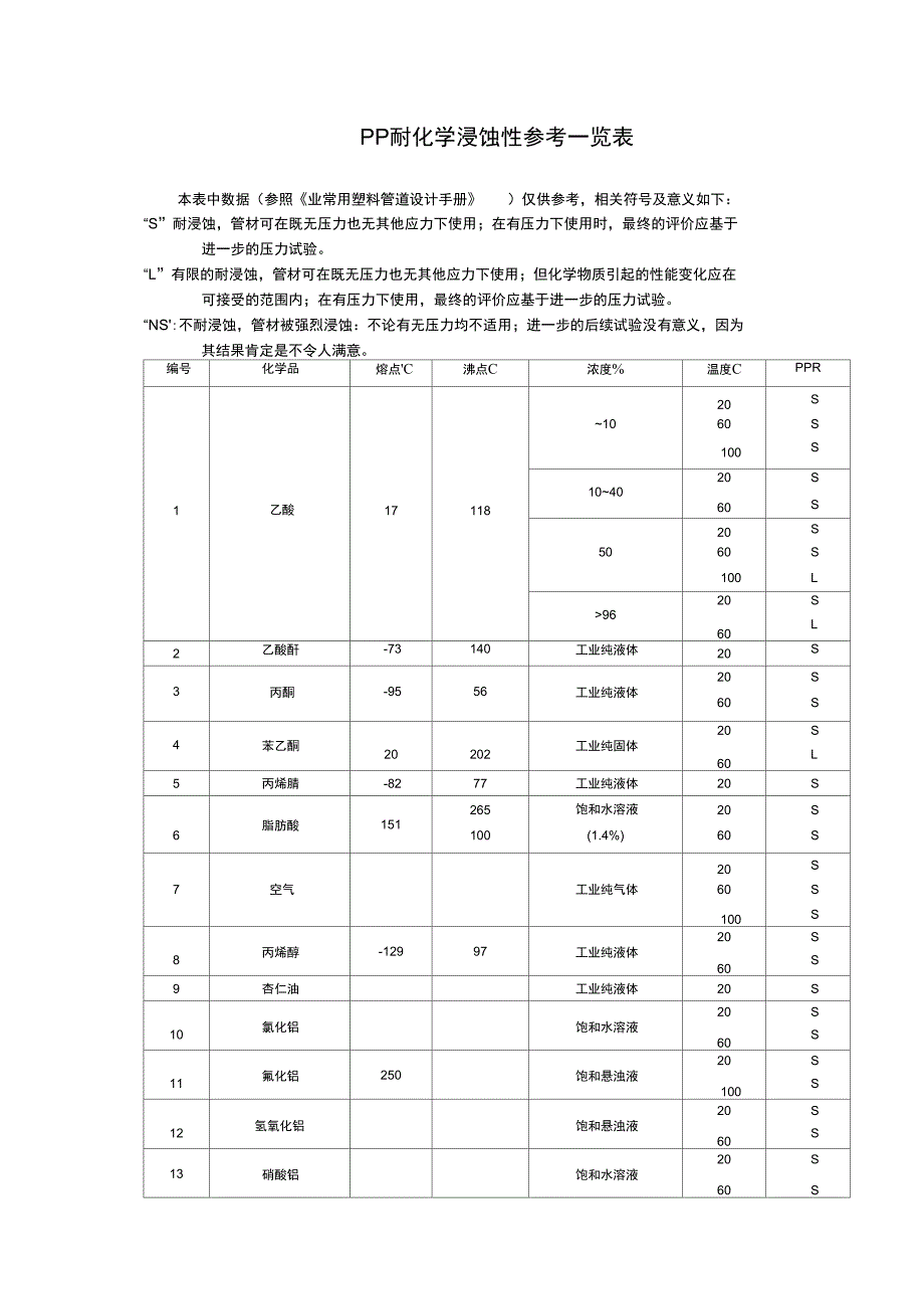
PP耐化学浸蚀性参考一览表本表中数据(参照《业常用塑料管道设计手册》 )仅供参考,相关符号及意义如下:“S”耐浸蚀,管材可在既无压力也无其他应力下使用;在有压力下使用时,最终的评价应基于 进一步的压力试验L”有限的耐浸蚀,管材可在既无压力也无其他应力下使用;但化学物质引起的性能变化应在 可接受的范围内;在有压力下使用,最终的评价应基于进一步的压力试验NS':不耐浸蚀,管材被强烈浸蚀:不论有无压力均不适用;进一步的后续试验没有意义,因为其结果肯定是不令人满意编号化学品熔点'C沸点C浓度%温度CPPR20S~1060S100S20S10~401乙酸1711860S20S5060S100L20S>9660L2乙酸酐-73140工业纯液体20S20S3丙酮-9556工业纯液体60S20S4苯乙酮20202工业纯固体60L5丙烯腈-8277工业纯液体20S265饱和水溶液20S6脂肪酸151100(1.4%)60S20S7空气工业纯气体60S100S20S8丙烯醇-12997工业纯液体60S9杏仁油工业纯液体20S20S10氯化铝饱和水溶液60S20S11氟化铝250饱和悬浊液100S20S12氢氧化铝饱和悬浊液60S20S13硝酸铝饱和水溶液60S编号化学品熔点'C沸点C浓度%温度CPPR20S14氯氧化铝饱和悬浊液60S20S15硫酸铝钾饱和水溶液60S20S16硫酸铝饱和水溶液60S20S17氨水溶液饱和水溶液60S18氨水,干-78-34工业纯气体20S19氨水液体-78-34工业纯气体20S20S20醋酸铵饱和水溶液60S碳酸铵20S21(分解温度58 C )饱和水溶液60S20S22氯化铵饱和水溶液60S20S23碳酸氢铵饱和水溶液60S20S24偏磷酸铵饱和水溶液60S100S20S25硝酸铵170饱和水溶液60S100S20S26过硫酸铵饱和水溶液60S27磷酸铵饱和水溶液20S20S28硫酸铵饱和水溶液60S100S20S29硫化铵饱和水溶液60S20S30硫氰酸铵饱和水溶液60S31乙酸戊酯-100142工业纯液体20L20S32戊醇-79137工业纯液体60S100S20S33苯铵-6184工业纯液体60S20S34氯化锑73223饱和水溶液60S35苹果酱工业浓度20S编号化学品熔点'C沸点C浓度%温度CPPR20NS36王水HCI/HNQ=3/160NS100NS20S37溴化钡饱和水溶液60S100S20S38碳酸钡60S100S20S39氯化钡60S100S20S40氢氧化钡7860S100S20S41硫酸钡60S100S20S42硫化钡60S100S43啤酒工业浓度2060SS20L44苯680工业纯液体60NS100NS45苯甲酸122250饱和水溶液2060SS46苯甲醇-15205工业纯液体2060SL47碳酸铋饱和水溶液2060SS48硼砂>10,不饱和2060SS49硼酸<10,稀溶液饱和水溶液2020SS50三氟化硼-129-101饱和水溶液20S20NS51溴,气体-758工业纯气体60NS100NS20NS52溴,液体-758工业纯液体60NS100NS编号化学品熔点'C沸点C浓度%温度CPPR53丁烷,气体-135-0.5工业纯气体20S20S54正丁醇-80117工业纯液体60L100L丁基醋酸盐20L55OR-77126工业纯液体60NS乙酸丁酯100NS56乙烯丁醇171工业纯液体20S57丁基苯酚 对叔丁基苯酚98237饱和水溶液20S20S58邻苯二甲酸丁酯<10210工业纯液体60L100L20S59碳酸钙饱和悬浊液60S100S60氯酸钙饱和水溶液2060SS20S61氯化钙饱和水溶液60S100S62氢氧化钙饱和水溶液2060SS63次氯酸钙(分解温度10%氯)溶液20S64硝酸钙饱和水溶液2060SS65硫酸钙饱和悬浊液2060SS66硫化氢钙不饱和水溶液2060SS20NS67樟脑油175 〜-200工业纯液体60NS100NS68二氧化碳干气体工业纯气体20120SS69二氧化碳湿气体工业纯气体2050SS20S70二硫化碳-11246工业纯液体60NS100NS71一氧化碳气体工业纯气体2060SS编号化学品熔点'C沸点C浓度%温度CPPR20NS72四氯化碳-2377工业纯液体60NS100NS20S73蓖麻油工业纯液体60S氯20NS74工业纯气体60NS干气体100NS20S75氯水饱和水溶液60L氯乙酸不饱和水溶液76见 No.2576118820S77氯乙醇-89129工业纯液体20S20L78氯仿-6462工业纯液体60NS100NS20NS14779氯磺酸68真空工业纯固体60NS100NS硫酸铬钾20S80不饱和水溶液铬明矶60S20S81铬酸4060L100NS20S柠檬酸82153饱和水溶液60S100S83椰子油工业一般浓度20S84鱼肝油工业一般浓度2020S85氯化铜(n)饱和水溶液60S20S86氰化铜(n)饱和水溶液60S20S87氟化铜(n)260S20S88硝酸铜(n)饱和水溶液60S100S20S89硫酸铜(n)饱和水溶液60S20S90玉米油工业一般浓度60L。

下载提示
相似文档
正为您匹配相似的精品文档