文档详情

内六角螺栓画法

ji****72
实名认证
店铺
DOCX
131.85KB
约2页
文档ID:36253835
内六角螺栓画法_第1页
1/2

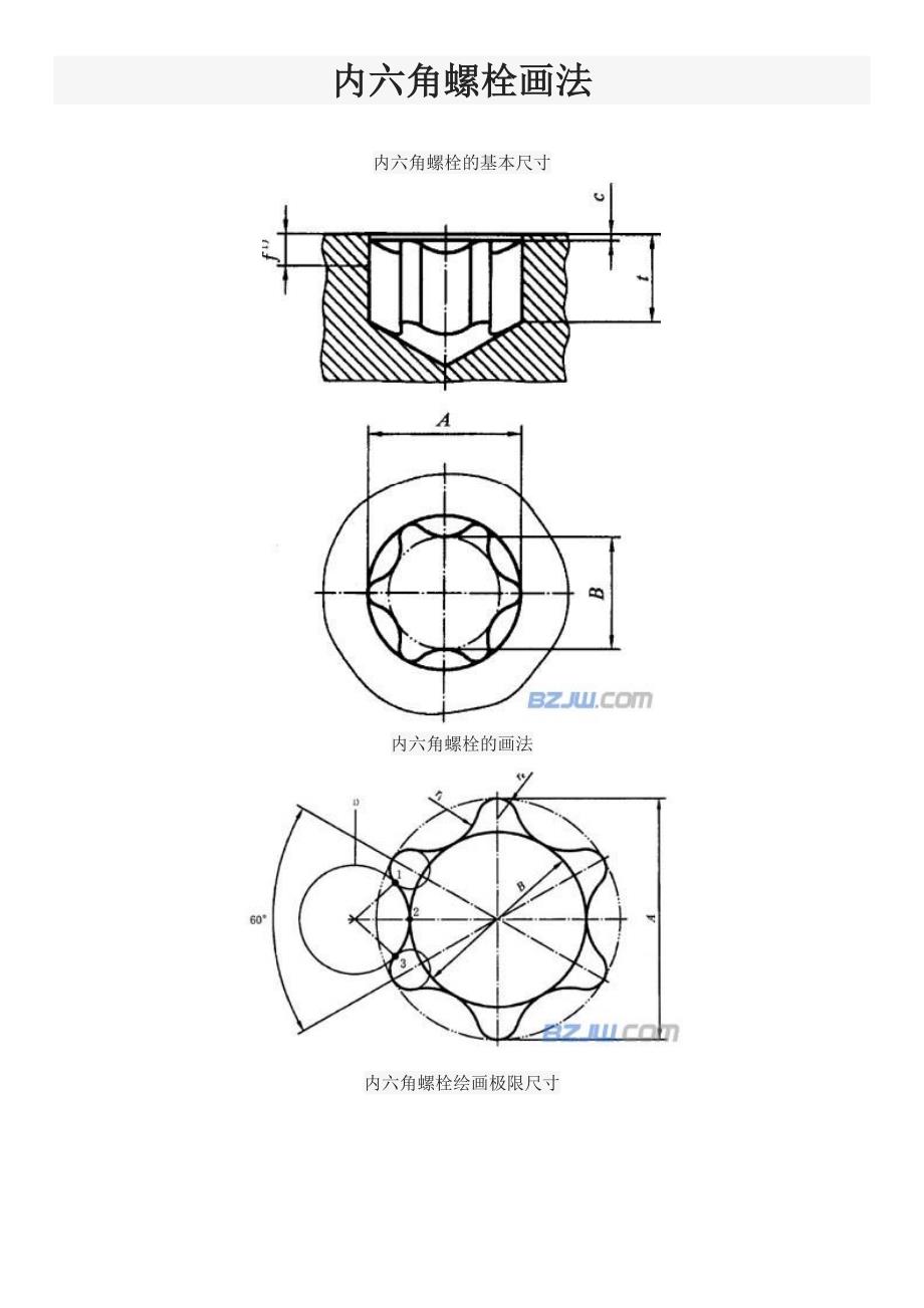
内六角螺栓画法内六角螺栓画法内六角螺栓的基本尺寸内六角螺栓的画法内六角螺栓绘画极限尺寸六角螺栓画法步骤 1)画正六棱柱 先画俯视图,以 2d 为直径画图,并人微言轻内接正六边形,然后画出正六棱柱的主视图和左视图 2)画双曲线的投影 制造六角螺母时,常做出 30 度倒然,使六个棱现与圆锥面相交,因而在正六棱柱的侧面形成双曲线形关 的截交线,作图时为了简便,可用圆弧代替双曲线 主视图中,作半么为 1.5d 的圆弧,且与上底中点相切,小圆弧的半径 r 由作图决定,并作 30 度倒角与小 圆弧相切 3)画螺纹的大么和小径(小径一般取 0.85d) 垫圈的比例画法,六角头螺栓头部的车法除厚度不同外,其余和螺母画法相同。

下载提示
相似文档
正为您匹配相似的精品文档