文档详情

山皮石技术交底

re****.1
实名认证
店铺
DOCX
10.77KB
约3页
文档ID:418434290
山皮石技术交底_第1页
1/3

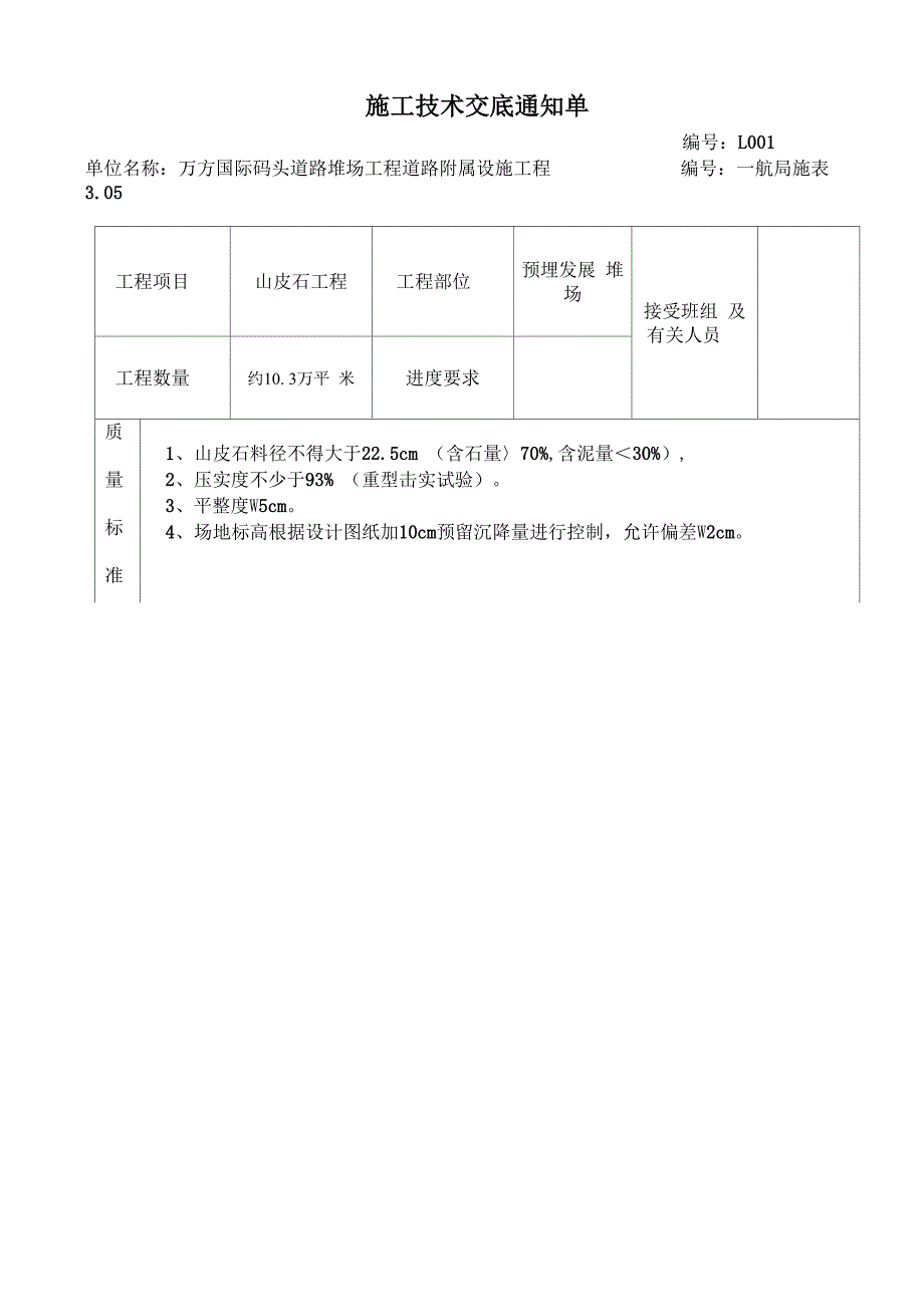
施工技术交底通知单编号:L001单位名称:万方国际码头道路堆场工程道路附属设施工程 编号:一航局施表 3.05工程项目山皮石工程工程部位预埋发展 堆场接受班组 及有关人员工程数量约10. 3万平 米进度要求质量标准1、 山皮石料径不得大于22.5cm (含石量〉70%,含泥量<30%),2、 压实度不少于93% (重型击实试验)3、 平整度W5cm4、 场地标高根据设计图纸加10cm预留沉降量进行控制,允许偏差W2cm施 工 程 序 及 操 作 要 占 八、、一、 工程施工顺序:测量放线一山皮石运输一分层铺筑一振动碾压二、 操作要求:1.用于回填的山皮石,最大料径不大于22.5cm,(含石量〉70%,含泥量<30%), 并级配良好,不均匀系数大于5,曲率系数为1〜32•测量人员按施工图纸用全站仪放出边线位置,打入地下钢筋棍作标志桩,并用 油漆在其上划好标咼线控制铺设标咼3. 山皮石回填分层进行,每层厚度不大于30cm,铺筑时要考虑一定松铺系数4. 山皮石碾压时采用自重不少于12t、激振力不少于270KN的振动压路机进行,每 层碾压不少于6遍,边缘部位多压2遍,直至达到设计要求(压实度不小于93%,且压 路机驶过时表面无明显轮迹)。

安全注意事项9, • 9 - 帽全丁 安 全安时;好 安通跖酒 置 带交4喝布 须辆有禁前 必车要严 工 场工工间动 现施気期区 入意O作挖 进注初工开 1 2 3 4 5 人主要附件图 草 施单 料 配员 全 安员 量 质人 底 交长 段 工 间 底 交签组认班。

下载提示
相似文档
正为您匹配相似的精品文档