文档详情

电缆桥架下料尺寸

枫**
实名认证
店铺
DOC
150KB
约13页
文档ID:410667477
电缆桥架下料尺寸_第1页
1/13

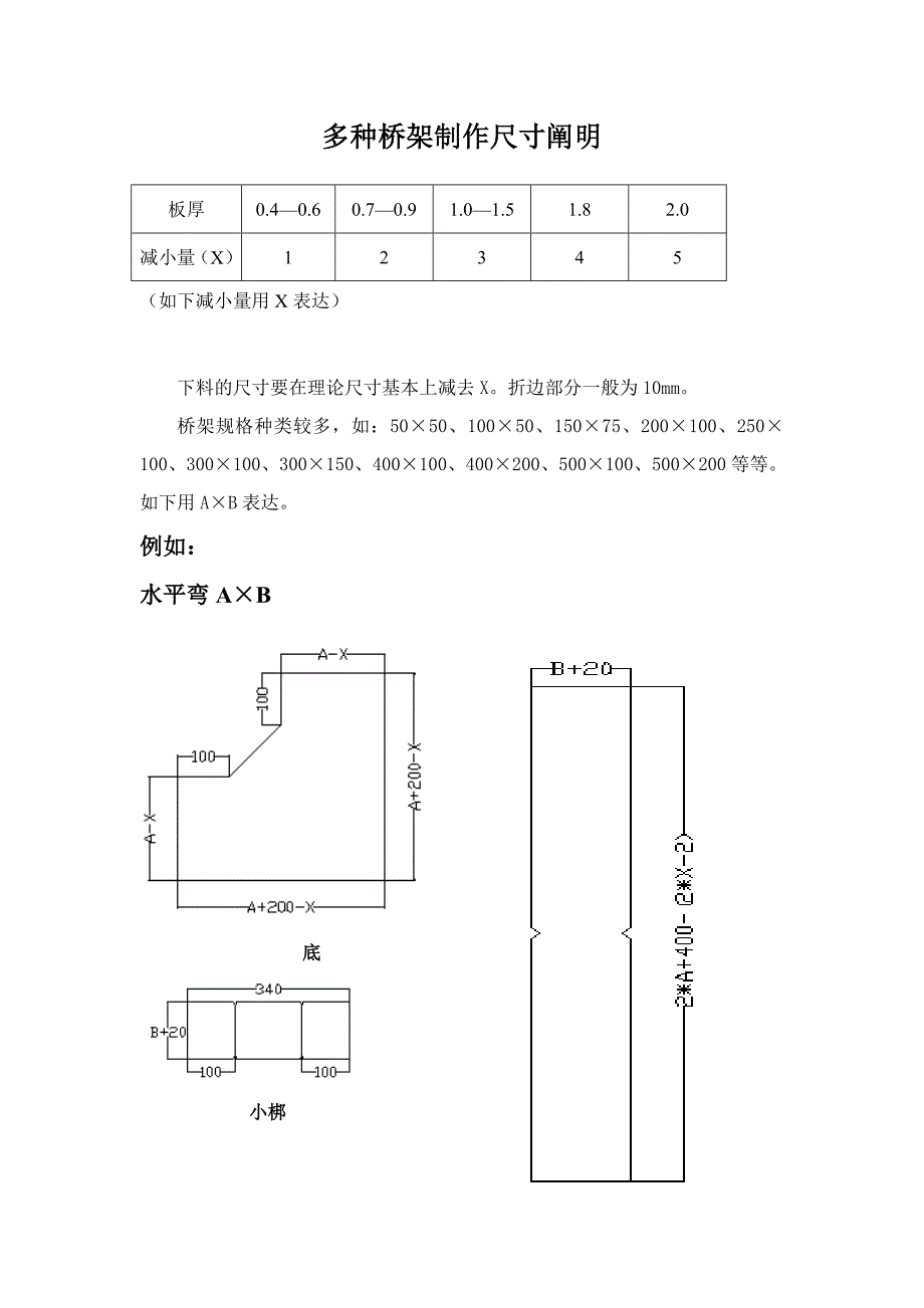
多种桥架制作尺寸阐明板厚0.4—0.60.7—0.91.0—1.51.82.0减小量(X)12345(如下减小量用X表达)下料的尺寸要在理论尺寸基本上减去X折边部分一般为10mm桥架规格种类较多,如:50×50、100×50、150×75、200×100、250×100、300×100、300×150、400×100、400×200、500×100、500×200等等如下用A×B表达例如:水平弯A×B 底小梆 大梆底和盖的下料时分为两块以以便剪切,然后用铡刀切成如图形状,再焊接成型大梆的长度减少量为 (2×X-2)大帮在中间位置用机床打两个90°角然后折边,在中间位置折90°弯小帮的小口用机床切开然后折边,再开小口位置向外折45°弯盖板开小口位置用铡刀切开,下面用机床打一种90°角,之后才可以折边 盖水平三通A×B水平三通的底和盖下料时要分为两块,上部的小头和下面分开下,然后用铡刀切成如图形状,再焊接成型。

小梆下两个,开口用机床大帮、小帮两侧都折边水平四通A×B水平三通的底和盖的四个小头都要分开下料,剪切后再焊接盖板折弯时要注意位置精确小梆要下四个,开口、折弯上弯通、下弯通A×B 上、下弯的帮同样,底和盖位置相反,帮的做法与水平弯盖相似,下弯盖与水平弯做法相似上垂直三通A×B底和帮为两个,帮的做法与水平三通盖板类似底两头折100宽45度弯盖板两侧折边下垂直三通A×B下垂直三通帮的做法与水平三通盖板类似盖板两头折100宽45度弯左、右上弯通A×B左上弯与右上弯下料相似,只是折弯方向不同,合成后方向相反C尺寸为+200左、右下弯通A×B底的下部要折200宽90度弯左下弯与右下弯下料相似,只是折弯方向不同,合成后方向相反上边垂直三通A×B下边垂直三通A×B以上为常用的异型件的下料尺寸其中下面类似形状应分为数快下料以以便剪切。

下载提示
相似文档
正为您匹配相似的精品文档
相关文档