文档详情

遥控风扇专用控制器

wt****50
实名认证
店铺
PDF
263.77KB
约9页
文档ID:37654795
遥控风扇专用控制器_第1页
1/9

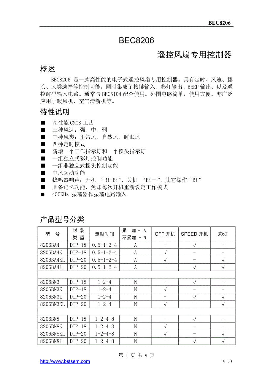
BEC8206 第 1 页 共 9 页 V1.0 BEC8206 遥控风扇专用控制器 遥控风扇专用控制器 概述 概述 BEC8206 是一款高性能的电子式遥控风扇专用控制器具有定时、风速、摆 头、风类选择等控制功能,同时集成了按键输入、彩灯输出、BEEP 输出、以及遥 控解码输入电路通常与 BEC5104 配合使用外围电路简单,使用方便亦广泛 应用于暖风机、空气清新机等 特性说明 特性说明 ■ 高性能 CMOS 工艺 ■ 三种风速:强、中、弱 ■ 三种风类:正常风、自然风、睡眠风 ■ 四种定时模式 ■ 新增一个工作指示灯和一个摆头指示灯 ■ 一组独立式彩灯控制功能 ■ 一组非独立式摆头控制功能 ■ 中风起动功能 ■ 蜂鸣器响声:开机 “Bi-Bi” 、关机 “Bi-” 、其它操作“Bi” ■ 具备记忆功能,免却每次开机重新设定工作模式 ■ 455KHz 振荡器作振荡电路输入 产品型号分类 产品型号分类 型 号 封 装 类 型 定时时间 累 加– A 不累加 - N 型 号 封 装 类 型 定时时间 累 加– A 不累加 - N OFF 开机开机SPEED 开机 彩灯 开机 彩灯 8206BA4 DIP-18 0.5-1-2-4A - √ - 8206BA4K DIP-18 0.5-1-2-4A √ - - 8206BA4KL DIP-20 0.5-1-2-4A √ - √ 8206BA4L DIP-20 0.5-1-2-4A - √ √ 8206BN3 DIP-18 1-2-4 N - √ - 8206BN3K DIP-18 1-2-4 N √ - - 8206BN3L DIP-20 1-2-4 N - √ √ 8206BN3KL DIP-20 1-2-4 N √ - √ 8206BN8 DIP-18 1-2-4-8 N - √ - 8206BN8K DIP-18 1-2-4-8 N √ - - 8206BN8KL DIP-20 1-2-4-8 N √ - √ 8206BN8L DIP-20 1-2-4-8 N - √ √ BEC8206 第 2 页 共 9 页 V1.0 内部框图 内部框图 绝对最高极限值 绝对最高极限值 电源电压------------------------------- -0.3~5.5V 输入/输出电压----------------- Vss-0.3~VDD+0.3V 功率损耗------------------------------------ 500mW 工作温度------------------------------- -10~70℃ 贮存温度------------------------------ -40~125℃ 直流特性 直流特性 (T=25℃ VDD=5VDC) 参数 符号 测试条件 最小值 典型值 最大值 单位 工作电压 Vdd -- 3 5 5.5 V 静态电流 Isb VDD-VSS=5VDC OSC 停止 输出无负载 -- 1 2 mA 输入高电平 VIh -- 3.5 -- -- V 输入低电平 VIL -- -- -- 1.5 V OFF,MODE,SPEED,TIMER VOH = 3.5V 5 15 -- mA STR,MED,LOW,SHO,LTO VOL = 1.5V -20 -35 -- mA COM1,COM2,COM3 VOL = 1.5V -30 -50 -- mA 输出电流 Io 蜂鸣器 VOH=3.5V 15 20 -- mA BEC8206 第 3 页 共 9 页 V1.0 引脚配置类型 引脚配置类型 DIP-18 型管脚配置图 DIP-20 型管脚配置图 8206BN8/K 8206BN3/K 8206BA4/K 8206BN8L/KL 8206BN3L/KL 8206BA4L/KL BEC8206 第 4 页 共 9 页 V1.0 管脚描述 管脚描述 功能描述: 功能描述: BEC8206B 风扇控制器, 是以电子式的触控开关和定时器, 取代传统机械式开 关和定时器,除了保留原有传统风扇的常风及定时功能外,又增加了自然风和睡 眠风设计,提供一组摆头功能,一组彩灯控制功能(后缀带“L”型号) 。

配上专 用编码器 BEC5104,可实现全功能遥控 (每次按键皆有蜂鸣器响声以表示按键信号 成功接收),提高了产品的实用性 BEC8206 第 5 页 共 9 页 V1.0 “开/关”按键 “开/关”按键 当风扇静止时, (后缀带‘K’的型号)按此键启动风扇工作指示灯亮风 扇中风启动以增大扭力,三秒钟后回复设定的弱风状态(初次上电,)或被记忆之 风速状态运行当风扇转动时,按此键切断电机电源,工作指示灯灭,风扇停止 运转,控制电路复原静态状态,并记忆关机前的工作模式,待下次再按此键启动 风扇时,即以记忆的状态工作(定时及睡眠风不会被记忆) “风速”按键 “风速”按键 风速设定键,弱、中、强、弱、中…循环式选择 (后缀不带‘K’的型号以 “风速”键为开机键) “风类”按键 “风类”按键 此键用于选择风扇转动之类别,按正常风、自然风、睡眠风、正常风、自然 风……循环式选择 正常风:正常风:风扇按设定的强、中、弱风恒速运转 自然风:自然风:风扇电机按预编电脑程式作不规则运转,配合风速键之设定,可分 强自 然风、中自然风、弱自然风,模仿大自然之风吹效果,令风量更柔更舒适。

睡眠风:睡眠风:配合风速键的设定,可分强睡眠风、中睡眠风、弱睡眠风;风扇电 机进入睡眠风电脑程式控制,根据人的体温会随入睡后慢慢下降,风扇的风量亦 会慢慢减弱,以免入睡后着凉,其减弱规律如下: 1)当设定为强睡眠风时,风扇以强自然风模式运转半小时,然后转为中自然 风模式,运转半小时后,再转为弱自然风模式,直至预置时间结束,或被关掉为 止 2)当设定为中睡眠风时,风扇以中自然风运转半小时后,转为弱自然风,直 至预置时间结束,或被关掉为止 3) 当设定为弱睡眠风时, 风扇以弱自然风运转, 直至预置时间结束, 或被 关 掉为止 “定时”按键 “定时”按键 此键用于设定风扇的工作时间根据不同型号可设定四种定时方式: 0.5、1、2、4 小时四段式累加计时; 0.5、1、2、4 小时四段式不累加计时; 1、2、4、8 小时四段式不累加计时; 1、2、4 小时三段式不累加计时; 当风扇在定时状态中运转时,LED 之显示会随时间的过去而显示预设剩余时 间,以清楚显示风扇还会进行多长工作时间才会停止 “摆头”按键 “摆头”按键 当风扇运转时,按此键可控制电子摆头运转,当风扇处于关机状态时,按此 键不工作。

BEC8206 第 6 页 共 9 页 V1.0 “彩灯”按键“彩灯”按键(后缀带“L”的型号) 按此键可控制彩灯之开关,此键之动作与风扇是否运转无关 典型应用电路(遥控发射部分) 典型应用电路(遥控发射部分) BEC5104 典型应用电路(控制部分) 典型应用电路(控制部分) BEC8206 BEC8206 第 7 页 共 9 页 V1.0 定时指示灯参照表 定时指示灯参照表 元件清单 元件清单 BEC8206 第 8 页 共 9 页 V1.0 电源电路电源电路 元件清单 元件清单 产品型号分类说明 产品型号分类说明 BEC8206 第 9 页 共 9 页 V1.0 L:: 彩灯彩灯 K:: OFF 键开机键开机 A4:: 0.5、、1、、2、、4 累加计时累加计时 N4:: 0.5、、1、、2、、4 不累加计时不累加计时 N3.:: 1、、2、、4 不累加计时不累加计时 N8.:: 1、、2、、4、、8 不累加计时不累加计时 8206B:: 系列号系列号 。

下载提示
相似文档
正为您匹配相似的精品文档