文档详情

格兰仕微波炉电路图

公****
实名认证
店铺
DOC
437.51KB
约4页
文档ID:462435045
格兰仕微波炉电路图_第1页
1/4

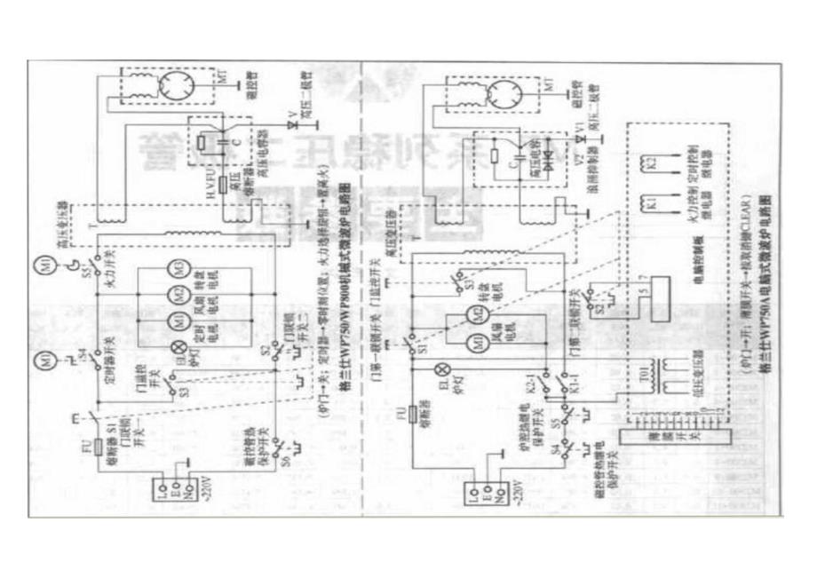
护仃fJh *力音火)格兰仕、、戶00机械式g浅炉电UH炉创沁电时聊nilRfft w■■於・・ftiiimw砒阳I.■•..J年\i :・ C ;•町肌n nAAKMHO «EL炉灯 WL风扁电机 MV转盘电机 RH•石#«»W T. «££

下载提示
相似文档
正为您匹配相似的精品文档