文档详情

磅级与公斤的换算

豆浆
实名认证
店铺
DOC
131KB
约5页
文档ID:31004823
磅级与公斤的换算_第1页
1/5

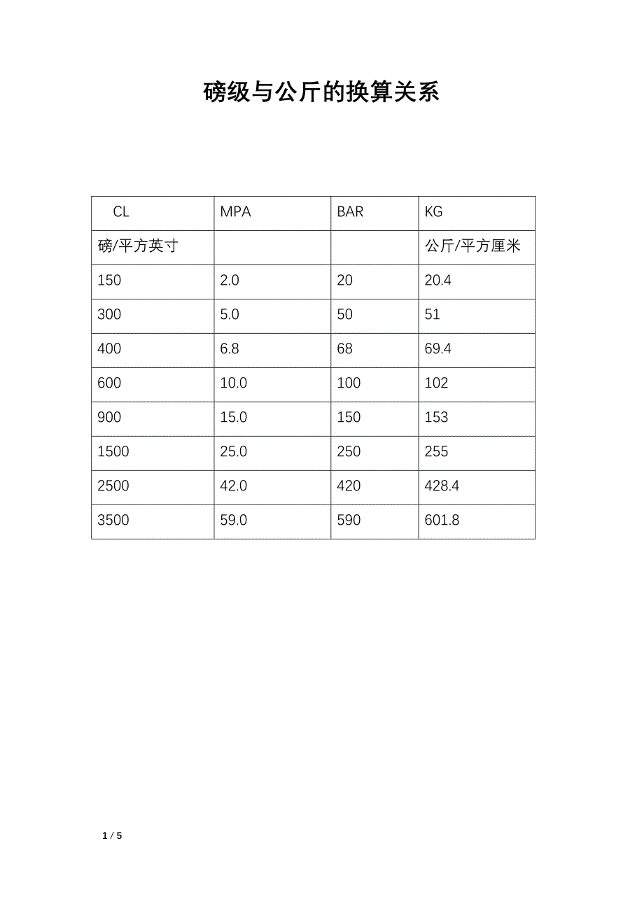
1 / 5磅级与公斤的换算关系CL MPA BAR KG磅/平方英寸 公斤/平方厘米150 2.0 20 20.4300 5.0 50 51400 6.8 68 69.4600 10.0 100 102900 15.0 150 1531500 25.0 250 2552500 42.0 420 428.43500 59.0 590 601.8 2 / 5常用压力单位换算表磅级Class 150 300 400 600 900 1500 2500公称压力MPa0.6MPa1.0MPa1.6MPa2.0MPa2.5MPa4.0MPa5.0MPa 6.4MPa 10.0MPa 15.0MPa 25.0MPa 42.0MPa公称压力PNPN6PN10PN16PN20 PN25PN40PN50 PN6.4 PN100 PN150 PN250 PN420阀门公称压力系列 MPa (bar)0.05(0.5) 0.1(1.0) 0.25(2.5) 0.4(4.0) 0.6(6.0) 0.8(8.0)1.0(10.0) 1.6(16.0) 2.0(20.0) 2.5(25.0) 4.0(40.0) 5.0(50.0)6.3(63.3) 10.0(100.0) 15.0(150.0) 16.0(160.0) 20.0(200.0) 25.0(250.0)28.0(280.0) 32.0(320.0) 42.0(420.0) 50.0(500.0) 63.0(630.0) 80.0(800.0)100.0(1000.0) 125.0(1250.0) 160.0(1600.0) 200.0(2000.0) 250.0(2500.0) 335.0(3350.0)(适用于阀门)Metric Equivalent Charts英寸 In. 1/8 1/4 3/8 1/2 3/4 1 11/4 11/2 2 21/2 3 31/2 4毫米 DN 4 6 10 15 20 25 32 40 50 65 80 90 100英寸 In. 5 6 8 10 12 14 16 18 20 24 26 28 30毫米 DN 125 150 200 250 300 350 400 450 500 600 650 700 750英寸 In. 32 34 36 42 48 54 60 64 72 80 84 88 96公称通径Size毫米 DN 800 850 900 1050 1200 1350 1500 1600 1800 2000 2100 2200 2400 3 / 5被乘数 Multiply 乘数 By 积 To Obtain立方英尺/分Cubic Feet/Min.62.43 磅(水) /分Pounds of Water/Min.立方英尺/秒Cubic Feet/Sec.448.831 加 仑/分Gallons/Min. 流量Flow 立方米/小时m3/hr4.403 美制加 仑/分US GPM马力 Horsepower 33,000 英尺磅/分 Ft.-Lb./Min.马力 Horsepower 550 英尺磅 /秒 Ft.-Lb./Sec.马力 Horsepower 745.7 瓦 Watts英尺磅/秒 Ft.-Lb./Sec. 4.6263 英国热量单位 /小时 BTU/Hr功率Power 千瓦 Kilowatts 1.341 马力 Horsepower英国热量单位 BTU 778.3 英尺磅 Ft. Lbs.能量Energy 千瓦小时 Kilowatts-Hrs 3413 英国热量单位 BTU牛顿·米 NM 10.2 公斤· 厘米 kgf·cm扭矩Torque 牛顿·米 NM 8.8585 磅·英寸 lbf·in符号 被乘数 Multiply 乘数 By 积 To Obtain 符号 In. 英寸 Inches 2.54 公分 Centimeters Cm.Ft. 英尺 Feet 30.48 公分 Centimeters Cm.Mm. 毫米 Millimeters 0.03937 英寸 Inches In.Cm. 公分 Centimeters 0.3937 英寸 Inches In.长度Lengthm. 米(公尺)Meters 3.2808 英尺 Feet Ft.Oz. 盎司 Ounces 28.35 克 Grams G.Lb. 磅 Pound 0.4536 公斤 Kilograms Kg.G. 克 Grams 0.03527 盎司 Ounces Oz.质量(重量) Mass Kg. 公斤 Kilograms 2.205 磅 Pound Lb.oF 华 氏 Fahrenheit (oF-32)x5÷9 摄 氏 Celsius oC温度 oC 摄氏 Celsius oCx9÷5+32 华氏 Fahrenheit oFIn.2 平方英寸 Square Inches 6.45 平方公分 Square Centimeters Cm.2Ft.2 平方英尺 Square Feet 0.0929 平方米 Square Meters M.2面积Area Cm.2 平方公分 Square Centimeters 0.155 平方英寸 Square Inches In.2Fl.Oz. 流体盎司 Fluid Ounces 29.5625 毫升 Milliliters Ml.Qt. 夸脱 Quart 0.946 公升 Liters L.体积(容积)Volume Gal. 加仑 Gallons 3.785 公升 Liters L. 4 / 5Ft.3 立方英尺 Cubic Feet 0.0283 立方米 Cubic Meters M.3Ml. 毫升 Milliliters 0.0338 流体盎司 Fluid Ounces Fl. Oz.L. 公升 Liters 1.0571 夸脱 Quart Qts.L. 公升 Liters 0.2642 加仑 Gallons Gal.M.3 立方米 Cubic Meters 35.34 立方英尺 Cubic Feet Ft.3In.3 立方英寸 Cubic Inches 5.787x10-4 立方英尺 Cubic Feet Ft.3Ft.3 立方英尺 Cubic Feet 1728 立方英寸 Cubic Inches In.3Ft.3 立方英尺 Cubic Feet 7.48052 美制加仑 Gallons (US Lig) Gal.PSI 磅/平方英寸Pounds Per Sq. In. 0.069 Bar 无符号PSI 磅/平方英寸Pounds Per Sq. In. 6.89 千帕Kilopascals KpaPSI 磅/平方英寸Pounds Per Sq. In. 0.07公斤/平方公分Kilogram Per Sq. CentimeterKg/Cm.2Lb./Ft.2 磅/平方英尺Pounds Per Sq. Ft. 4.88 公斤/平方米Kilogram Per Sq. Meter Kg/M.2Kpa 千帕Kilopascals 0.145 磅/平方英寸Pounds Per Sq. In. PSIKg/Cm.2公斤/平方公分Kilogram Per Sq. Centimeter14.22 磅/平方英寸Pounds Per Sq. In. PSI无符号 Bar 14.5 磅/平方英寸Pounds Per Sq. In. PSI气压 Atmospheres 29.92英寸汞柱(零摄氏度)Inches of Mercury (at 0 oC)气压 Atmospheres 14.7 磅/平方英寸Pounds Per Sq. In. 英尺水柱Feet of Water 0.4335 磅/平方英寸Pounds Per Sq. In. 英寸汞柱Inches of Mercury 0.4912 磅/平方英寸Pounds Per Sq. In. 磅/平方英寸Pounds Per Sq. In. 2.307 英尺水柱Feet of Water 压力磅/平方英寸Pounds Per Sq. In. 2.036 英寸汞柱Inches of Mercury 5 / 5PN Bar 兆帕(MPa) 磅级(Lb) K 级20 2.0 150 1050 5.0 300 2063 6.3 400 30100 10.0 600 45150 15.0 900 65250 25.0 1500 110337 33.7 2000 140420 42.0 2500 1801 磅/英寸 2(psi)=0.006895 兆帕(MPa)=0.0703 千克/厘米 2(kg/cm2)=0.0689 巴(bar)=0.068 大气压(atm)1 巴(bar)=0.1 兆帕(MPa)=14.503 磅/英寸 2(psi)=1.0197 千克/厘米2(kg/cm2)=0.987 大气压(atm)1 大气压(at m)=0.101325 兆帕(MPa)=14.696 磅/英寸 2(psi)=1.0333千克/厘米 2(kg/cm2)=1.0133 巴(bar)1 兆帕(MPa)=145 磅/英寸 2(psi)=10.2 千克/厘米 2(kg/cm2)=10 巴(bar)=9.8 大气压(atm)。

下载提示
相似文档
正为您匹配相似的精品文档