文档详情

电机正反转电路图(精品)

cl****1
实名认证
店铺
DOC
296KB
约8页
文档ID:435074062
电机正反转电路图(精品)_第1页
1/8

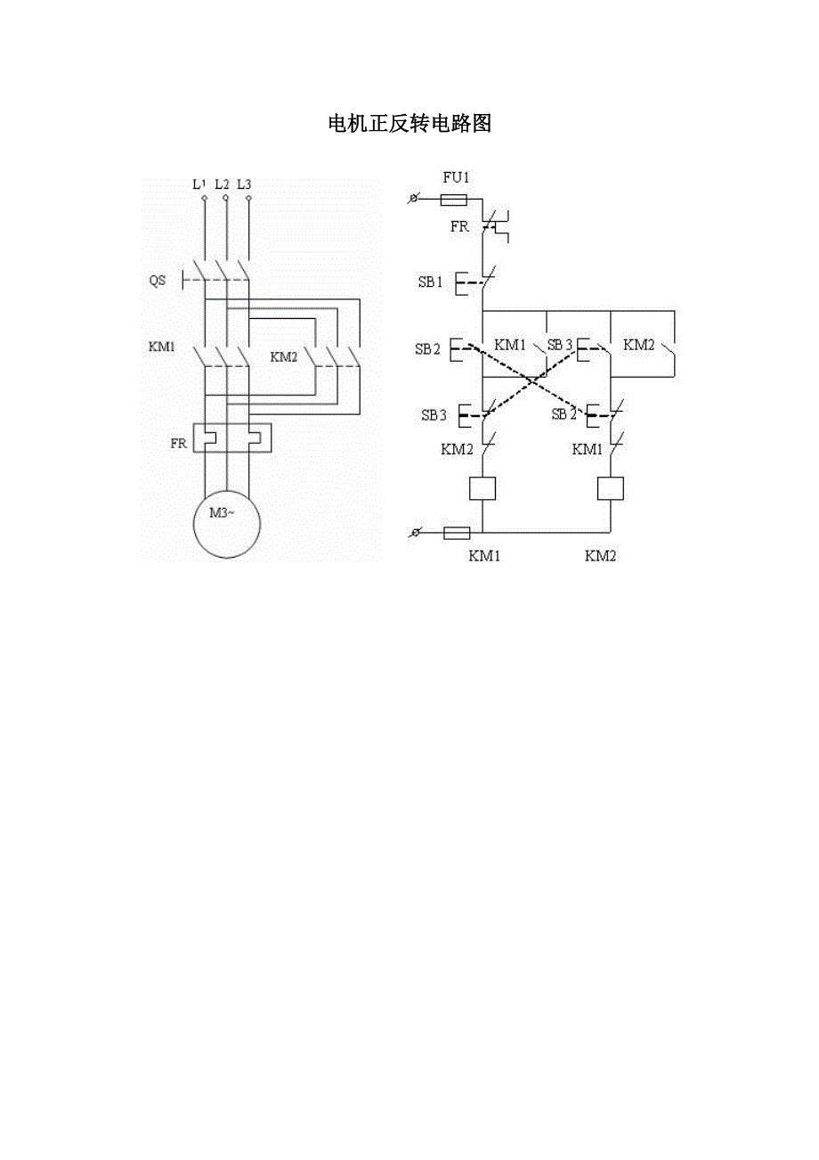
电机正反转电路图三相异步电动机接触器联锁的正反转控制的电气电子原理图如图3-4所示线路中采用了两个接触器,即正转用的接触器KM1和反转用的接触器KM2,它们分别由正转按钮SB2和反转按钮SB3控制这两个接触器的主触头所接通的电源相序不同,KM1按L1—L2—L3相序接线,KM2则对调了两相的相序控制电路有两条,一条由按钮SB2和KM1线圈等组成的正转控制电路;另一条由按钮SB3和KM2线圈等组成的反转控制电路220v单相电机正反原理单相电机不同于三相电机,三相电进入电机后,由于存在120°电角度,所以产生N S N S旋转磁场,推动转子旋转而单相电进入电机后,产生不了N S N S磁场,所以加了一个启动绕组,启动绕组在定子内与工作绕组错开90°电角度排列,外接离心开关和启动电容后与工作绕组并联接入电源,又因为电容有阻直通交的作用,交流电通过电容时又滞后一个电角度,这样就人为地把进入电机的单相电又分出来一相,产生旋转磁场,推动转子旋转反转时,只要把工作绕组或者启动绕组的两个接线对调一下就行,产生S N S N的磁场,电机就反转了网友完善的答案 好评率:75% 单相电机的接线方法,是在副绕组中串联(不是并联)电容,再与主绕组并联接入电源; 只要调换一下主绕组与副绕组的头尾并联接线,电机即反转 如果电机是3条出线的,其中一条是公共点!(分别与另外2条线的测电阻其值较小)接电源零线!然后把剩下的两条线并联电容,在电容的一端接220V电源相(火)线,就可以了!若要改变电机转向只要把220V电源相(火)线接在电容的另一端就可以了!笼型电动机正反转的控制线路(电路图)发布: | 作者: | 来源: jiasonghu | 查看:775次 | 用户关注:接通电源让KMF--线圈通电其主触点闭合三相电源ABC分别通入电机三相绕组UVW,电动机正转。

KMF线圈断电,主触点打开,电机停让KMR线圈通电----其主触点闭合三相电源ABC通入电机三相绕组变为A—U未变,但B—W,C—V电动®笼型电动机正反转的控制线路要使电动机给够实现反转,只要把接到电源的任意两根联线对调一头即可为此用两个接触器来实现这一要求设KMF为实现电机正转的接触器,KMR为实现电机反转的接触器合上--S笼型电动机正反转的控制线路要使电动机给够实现反转,只要把接到电源的任意两根联线对调一头即可为此用两个接触器来实现这一要求设 KMF 为实现电机正转的接触器, KMR 为实现电机反转的接触器接通电源®合上--S 让 KMF--线圈通电 其主触点闭合三相电源 ABC 分别通入电机三相绕组 UVW ,电动机正转KMF 线圈断电,主触点打开,电机停让 KMR 线圈通电----其主触点闭合三相电源 ABC 通入电机三相绕组变为 A — U 未变,但 B — W ,C — V电动机将反转采用复式按钮笼型电动机正反转的控制线路2)如何画电动机正反转的电路图?初中物理,应该是永磁直流电动机吧,是这个吧:有更简单的图吗?回答这个是单电源正反转最简单的了,如果是用正负电源,就可以简单一些,用一个开关就可以了。

直流电动机正反转控制电路图时间:2010-11-25 21:57:45 赞同。

下载提示
相似文档
正为您匹配相似的精品文档