文档详情

点型火灾探测器的设置数量和布置

第**
实名认证
店铺
DOC
57KB
约2页
文档ID:38665153
点型火灾探测器的设置数量和布置_第1页
1/2

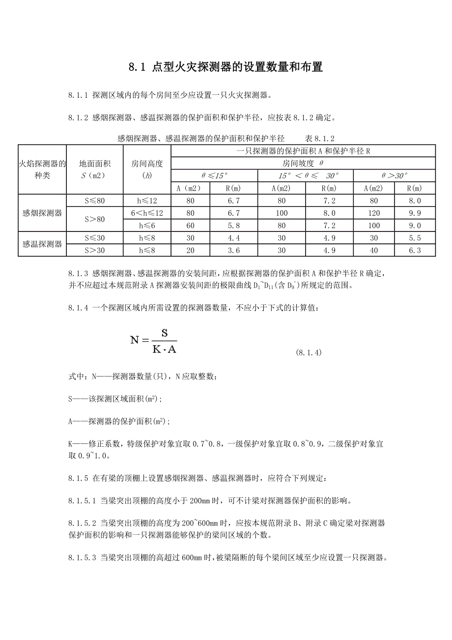
8.18.1 点型火灾探测器的设置数量和布置点型火灾探测器的设置数量和布置8.1.1 探测区域内的每个房间至少应设置一只火灾探测器8.1.2 感烟探测器、感温探测器的保护面积和保护半径,应按表 8.1.2 确定感烟探测器、感温探测器的保护面积和保护半径 表 8.1.2 一只探测器的保护面积 A 和保护半径 R房间坡度θθ≤15°15°<θ≤ 30°θ>30°火焰探测器的 种类地面面积 S(m2)房间高度(h) A(m2)R(m) A(m2) R(m) A(m2) R(m) S≤80h≤12806.7807.2808.0 6<h≤12806.71008.01209.9感烟探测器S>80 h≤6605.8807.21009.0S≤30h≤8304.4304.9305.5感温探测器S>30h≤8203.6304.9406.38.1.3 感烟探测器、感温探测器的安装间距,应根据探测器的保护面积 A 和保护半径 R 确 定,并不应超过本规范附录 A 探测器安装间距的极限曲线 D1~D11(含 D9')所规定的范围8.1.4 一个探测区域内所需设置的探测器数量,不应小于下式的计算值:(8.1.4)式中:N——探测器数量(只),N 应取整数;S——该探测区域面积(m2);A——探测器的保护面积(m2);K——修正系数,特级保护对象宜取 0.7~0.8,一级保护对象宜取 0.8~0.9,二级保护对象 宜取 0.9~1.0。

8.1.5 在有梁的顶棚上设置感烟探测器、感温探测器时,应符合下列规定:8.1.5.1 当梁突出顶棚的高度小于 200mm 时,可不计梁对探测器保护面积的影响8.1.5.2 当梁突出顶棚的高度为 200~600mm 时,应按本规范附录 B、附录 C 确定梁对探测 器保护面积的影响和一只探测器能够保护的梁间区域的个数8.1.5.3 当梁突出顶棚的高超过 600mm 时,被梁隔断的每个梁间区域至少应设置一只探测 器8.1.5.4 当被梁隔断的区域面积超过一只探测器的保护面积时,被隔断的区域应按本规范 8.1.4 条规定计算探测器的设置数量8.1.5.5 当梁间净距小于 1m 时,可不计梁对探测器保护面积的影响8.1.6 在宽度小于 3m 的内走道顶棚上设置探测器时,宜居中布置感温探测器的安装间距 不应超过 10m;感烟探测器的安装间距不应超过 15m;探测器至端墙的距离,不应大于探测 器安装间距的一半8.1.7 探测器至墙壁、梁边的水平距离,不应小于 0.5m8.1.8 探测器周围 0.5m 内,不应有遮挡物8.1.9 房间被书架、设备或隔断等分隔,其顶部至顶棚或梁的距离小于房间净高的5%时, 每个被隔开的部分至少应安装一只探测器。

8.1.10 探测器至空调送风口边的水平距离不应小于 1.5m,并宜接近回风口安装,探测器 至多孔送风顶棚孔口的水平距离不应小于 0.5m8.1.11 当屋顶有热屏障时,感烟探测器下表面至顶棚或屋顶的距离,应符合表 8.1.11 的 规定感烟探测器下表面至顶棚或屋顶的距离.. 表 8.1.11感烟探测器下表面至顶棚或屋顶的距离 d(mm)顶棚或屋顶坡度θθ≤15°15°<θ≤ 30°θ>30°探测器的安装 高度 h(m)最小最大最小最大最小最大h≤630200200300300500 6<h≤870250250400400600 8<h≤10100300300500500700 10<h≤121503503506006008008.1.12 锯齿型屋顶和坡度大于 150的人字型屋顶,应在每个屋脊处设置一排探测器,探测 器下表面距屋顶最高处的距离,应符合本规范 8.1.11 的规定8.1.13 探测器宜水平安装当倾斜安装时,倾斜角不应大于 4508.1.14 在电梯井、升降机井设置探测器时,其位置宜在井道上方的机房顶棚上。

下载提示
相似文档
正为您匹配相似的精品文档