文档详情

GPS控制网等级分类和规范

笛音
实名认证
店铺
DOCX
144.97KB
约13页
文档ID:25879025
GPS控制网等级分类和规范_第1页
1/13

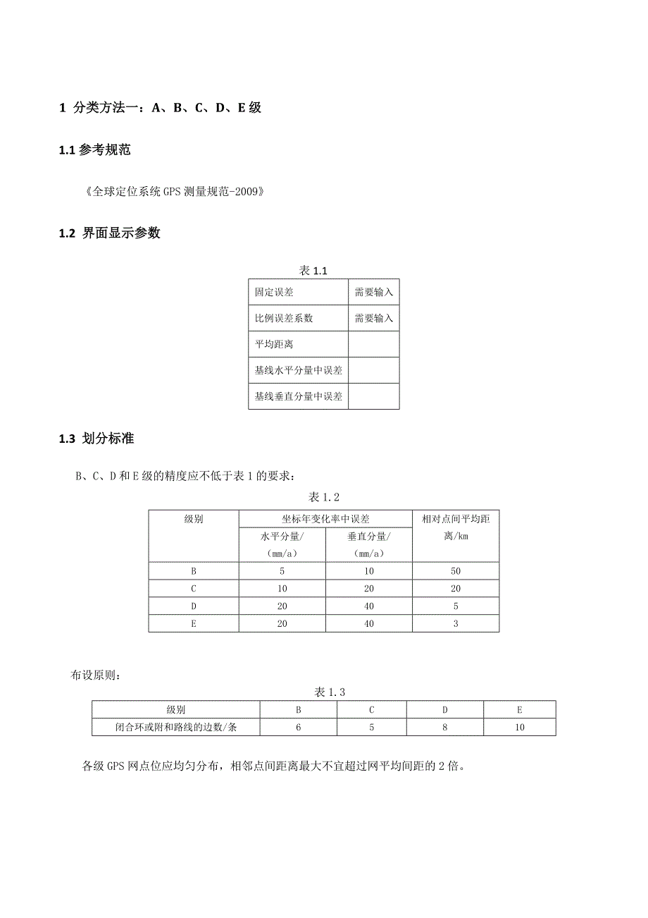
1 分类方法一:A、B、C 、D、E 级1.1 参考规范《全球定位系统 GPS 测量规范-2009》1.2 界面显示参数表 1.1固定误差 需要输入比例误差系数 需要输入平均距离 基线水平分量中误差基线垂直分量中误差1.3 划分标准B、C、D 和 E 级的精度应不低于表 1 的要求:表 1.2坐标年变化率中误差级别水平分量/(mm/a)垂直分量/(mm/a)相对点间平均距离/kmB 5 10 50C 10 20 20D 20 40 5E 20 40 3布设原则:表 1.3级别 B C D E闭合环或附和路线的边数/条 6 5 8 10各级 GPS 网点位应均匀分布,相邻点间距离最大不宜超过网平均间距的 2 倍接收机的选用:表 1.4级别 B C D、E单频/双频 双频/全波长 双频/全波长 双频/单频观测量至少有 L1、L2 载波相位 L1、L2 载波相位 L1 载波相位同步观测机数 ≥4 ≥3 ≥2观测:表 1.5级别级别B C D E卫星截止高度角/度 10 15 15 15同时观测有效卫星数 ≥4 ≥4 ≥4 ≥4有效观测卫星总数 ≥20 ≥6 ≥4 ≥4观测时段数 ≥3 ≥2 ≥1.6 ≥1.6时段长度 ≥23h ≥4h ≥60min ≥40min采样间隔 30 10-30 5-15 5-15注 1:计算有效观测卫星总数时,应该各时段的有效观测卫星扣除期间的重复卫星数注 2:观测时段长度,应为开始纪律数据到结束记录的时间段注 3:观测时段≥1.6,指采用网观测模式时,每站至少观测一时段,其中二次设站点数应不少于 GPS 网总点数的 60%注 4:采用基于卫星定位连续运行基准站点观测模式时,可连续观测,但观测时间应不低于表中规定的各时段观测时间的和数据处理(1)外业数据检核1)B 级 GPS 网基线外业预处理和 C、D、E 级 GPS 网基线处理,复测基线的长度较差 ds 应满足公式 1.1的规定:ds≦2 σ (1.1)σ---为基线测量中误差,单位为毫米2)B、C、D、E 级 GPS 网基线测量中误差 σ 采用外业测量时使用的 GPS 接收机的标称精度,计算时变长按实际平均边长计算。

3)B、C、D、E 级 GPS 网同步环闭合差,不宜超过以下规定:三边同步环中只有两个同步边成果可以视为独立的成果,第三边成果应为其余两边的代数和由于模型误差和处理软件的内在缺陷,第三边处理结果与前两边的代数和常不为零,其差值应符合公式 1.2≦≦≦ (1.2)式中:σ----基线测量中误差,单位为毫米,计算按 12.2.5 规定执行对于四站以上同步观测时段,在处理完个边观测值后,应检查一切可能的三边环闭合差4) B、C、D、E 级 GPS 网外业基线的处理结果,其独立闭合环或附和路线坐标闭合差 WS和各坐标分量闭合差应满足公式(1.3)的规定≦3 σ≦3 σ≦3 σ≦3 σ (1.3)WS= n 为闭合环数2)基线向量解算基本要求(略参考规范 12.3.3 节)2 分类方法二:城市二、三、四等和一、二级城市或工程 GPS 按相邻点的平均距离和精度划分为二、三、四等和一、二级2.1 参考规范《全球定位系统城市测量技术规范-1997》2.2 界面显示参数表 2.1固定误差 需要输入比例误差系数 需要输入最弱边相对中误差 平均距离 同步环坐标分量相对闭合差 同步环线全长相对闭合差2.3 划分标准1) 各等级 GPS 网相邻点间弦长精度应按公式 2.1 计算σ= (2.1)式中 σ----标准差(基线向量的弦长中误差 mm);a-----固定误差(mm) ;b-----比例误差系数(1X10 -6);d-----相邻点间的距离(km) 。

2)各等级 GPS 网的主要技术要求应符合表 2.2 规定相邻点最小距离应为平均距离的 1/2~1/3;最大距离应为平均距离的 2~3 倍表 2.2 GPS 网的主要技术要求等级 平均距离(km) a(mm) b(1*10-6)最弱边相对中误差二等 9 ≤10 ≤2 1/120000三等 5 ≤10 ≤5 1/80000四等 2 ≤10 ≤10 1/45000一级 1 ≤10 ≤10 1/20000二级 <1 ≤15 ≤20 1/10000注:当边长小于 200m 时,边长中误差小于 20mm3)布网原则 接收机选择,观测基本技术要求(略) ,参考规范六七章闭合环或附和路线边数的规定等级 二等 三等 四等 一级 二级闭合环或附和路线的边数 ≤6 ≤8 ≤10 ≤10 ≤104) 同一时段观测值基线处理中,二、三等数据采用率都不宜低于 80%5) 采用单基线处理模式时,对于采用同一种数学模型的基线解,其同步时段中任一三边同步环的坐标分量相对闭合差和全长相对闭合差不宜超过表 2.3 的规定表 2.3 同步环坐标分量及环线全长相对闭合差的规定(1X10 -6)等级限差类型二等 三等 四等 一级 二级坐标分量相对闭合差 2.0 3.0 6.0 9.0 9.0环线全长相对闭合差 3.0 5.0 10.0 15.0 15.06)对于采用不同数学模型的基线解,其同步时段中任一三边同步环的坐标分量闭合差和全长相对闭合差按独立环闭合差要求检核。

同步时段中的多边形同步环,可不重复检核7)无论采用单基线模式或多基线模式解算基线,都应在整个 GPS 网中选取一组完全的独立基线构成独立环,各独立环的坐标分量闭合差和全长闭合差应符合下式的规定:≦≦ ≦ ≦ (2.2)式中 w---环闭合差,w=n------独立环中的边数8) 复测基线的长度较差,不宜超过下式的规定:ds≦2 (2.3)9) 无约束平差中,基线向量的改正数(V △X 、V △y 、V △Z )绝对值应满足下式要求:V△X ≦3σV△y ≦3σV△z ≦3σ (2.4)10) 约束平差中,基线向量的改正数与剔除粗差后的无约束平差结果的同名基线相应改正数的较差(d V△X 、d V △Y 、d V △Z )应符合下式要求:dV△X ≦2σdV△y ≦2σdV△z ≦2σ (2.5)当超限时,可认为作为约束的已知坐标、距离,已知方位与 GPS 网不兼容,应采用软件提供的或人为的方法剔除某些误差较大的约束值,直至符合上式要求。

3 分类方法三:公路二、三、四等和一、二级公路二等、三等、四等、一级、二级3.1 参考规范《公路勘测规范》20073.2 界面显示参数表 3.1固定误差 需要输入比例误差系数 需要输入最弱边相对中误差 平均距离3.3 划分标准1) 各等级平面控制测量,其最弱点点位中误差不得大于±5cm,最弱相邻点相对点位中误差不得大于±3cm,最弱相邻点边长相对中误差不得大于下表的规定表 3.2测量等级 最弱相邻点边长相对中误差 测量等级 最弱相邻点边长相对中误差二等 1/100 000 一级 1/20 000三等 1/70 000 二级 1/10 000四等 1/35 000表 3.3 相邻点间平均边长参照值测量等级 平均边长(km) 测量等级 平均边长(km)二等 3.0 一级 0.5三等 2.0 二级 0.3四等 1.0表 3.4 GPS 测量的主要技术要求测量等级 固定误差 a(mm) 比例误差系数 b(mm/km)二等 ≤5 ≤1三等 ≤5 ≤2四等 ≤5 ≤3一级 ≤10 ≤3二级 ≤10 ≤52) 观测技术要求表 3.5测量等级项目 二等 三等 四等 一级 二级卫星高度角( °) ≥15 ≥15 ≥15 ≥15 ≥15静态(min) ≥240 ≥90 ≥60 ≥45 ≥40时间长度快速静态(min) —— ≥30 ≥20 ≥15 ≥10平均重复设站数(次/每点) ≥4 ≥2 ≥1.6 ≥1.4 ≥1.2同时观测有效卫星个数(个) ≥4 ≥4 ≥4 ≥4 ≥4数据采样率(s) ≤30 ≤30 ≤30 ≤30 ≤30GDOP ≤6 ≤6 ≤6 ≤6 ≤63)计算要求1) 同一时段观测值的数据剔除率不宜大于 10%。

2) 重复基线测量的差值应满足式ds≦ σ (3.1)式中:ds----重复基线测量的差值;σ---标准差3) 各级 GPS 网同步环闭合差应符合式 3.2 的规定≦ σ≦ σ≦ σ ≦σ (3.2)式中:n----环或附和路线的边数 σ---标准差4) 各级 GPS 网异步环闭合环或附合路线坐标闭合差应符合公式 3.3 的规定VX≦ σVy≦ σ Vz≦ σv≦ σ (3.3)式中:n----环或附和路线的边数 σ---标准差5)无约束平差中,基线分量的改正数绝对值应满足式 3.4 的规定V△X ≦ σV△y ≦ σV△z ≦ σ (3.4)式中:σ---标准差(mm) 6)约束平差中,基线分量改正数与经过粗差剔除后的无约束平差结果的同一基线相应改正数较差的绝对值应满足 3.5 满足的规定dV△X ≦ σdV△y ≦ σdV△z ≦ σ (3.5)式中:σ---标准差(mm) 。

GPS 控制网等级1、控制网等级及其用途按照国家标准《全球定位系统(GPS)测量规范》 (GB/T13814-2009) ,GPS 测量按其精度分为A、B 、 C、D、 E 五级其中:1)A 级 GPS 网由卫星定位连续运行基站构成,用于建立国家一等大地控制网,进行全球性的地球动力学研究、地壳变形测量和卫星精密定轨测量2)B 级 GPS 测量主要用于建立国家二等大地控制网,建立地方或者城市坐标基准框架、区域性的地球动力学研究、地壳变形测量和各种精密工程测量等3)C 级 GPS 测量用于建立三等大地控制网,以及区域、城市及工程测量的基本控制网等4)D 级 GPS 测量用于建立四等大地控制网5)E 级 GPS 测量用于测图、施工等控制测量2、精度要求3、卫星定位连续运行基准站网的布设1)布设原则CORS 依据管理形式、任务要求和应用范围,划分为国家基准站网、区域基准站网和专业应用站网1)国家基准站网国家基准站网的布设应顾及社会发展、经济建设和自然条件因素在即将实施的国家大地基准基础设施建设项目中,我国将在全国范围内建设360个地基稳定、分布均匀的连续运行基准站(其中:新建150个、改造60个、直接利用已有的站150个) 。

2)区域基准站网区域基准站网是指在省、市地区建立的连续运行基准站网,主要构成高精度、连续运行的区域坐标基准框架,为省、市区域提供不同精度的位置服务和相关信息服务区域基准站网的布设按实时定位精度而选择基准站间的距离,当采用网络 RTK 技术满足厘米级实时定位,其区域基准站布设间距不应超过80KM3)专业应用站网专业应用站网是由专业部门或者机构根据专业需求建立的基准网站,用于开展专业信息服务它的布设间距主要根据专业需求,当满足实时定位分米级要求,则基准站布设间距一般在100~150KM 之间2)基准站设计与选址基准站设计时应根据基准站网布设原则,在图上标出设计基准。

下载提示
相似文档
正为您匹配相似的精品文档